*** START OF THE PROJECT GUTENBERG EBOOK 49069 ***

The cover image was created by the transcriber and is placed in the public domain.

[Pg i]


The Geological Society of America
Special Paper 65

THE FLOORS OF
THE OCEANS
I. The North Atlantic
Text to Accompany the Physiographic Diagram of the North Atlantic

BY
Bruce C. Heezen, Marie Tharp, and Maurice Ewing

Lamont Geological Observatory (Columbia University) Palisades, New York

April 11, 1959

[Pg ii]

Made in the United States of America

TEXT PAGES COMPOSED AND PRINTED BY THE WILLIAM BYRD PRESS
COLLOTYPE PLATES PRINTED BY THE MERIDEN GRAVURE COMPANY
LINE PLATES PRINTED BY WILLIAMS AND HEINTZ
BOUND BY RUSSELL-RUTTER COMPANY

PUBLISHED BY THE GEOLOGICAL SOCIETY OF AMERICA

ADDRESS ALL COMMUNICATIONS TO

THE GEOLOGICAL SOCIETY OF AMERICA
419 WEST 117 STREET, NEW YORK 27, N. Y.

[Pg iii]

The Special Papers Series
Of
The Geological Society of America
is made possible
through the bequest of
Richard Alexander Fullerton Penrose, Jr.

[Pg iv]

"Could the waters of the Atlantic be drawn off, so as to expose to view this great sea-gash, which separates continents, and extends from the Arctic to the Antarctic, it would present a scene the most rugged, grand, and imposing. The very ribs of the solid earth, with the foundations of the sea, would be brought to light, and we should have presented to us at one view the empty cradle of the ocean...." (M. F. Maury, The Physical Geography of the Sea, 1855.)

[Pg v]


FOREWORD

The diagrammatic portrayal of the relief of continental land areas of the world has been completed by both the late A. K. Lobeck and Erwin Raisz, whose magnificent diagrams are familiar to all geologists and geographers. The authors of the present sheet are preparing a similar series of marine physiographic diagrams.

The Physiographic Diagram: Atlantic Ocean; Sheet 1 is the first of this projected series. The Atlantic Ocean diagram will consist of five sheets at a scale of about 1:5 million. A diagram of the South Atlantic Ocean at a scale of about 1:11 million now nearly completed will form the first of a general series planned to portray the world oceans.

In addition, diagrams of selected areas well covered by sounding profiles will be prepared at scales of about 1:2 million.

Each sheet or series of sheets will be accompanied by descriptive notes treating the nomenclature, morphological, geological, and geophysical characteristics of each of the physiographic provinces.

Lamont Geological Observatory Contribution 308

NOTE

Physiographic Diagram: Atlantic Ocean, Sheet 1 (Plate 1)

Copies of the Physiographic Diagram: Atlantic Ocean, Sheet 1 are available unfolded so that each will be suitable for wall mounting. The diagram is therefore not physically inserted or attached to this volume although it forms the basic part of the paper.

[Pg vi]
[Pg vii]


ACKNOWLEDGEMENTS

The studies of submarine topography at the Lamont Geological Observatory have been supported by the United States Navy Bureau of Ships under Contract NObsr 64547. The expeditions which obtained topographic data were supported by the Office of Naval Research under Contracts N6 onr 27124 and N6 onr 27113 and the Bureau of Ships under Contract NObsr 64547. Three cruises were supported by the National Geographic Society, the Woods Hole Oceanographic Institution, and Columbia University. Financial support has been received from The Geological Society of America (Grant 635-54). The preparation of this paper was supported in part by the Bell Telephone Laboratories.

The studies that led to the present paper began at the Woods Hole Oceanographic Institution just after World War II. With the founding of the Lamont Geological Observatory in 1949 the work was transferred to that observatory at Palisades, New York. Topographic data from Woods Hole cruises were incorporated with Lamont data until 1953, when a separate program was established at Woods Hole by J. B. Hersey, and Columbia University acquired the Vema as its own research vessel. Although Woods Hole data obtained between 1953 and 1957 have not been used in preparing sheet 1, arrangements recently concluded provide for the incorporation of past and future Woods Hole data in subsequent sheets of this series.

The soundings were read, compiled, and plotted by Morris Wirshup, the late Andrew Nelson, Ivan Tolstoy, G. Leonard Johnson, III, the authors, and several others. The profiles were plotted by M. Wirshup, Hester Haring, the authors, and several others.

The soundings were taken primarily on board the Research Vessels Vema and Atlantis (Woods Hole Oceanographic Institution), but important sounding lines were obtained by the R/V Albatross (Woods Hole Oceanographic Institution), M/V Theta, and R/V Caryn (Woods Hole Oceanographic Institution) and in the eastern Atlantic by the R.R.S. Discovery (National Institute of Oceanography).

The following officers made outstanding contributions to the navigational plotting: A. K. Lane, the late A. Karlson, J. Pike, R/V Atlantis; D. Gould, the late F. S. Usher, D. Smith, V. Sinclair, H. Kohler, and K. Simonson, R/V Vema; and the late A. Nelson, R/V Vema and M/V Theta.

The echo sounders have been installed, maintained, and improved by B. Luskin, H. R. Johnson, A. Roberts, M. Landisman, C. Hubbard, H. Van Santford, M. Langseth, G. Sutton, and many others.

The entire scientific party of each of the more than 50 expeditions represented in the data of this paper took turns marking and adjusting the echo sounder, and all navigational officers on these expeditions took the fixes and kept the logs. To these sea-going scientists and mariners too numerous to list the authors are extremely grateful.

[Pg viii]

Soundings in the northeast Atlantic compiled by the British Admiralty Hydrographic Department were kindly provided by Cmdr. J. S. N. Pryor of that organization. Dr. M. N. Hill of Cambridge and Dr. G. E. R. Deacon of the (British) National Institute of Oceanography were instrumental in obtaining many of these valuable deep-sea soundings. Original sounding sheets of many areas were provided by the Coast and Geodetic Survey through the courtesy of Admiral A. Karo and Mr. G. F. Jordan.

B. Luskin's development of the Precision Depth Recorder and his continued research and development in echo-sounding equipment made it possible to obtain many of the detailed data of this paper.

The following expedition chief scientists conducted sounding surveys which have been incorporated in this paper: M. Ewing, J. L. Worzel, J. E. Nafe, I. Tolstoy, R. S. Edwards, G. R. Hamilton, C. L. Drake, B. Luskin, W. C. Beckmann, F. Press, J. Northrop, J. Hirshman, M. J. Davidson, R. J. Menzies, F. C. Fuglister, E. T. Miller, and B. C. Heezen.

The writers are grateful to the great number of scientists who encouraged them in this work and especially to those who offered suggestions and discussed the data and conclusions. We are particularly indebted to W. H. Bucher for discussions relative to tectonics, to David B. Ericson for problems relating to sediment distribution and analysis, and to C. O'D. Iselin and C. H. Elmendorf for general encouragement and support during the several years of this study.

[Pg ix]


CONTENTS

PAGE
Abstract 1
Part 1. Preparation of the Physiographic Diagram 3
Part 2. Physiographic Provinces 11
Introduction 11
Nomenclature and classification of deep-sea relief 11
Units of depth and slope 12
Continent and ocean 16
Continental margin 17
Definition and general categories 17
General categories 17
Category I provinces 17
Category II provinces 18
Category III provinces 19
Regional description of continental margin 21
Benches and terraces of the continental margin 41
Geology and geophysics of continental-margin physiographic provinces 51
Seismicity of the continental-margin provinces 51
Magnetic anomalies and continental-margin physiographic provinces 51
Crustal structures and continental-margin provinces 52
Sediment distribution and physiographic provinces of the continental margin 53
Past, present, and future of the continental-margin provinces 53
Ocean-basin floor 55
General description 55
Abyssal plains 55
General discussion 55
Regional description 57
Abyssal hills 61
Definition and distribution 61
Regional description 63
Origin of abyssal-hills topography 65
Other major features of the abyssal floor 66
Abyssal gaps 66
Mid-ocean canyons 66
Regional description 66
Origin of abyssal-floor topography 74
Oceanic rises 74
Definition and distribution 74
Regional description 74
Seamounts of the ocean-basin floor 78
Seismicity of the ocean-basin floor 80
Ocean-basin floor provinces and crustal structure 80
Mid-oceanic ridges 83
Definition 83
Mid-Atlantic Ridge 83
Provinces of the Mid-Atlantic Ridge 84
General statement 84
Crest provinces 84
Flank provinces 95 [Pg x]
Azores Plateau 97
Azores-Gibraltar Ridge 98
Atlantis-Plato-Cruiser-Great Meteor Seamount Chain 98
Geology and geophysics of Mid-Atlantic Ridge physiographic provinces 98
Seismicity of the Mid-Atlantic Ridge 98
Sediments and physiographic provinces of the Mid-Atlantic Ridge 99
Rocks of the Mid-Atlantic Ridge 99
Crustal structure of the Mid-Atlantic Ridge provinces 100
Origin of the Mid-Atlantic Ridge 103
Sub-bottom reflections recorded on PDR records and physiographic provinces 105
Summary of province characteristics 107
Bibliography 109
Index 115
[Pg xi]

ILLUSTRATIONS

PLATES

PLATE FOLLOWING PAGE
1. Physiographic diagram: Atlantic Ocean, Sheet 1 (In separate tube)
2. Preliminary chart of Hudson Submarine Canyon 20
3. Representative PDR records from continental rise of northeastern United States 32
4. PDR records from continental slope and Blake Plateau 32
5. PDR records from outer ridge east of the Blake Plateau and from the Blake-Bahama Abyssal Plain 32
6. PDR record of outer ridge showing sub-bottom horizon 32
7. Tracings of PDR records across continental slope and part of the Blake Plateau 36
8. PDR records European continental rise and Biscay Abyssal Plain 38
9. Representative PDR records of continental margin and abyssal floor southwest of Canary Islands 38
10. PDR record of abyssal hills, southeast of Bermuda Rise 38
11. Ocean bottom photographs of the continental margin and ocean basin floor 38
12. PDR record of Biscay Abyssal Plain 52
13. PDR records of Madeira Abyssal Plain and the Madeira Rise 52
14. PDR records of Mid-Ocean Canyon No. 2 and canyons at Vema Gap 58
15. Ocean-bottom photographs of seamounts 58
16. Representative PDR records from Bermuda Rise 78
17. PDR record, Bermuda Scarp Zone 78
18. PDR record, Upper Step Mid-Atlantic Ridge 78
19. Ocean-bottom photographs; Mid-Atlantic Ridge 78
20. Physiographic provinces, Atlantic Ocean 122
21. Control chart 122
22. Six trans-Atlantic topographic profiles 122
23. Index chart showing locations of profiles of Plates 24, 25, 26 and Figure 45 122
24. Thirty-four profiles of the continental margin: western North Atlantic 122
25. Twenty-three profiles of the continental margin of Europe and Africa 122
26. Crustal structure and continental-margin provinces 122
27. Five topographic profiles, western North Atlantic 122
28. Distribution of deep-sea sands in relation to physiographic provinces 122
29. Earthquake epicenters, North Atlantic 122
30. Location of PDR records and bottom photographs reproduced as illustrations. 122

FIGURES

FIGURE PAGE
1. Method of preparation of physiographic diagram 4
2. Precision depth recorder (PDR) sounding lines obtained by research vessels 6
3. Good, but nonprecision sounding lines obtained by research vessels 7
4. Major basins of the North Atlantic, after Wüst (1940) 12
5. Sound-velocity corrections for echo soundings 13
6. Conversion diagram for degrees, per cent grade, feet per statute mile, and gradient 14
7. Gradients from 1:5 to 1:8000 shown at 40:1 vertical exaggeration 15[Pg xii]
8. Outline of submarine topography 15
9. Major morphologic divisions: North Atlantic Ocean 16
10. Three categories of continental-margin provinces 17
11. Two east-west profiles of Southeast Newfoundland Ridge 22
12. Laurentian Channel 23
13. Eastern Channel, Gulf of Maine 23
14. Submarine canyons off the Scotian Shelf 24
15. Continental-margin provinces: Type profile off northeastern United States 26
16. Tracings of PDR records of continental and insular slopes 28
17. Cross sections of Hudson Submarine Canyon 32
18. Tracing of PDR record of Blake Escarpment 34
19. Continental-margin provinces: Type profiles off northwest Africa 40
20. Georges Bank canyons 44
21. Two projected profiles of Georges Bank canyons 45
22. Geologic section at Cape Hatteras, Virginia 46
23. Correlation of structural benches off northeast United States 48
24. Geologic section: Western Europe based on refraction measurements 49
25. Index chart, location of abyssal hill profiles illustrated in Figures 26 and 27 62
26. Eleven profiles, Abyssal Hills Province, western Atlantic 62
27. Eight profiles, Abyssal Hills Province, eastern Atlantic 63
28. Tracing of PDR record, abyssal hills, southeast of Bermuda Rise 64
29. Northwest Atlantic Mid-Ocean Canyon 67
30. Eight east-west profiles showing Northwest Atlantic Mid-Ocean Canyon 68
31. Forty-eight cross sections of Northwest Atlantic Mid-Ocean Canyon 69
32. Long profile of Northwest Atlantic Mid-Ocean Canyon 70
33. Tracing of PDR record across Theta Gap 73
34. Natural scale profile, Kelvin Seamounts 77
35. Crustal sections in various physiographic provinces, determined by seismic-refraction measurements 81
36. Index to natural-scale Mid-Atlantic Ridge profiles reproduced in Figures 37-41 84
37. Natural-scale Mid-Atlantic Ridge profile 1A 85
38. Natural-scale Mid-Atlantic Ridge profile 1B 86
39. Natural-scale Mid-Atlantic Ridge profile 1C 87
40. Natural-scale Mid-Atlantic Ridge profile 2A 88
41. Natural-scale Mid-Atlantic Ridge profile 2B 89
42. Type profile, provinces of the Mid-Atlantic Ridge 90
43. Tracing of PDR record, Rift Valley, Rift Mountains, High Fractured Plateau, and Upper Step 91
44. Tracing of PDR record, Western Rift Mountains 92
45. Twenty-six rift valley profiles, Mid-Atlantic Ridge 93
46. Five representative profiles, crest and western flank of Mid-Atlantic Ridge 94
47. Axial profile of the Mid-Atlantic Ridge 96
48. Profile of total magnetic intensity and topography, Mid-Atlantic Ridge 101
49. Physiographic provinces and trans-Atlantic structure 102

TABLES

TABLE PAGE
1. Characteristics of continental rise, northeastern United States 27
2. Characteristics of continental rise, northwest Africa 41
3. Depths of prominent continental-shelf terraces 42
[Pg 1]

ABSTRACT

The Physiographic Diagram: Atlantic Ocean, Sheet 1, which portrays the North Atlantic between 17° and 50° North Latitude, is the first of a projected series of diagrams. The diagram is based on continuous echo-sounding traverses made by research vessels. The relief shown on the profiles was sketched in perspective using the technique introduced by Lobeck. Between sounding profiles the relief is speculative, based on extrapolation of trends noted in the profiles.

The area of the diagram is divided into three major physiographic regions which are in turn subdivided into the following categories of provinces.

Each province is defined, briefly described, and illustrated with profiles and photographs of echo-sounding records.

The boundaries of the physiographic provinces, defined solely by bottom topography, show good correlation with variations in crustal structure as determined by seismic-refraction measurements and with anomalies of the gravity and magnetic fields. In addition, the province boundaries correlate well with[Pg 2] distribution patterns of bottom sediments. The physiographic provinces are thus really morpho-tectonic provinces. The precise correlation of topographic provinces and structure observed in specific sections can thus be extrapolated along province boundaries to deduce the geology in large areas where no geophysical work has been done. The tectonic map of the Atlantic prepared in this manner will be presented in a subsequent publication.

[Pg 3]


PART 1. PREPARATION OF THE PHYSIOGRAPHIC DIAGRAM

Several steps are involved in the preparation of a marine physiographic diagram. The raw data consist of continuously recorded echograms and lists of positions of the research ship. Echograms are profiles of ocean depth, automatically plotted against time (Luskin et al., 1954). The first step is to read and tabulate the depth at each peak, trough, or change of slope. These readings are plotted on a chart (1:1,000,000) as a series of closely spaced soundings. Depth profiles are plotted against distance at a standard vertical exaggeration of 40:1. The sounding lines are also plotted on a chart of small scale (1:5,000,000) which is at the same scale as the final physiographic diagram. The subsequent steps in the preparation of the diagram are illustrated by Figures 1a-d. The exaggerated profiles (1b) along the tracks (1a) show a succession of peaks and valleys. These features are sketched in along the tracks (1c). After all the tracks in a large area are sketched in this way, the major trends are estimated, and the diagram is completed by interpolation and extrapolation (Fig. 1d; Pl. 1). The vertical scale of the diagram is 1 inch = 5000 fathoms which is an effective vertical exaggeration of 20 to 1. The final diagram as printed is at a scale of 1:5 million at 40° N. on a Mercator projection.

There is a fundamental difference between the preparation of a terrestrial and a marine physiographic diagram. In the former the major problem is to select from more-detailed maps the features to be represented. Except in unexplored, inaccessible areas, the shape of all land features is a matter of recorded fact; the problem is to abstract and artfully draw the features in question. In contrast, the preparation of a marine physiographic diagram requires the author to postulate the patterns and trends of the relief on the basis of cross sections and then to portray this interpretation in the diagram.

PHYSIOGRAPHIC PROVINCE CHART: A study of the exaggerated profiles plotted during the preparation of the physiographic diagram revealed the existence of morphological features and morphological provinces not previously delineated. The limits of areas of contrasting morphology were noted on the profiles, and these points were plotted on a chart of small scale (also about 1:5 million at 40° N.) (Pl. 20).

CONTROL: Almost all the echo-sounding profiles used in the preparation of the physiographic diagram (Pl. 1) and the physiographic province chart (Pl. 20) were obtained by expeditions of the Lamont Geological Observatory and the Woods Hole Oceanographic Institution (Pl. 21). Some soundings were provided by the Hydrographic Department, British Admiralty (Pl. 21) and the International Hydrographic Bureau (Monaco).

[Pg 4]

Figure 1.Method of preparation of physiographic diagram

(a) Positions of sounding lines (A, B) are plotted on chart; (b) Soundings are plotted as profiles (A, B) at 40:1 vertical exaggeration; (c) Features shown on profiles (A, B) are sketched on chart along tracks; (d) After all available sounding profiles are sketched the remaining unsounded areas are filled in by extrapolating and interpolating trends observed in a succession of profiles.

[Pg 5]

The echo soundings made by research vessels fall into three classes: (1) precision soundings (accuracy better than 1 fathom in 3000); (2) nonprecision soundings obtained by research vessels using commercial echo sounders with control or close check on time standard; (3) poor to bad soundings made with commercial echo sounders without timing control or adequate checks. Most of the soundings used in this paper fall into the first two categories. In Figure 2 the Precision Depth Recorder (PDR) sounding tracks are shown. In Figure 3 the good but nonprecision tracks are shown. The soundings of the third class are not shown. All tracks used in the preparation of the diagram are shown in Plate 21. Most of the sounding lines were located by standard dead-reckoning procedures from astronomical fixes. Errors of a few miles are probably common. Position errors do not seriously affect the work described here since we are dealing largely with texture read from profiles and plotted on a small-scale sheet.

In addition to the sounding tracks shown in the control chart, spot depths shown on U. S. Hydrographic Office charts HO 0955a, 0955b, 0956a, 0956b, and 5487 and on feuille A-1 of the Carte Générale Bathymétrique des Océans (1935) were used where profiles were lacking. Along the east coast of the United States the Coast and Geodetic Survey soundings published by Veatch and Smith (1939) were used for the continental shelf and slope. Other important sources of published soundings include Hill (1956), De Andrade (1937), Dietrich (1939), Wüst (1940a), Emery (1950), and Tolstoy (1951).

The land areas of the diagram were sketched to the same rigid vertical scale as that used for the deep sea. Elevations for the United States were taken from United States Geological Survey and Army Map Service quadrangle maps; elevations for Europe and Africa are from Bartholomew maps; and elevations for the islands from United States Navy Hydrographic Office charts.

EXAGGERATED PROFILES: The profiles plotted at 40:1 vertical exaggeration are the basis for the topography sketched on the physiographic diagram. A selection of these profiles is reproduced in Plates 22, 24, 25, and 27, and in Figure 45. All profiles from precision soundings were originally plotted at a vertical scale of 2 inches equals 1000 fathoms and a horizontal scale of 2 inches equals 40 miles. Nonprecision soundings were plotted at scales of 1 inch equals 1000 fathoms and 1 inch equals 40 miles. In a typical area 40 to 60 soundings were plotted for each 60 miles of profile. The points were connected and then qualitatively checked against the original echogram. Although all the larger features are represented on these profiles, features of less than a mile in width may be missed. The small scale of the physiographic diagram excluded the possibility of portraying most of the features less than 3-6 miles in width and less than 20 fathoms in height.

Detailed study of the small-scale features less than 2 or 3 miles in width is best accomplished by a study of the original echograms. The PDR records are ideal for this purpose.

[Pg 6]

Figure 2.Precision depth recorder (PDR) sounding lines obtained by research vessels

Most of soundings shown were obtained by the Lamont Geological Observatory's R. V. Vema, 1953-1957.

[Pg 7]

Figure 3.Good, but nonprecision sounding lines obtained by research vessels

Most soundings obtained by the Woods Hole Oceanographic Institution's R. V. Atlantis, 1946-1953.

[Pg 8]

NORTH ATLANTIC SOUNDINGS: The study of the North Atlantic deep-sea bathymetry began a little more than a century ago with the taking of the first deep-sea soundings by lead line. By 1860, largely because of the great public interest in the proposed trans-Atlantic cables and the enthusiastic encouragement of Matthew F. Maury (1855), several hundred soundings had been taken in the North Atlantic in depths greater than 1000 fathoms. Meanwhile, on either side of the Atlantic surveys of coasts, harbors, offshore banks, and the continental shelf were being made for navigational use. The Hudson Submarine Channel and the head of the Hudson Canyon were discovered by the United States Coast Survey during this period. By 1912 more than 1800 deep-sea soundings had been taken in the North Atlantic by the laborious method of using a lead lowered at first by hemp line and later by wire. Between 1900 and 1920 Fessenden in the United States, Behm in Germany, and Langevin and Florisson in France established that acoustic echo sounding was possible and built machines to take echo soundings. In 1922, echo sounding became a practical operation. Although many of the early echo sounders were fitted with automatic recorders, they were in general suitable only for use in shallow water (less than 500 fathoms). Deep-sea echo soundings were obtained by listening on earphones for the returning echo and timing the interval by eye with a suitable clock. The improvement of sounding gear continued, and by the mid 1930's automatic recording deep-sea echo sounders were manufactured and put into limited use, although, by and large, all pre-World War II deep-sea (> 1000 fathoms) echo soundings were discrete observations by the "ear and eye" method. A good review of pre-World War II echo-sounding apparatus is given in a publication of the International Hydrographic Bureau (Anon., 1939). During the war the NMC[1] echo sounder was developed and installed on many U. S. ships. It was adequate for deep-sea sounding if in perfect condition; but the designers, being cautious, had arranged for recording only in the depth range of 0-2000 fathoms. The NMC sounder on Atlantis was modified to record in greater depths in 1945, and many thousands of miles of tracks were obtained of the deep sea with this apparatus. The NMC had a small record chart (6¼ inches = 2000 fathoms; ½ inch = about 3 miles). The precision was low since the apparatus depended on a ship's regular AC power supply for its time standard. A new sounder, the UQN-1B, was developed in the United States following World War II. The instrument as manufactured recorded on an extremely small chart (8 inches = 6000 fathoms) but could be modified for multiple 600-fathom scale recording (8 inches = 600 fathoms). The timing function was usually accomplished by poorly regulated ship's AC power supply, and errors were consequently large (Dietz, 1954; Heezen, 1954). In addition, the stylus arrangement required constant adjustment. After only a few thousand miles were obtained by the Lamont Observatory expeditions it became obvious that a new recorder incorporating precision timing and large recorder presentation was necessary for an adequate knowledge of topography.

[1] U. S. Navy designation.

Bernard Luskin of the Lamont Geological Observatory, in co-operation with the Times Facsimile Company, adapted the Times Facsimile receiver to do the timing and recording function of the echo sounder, using a standard UQN receiver and transmitter (without recorder). More than 200,000 miles of PDR soundings have now been obtained by expeditions of the Lamont Geological Observatory. The apparatus originally described by Luskin et al. (1954) has been extensively improved (Luskin and Israel, 1956). The Times Facsimile-Lamont[Pg 9] PDR performs the timing and recording functions with an accuracy of better than 1 fathom in 3000. This was a considerable improvement over older apparatus. The PDR generally uses multiple 400-fathom scales in which 400 fathoms is represented by 18¾ inches of record; the paper is carried through the machines at 24 inches an hour. Other vertical scales (i. e., 200, 800, 1200) can easily be provided, and the paper transport can be changed by steps from 12 to 96 inches per hour. The laminated recording paper consists of two layers of light gray and a center layer of black. The record is made by burning the upper gray layer and thus exposing the underlying dark layer. The facsimile recording paper differs from the conventional echo-sounder record paper in that a greater range of shades can be reproduced. Several PDR records are shown in the following text (Pls. 3, 4, 5, 6, 8, 9, 10, 12, 13, 14, 16, 17, 18). Effective study of the physiography of the deep-sea floor was made possible by introduction of the PDR. Echo soundings obtained by the English in the area southwest of England have been used in the present study. The accuracy of their equipment has not been adequately treated in the literature, but it appears by comparison that most soundings are accurate to within at least 1 per cent.

[Pg 10]
[Pg 11]


PART 2. PHYSIOGRAPHIC PROVINCES

INTRODUCTION

Descriptions of physical features of the earth's surface are found in the earliest-known writings. However, the systematic classification of land forms is relatively recent and followed the development of the science of physical geology. The natural topographic divisions of the continents have been classified into physiographic provinces according to several similar systems (Lobeck, 1939; Fenneman, 1938; Atwood, 1940; and others). These systems take into account form and age of the relief, as well as the structure of the underlying rocks. Descriptions are usually given in terms of age, process, and structure, with the ultimate aim the understanding of the origin and history of topography. Detailed topographic maps at 1:50,000 or larger are available and are used in conjunction with direct field observations. More recently aerial photographs have greatly aided geomorphic studies.

The oceans, in contrast, have been subdivided by oceanographers merely into basins separated by ridges and swells. This was done on the basis of widely spaced discrete soundings shown on charts rarely of larger scale than 1:10 million. The basins were delimited by arbitrarily chosen and often crudely controlled isobaths. The development and installation of continuously recording deep-sea echo sounders and their extensive use in the deep sea provide for the first time detailed topographic information on the deep-sea floor and thus a new basis for description and classification.

It is perhaps presumptuous at this time to refer to the topographic divisions of the sea floor as physiographic provinces when we have only scant information concerning the structure of each province, the age, the physical processes, and, in fact, the details of topography. Therefore, the classification described in the following pages is presented as a first attempt, with the full knowledge that it will be modified and expanded by subsequent exploration.

We are only beginning to understand the structural significance of deep-sea physiographic provinces. We now think that the correlation of topography and structure will be better under the sea than on land because of less vigorous erosion at depth in the sea. If this is true, deep-sea structural patterns may eventually be quite simple to map.

NOMENCLATURE AND CLASSIFICATION OF DEEP-SEA RELIEF

Before the advent of continuously recorded echo-sounding profiles, and their revelation of the texture of the sea-floor relief, classification and nomenclature of submarine topography were based on broad closed isobaths. We can characterize the older system as the bathymetric system of nomenclature in contrast to that employed in this paper, which we can call a geomorphic or textural system.

The terms "basin" and "deep" used in the older literature are usually defined by closed 3000-, 4000-, or 5000-meter contours as represented on the Carte Gén[Pg 12]érale Bathymétrique des Océans (International Hydrographic Bureau). For many purposes this terminology is useful, particularly in describing the habitat of a deep-sea fish or the locale of a water mass. Consequently some such system should be retained even though in many areas basin boundaries are difficult to define, and regardless of the fact that many boundaries cut arbitrarily through physiographic provinces without regard for local province boundaries. The Atlantic has been subdivided by Wüst (1940b) (Fig. 4) whose system is now in general use.

Figure 4.Major basins of the North Atlantic, after Wüst (1940)

Heavy solid lines indicate boundary formed by axis of Mid-Atlantic Ridge. Light solid lines indicate boundary formed by shelf breaks and submarine ridges. Dashed lines indicate arbitrary boundaries.

The nomenclature of deep-sea topography has been considered by several committees during the past half century. The most recent recommendations published by Wiseman and Ovey (1953; 1955) are followed wherever applicable. The older systems of nomenclature, however, are not rigidly employed since we are dealing with textural provinces based on profiles obtained with continuously recording echo sounders rather than bathymetric provinces defined by closed isobaths.

UNITS OF DEPTH AND SLOPE

On the profiles and echograms the vertical scale is in units of echo-sounding time rather than in units of true depth. In other words, all depths are calculated under the assumption that the vertical sound velocity is 800 fathoms per second. Considering that the sound travels to the bottom and back, the calculation is based on 400 fathoms per second of lapsed time.

Since the average vertical velocity is, within the area covered, always slightly less than 800 fathoms per second, the true depth is always slightly greater than the "echo-time depth" as expressed in "nominal fathoms". Figure 5 shows the[Pg 13] range of corrections which must be applied in various parts of the area. The spot depths indicated on the physiographic diagram are in units of true depth corrected according to Matthews' tables (1939) for regional variations in the average vertical sounding velocity.

Figure 5.Sound-velocity corrections for echo soundings

Add correction to uncorrected echo sounding to obtain true depth. Curves I and II are representative of North Atlantic 17°-50°N. exclusive of the Grand Banks region. Curves III and IV are representative of the deep-water areas near the Grand Banks. Curves are based on Matthews (1939) and are for use only where assumed sounding velocity is 800 fathoms/second. All soundings mentioned in the text are uncorrected for sound velocity.

[Pg 14]

Figure 6.Conversion diagram for degrees, per cent grade, feet per statute mile, and gradient

(a) Values of gradient from 1:10-1:1500; (b) Values of gradient from 1:100-1:5000

[Pg 15]

The inclination of the bottom is given as the tangent of the angle between the sloping plane and the horizontal expressed as a ratio of integers. These ratios are referred to as gradients. In Figure 6 slope values expressed in degrees, per cent grade, feet per statute mile, and gradient are compared. With a few exceptions all profiles are represented with a 40:1 vertical exaggeration. To facilitate judging the magnitude of slopes on these profiles, Figure 7 shows various gradient ratios at a 40:1 vertical exaggeration. Slope corrections have not been made to the soundings. Except in special cases such corrections would make insignificant changes in the 40:1 profile.

All distances are given in nautical or geographical miles (1 nautical mile = 6080 feet).

Figure 7.Gradients from 1:5 to 1:8000 shown at a 40:1 vertical exaggeration

Most profiles reproduced in this paper are at 40:1 vertical exaggeration. This template is provided to aid the reader in judging slopes on these exaggerated profiles.

Figure 8.Outline of submarine topography

Line 1, first-order features of the crust; line 2, major topographic features of the ocean; line 3, categories of provinces and super-provinces; line 4, provinces; line 5, sub-provinces and other important features.

[Pg 16]

CONTINENT AND OCEAN

The two first-order morphologic divisions of the earth's crust are continent and ocean. The oceans can be divided into a few major divisions which are in turn subdivided into categories of physiographic provinces and then into individual provinces. The area of the present study is composed of the three major divisions shown in Figure 9: continental margin, ocean-basin floor, and mid-oceanic ridge. The discussion and description of the physiographic provinces of the North Atlantic will follow the schematic outline shown in Figure 8.

Figure 9.Major morphologic divisions: North Atlantic Ocean

The profile is a representative profile from New England to the Sahara Coast.

[Pg 17]


CONTINENTAL MARGIN

DEFINITION AND GENERAL CATEGORIES

The continental margin includes those provinces of the continents and of the oceans which are associated with the boundary between these two first-order features of the earth.

General categories.—In most areas three parallel categories of provinces can be distinguished in the continental margin (Fig. 10). The relatively flat portions of the submerged continental platform constitute category I. These provinces are: continental shelf, epicontinental marginal seas (e. g., Gulf of Maine), and continental-margin plateaus (e. g., Blake Plateau). The provinces of category II include the continental slope, marginal escarpments (e. g., Blake Escarpment), and the landward slopes of trenches. These provinces mark the edge of the continental block. Category III includes the continental rise, marginal trench-outer ridge, and marginal basin-outer ridge complexes.

Figure 10.Three categories of continental-margin provinces

Category I provinces lie on the continental block, Category II provinces form the side of the continental block, and Category III provinces are the upturned or depressed margins of the oceanic depression.

The most common type of continental margin is made up of continental shelf (I), continental slope (II), and continental rise (III). (Fig. 10, Sahara and New York). In areas where the continental rise is well developed it is composed of two parts, the upper and the lower continental rise (Fig. 15). In some areas the lower continental rise is replaced by an outer ridge, and the upper continental rise is replaced by a marginal basin or marginal trench. These two latter types are illustrated in Figure 10 by profiles marked Blake Plateau and Puerto Rico respectively. Seamounts and islands occur in all the continental-margin provinces.


Category I provinces.—The ocean overflows its basin onto the edge of the continents. The principal physiographic province of this submerged portion of[Pg 18] the continental platform is the continental shelf which is present off all the lands of the world. The continental shelf is a smooth area with very low relief and is nearly everywhere limited to depths less than 250 fathoms. The continental blocks are also flooded by epicontinental seas. Some of these have rough bottoms, as the Gulf of Maine; others are relatively smooth-floored. Marginal plateaus, where present, lie in depths of 500-1200 fathoms, and many are nearly as smooth as the continental shelves.

CONTINENTAL SHELF: The continental shelf is a shallow (averaging less than 100 fathoms), gently sloping (less than 1:1000) surface of low local relief (less than 10 fathoms) which extends from the shore line to the shelf break where the seaward gradient sharply increases to greater than 1:40. Its width ranges from a few miles to more than 200 miles.

Continental shelves border all land areas. Because of their proximity to shore, their shallow depth, and their importance in navigation the continental shelves are now the best-known part of the oceans (Veatch and Smith, 1939; Shepard, 1948).

The transition from the continental shelf to the continental slope is generally abrupt and is known as the shelf break. This feature ranges in depth from 20 to more than 100 fathoms and in form from a sharp edge to a rounded shoulder. The change in the gradient is from less than 1:1000 to greater than 1:40.

EPICONTINENTAL MARGINAL SEAS: The epicontinental marginal seas are those shallow seas (less than 1500 fathoms) which lie on the continental block and can be distinguished from the continental shelves by their greater depth (usually > 100 fathoms) and possibly greater topographic irregularity. Most of them are enclosed by shallow banks (< 50 fathoms) of the continental shelf and by land. The Gulf of Maine, the Gulf of St. Lawrence, and the channels of the Bahamas belong to this class.

MARGINAL PLATEAUS: A marginal plateau is a shelflike feature which lies at greater depths than the continental shelf and is separated from the continental shelf by an incipient continental slope. These features generally lie at depths greater than 100 fathoms and less than 1200 fathoms. They can be distinguished from epicontinental marginal seas by their lack of a seaward barrier or sill. The surface of a marginal plateau is generally quite similar to the continental shelf in slope and in the frequency and magnitude of minor relief features. The Blake Plateau is the only well-expressed representative of this morphologic type in the area of the diagram. Well-developed marginal plateaus are also found off the coast of southern Argentina and east of New Zealand.


Category II provinces.—The steep slopes which border the continental block are grouped into category II provinces. Loosely speaking, we are referring to the continental slope but, because of the complications imposed by such features as marginal plateaus and marginal trenches, we distinguish three province types.

CONTINENTAL SLOPE: The continental slope is that relatively steep (3°-6°) portion of the sea floor which lies at the seaward border of the continental shelf.[Pg 19] It typically drops from depths of 50-100 fathoms to depths of 750-1750 fathoms. The top of the slope is usually well marked by a relatively sharp shelf break. The base of the slope, although less definite, is generally abrupt. As a basis of classification in those few areas where no abrupt change is noted, we have set the gradient of 1:40 as the lowest gradient of the continental slope. The setting up of a lower limit for the gradient marks a departure from the older usage in which the continental slope was defined as "the slopes leading from the outer edge of the continental shelves down to the great depths of the ocean" (Shepard, 1948). This older definition included the continental rise, marginal plateaus, and marginal escarpments. The continental slopes are a world-wide phenomenon. The details of their regional distribution in the North Atlantic are covered in a later section.

MARGINAL ESCARPMENTS: A marginal escarpment is a precipitous escarpment which forms the seaward slope of a marginal plateau. Such escarpments begin in depths of 500-1500 fathoms and are 1000 to 2000 fathoms high. The base of the escarpment is well marked by an abrupt change in slope. Gradients of marginal escarpments exceed 1:10. The Blake Escarpment is a marginal escarpment. Similar features are found in the Gulf of Mexico and off the southeast coast of Argentina.

LANDWARD SLOPES OF TRENCHES: This term was introduced to set apart the landward slopes of marginal trenches from the usual continental slopes found off trench-less coasts. These steep slopes (> 1:40) drop from depths of a few hundred fathoms near a continent to a depth of a few thousand fathoms in a marginal trench. In the North Atlantic the one example is north of Puerto Rico. A large part of the circumference of the Pacific is bounded by such features.


Category III provinces.—At the base of the continental slope a gentle gradient continues to the local level of the abyssal floor. This seaward gradient ranges from 1:100 to 1:700 and extends over a strip from a few miles to a few hundred miles in width. On many topographic profiles made at right angles to the slope of the continental margin three major breaks are visible: the shelf break, the base of the continental slope, and the point where the near-by level of the ocean-basin floor intersects the more steeply sloping continental margin. Since we have limited the continental slope to gradients greater than 1:40, we split off this lower portion of the continental margin into a separate province, the continental rise. In the older "bathymetric" classification of relief the ocean basin—continental slope boundary was along the 2000- or 2500-fathom contour, an arbitrary division which cut across the then-unrecognized continental rise. At the base of the Blake Escarpment lies an enclosed basin, and north of Puerto Rico the sea floor drops almost directly to the floor of a marginal trench. These seemingly diverse provinces of continental rise, marginal escarpments, enclosed marginal basins, marginal trenches, and outer ridges are placed in category III because of their similarity in position with respect to the continents and ocean floor and because of other similarities shown in the deeper structure of the continental rise.

[Pg 20]

CONTINENTAL RISE: The continental rise, where present, lies at the base of the continental slope. Gradients on the continental rise generally range from 1:100 to 1:700, while the width ranges from a few score to a few hundred miles. However, gradients as high as 1:50 are observed in segment 3 of the upper continental rise, and gradients as low as 1:2500 are locally present in segment 2 of the lower continental rise (Tables 1 and 2). The seaward limit of the continental rise is generally abrupt, and at this point regional gradients decrease to less than 1:1000. The depth on the continental rise ranges from 750 to 2800 fathoms. Local relief is moderate to low, and, except for infrequent seamounts and fairly frequent submarine canyons, the local relief of the continental rise rarely exceeds 20 fathoms.

The continental rise is well developed over most of the area covered by the physiographic diagram. The major exceptions are north of the Iberian Peninsula where the rise is present, but extremely narrow, and in the southwestern third of the map in the area south of Cape Hatteras, where it is not present. In this latter area the geographical position usually filled by the continental rise is occupied by the low, broad outer ridge and the enclosed marginal basin and marginal trench.

OUTER RIDGE: An outer ridge is a broad ridge generally more than 100 miles wide that rises from less than 100 fathoms to about 1000 fathoms above the adjacent floor. It lies parallel to the continental margin and may enclose a basin or trench on the landward side. The local relief of an outer ridge is generally a little greater than that of the continental rise but much more subdued than that on the oceanic rises and mid-oceanic ridges.

MARGINAL BASIN: A marginal basin, where present, lies at the foot of the continental slope or at the base of a marginal escarpment. It is slightly shallower than the general level of the ocean basins and is bounded on the seaward side by an outer ridge. Part of its floor is generally occupied by an abyssal plain.

MARGINAL TRENCH: A marginal trench is a narrow, steep-sided feature running closely parallel to the trend of the continental margin; it is generally at least 1000 fathoms below the general level of the adjacent ocean floor. It is separated from the ocean floor by a low outer ridge which rises 100-500 fathoms above the level of the adjacent ocean floor. The bottom of a trench is generally rugged except near the deepest spots where it is flat.

The combination of marginal basin and outer ridge replaces the continental rise east of the Blake Plateau. North of Puerto Rico this combination is replaced by a marginal trench-outer ridge complex. The reason for this grouping is discussed in a later section.

Submarine canyons cut across all the continental-margin provinces except isolated portions of the outer ridge. Submarine canyons range from less than a mile to more than 10 miles in width and from less than 10 to nearly 1000 fathoms in depth. Canyons are most abundant on the continental slope. However, a smaller number persist across the continental rise. They are also found on the marginal escarpments and on the landward slopes of trenches. Shepard (1948),[Pg 21] Kuenen (1950), Veatch and Smith (1939), De Andrade (1937), Johnson (1939), and others have discussed the continental-slope canyons at great length. Canyons in the continental rise of the North Atlantic were discovered and mapped by Ericson, Ewing, and Heezen (1951).

Heezen et al., PL. 2
PRELIMINARY CHART OF HUDSON SUBMARINE CANYON
Based on nonprecision coundings taken 1949-1050

REGIONAL DESCRIPTION OF CONTINENTAL MARGIN

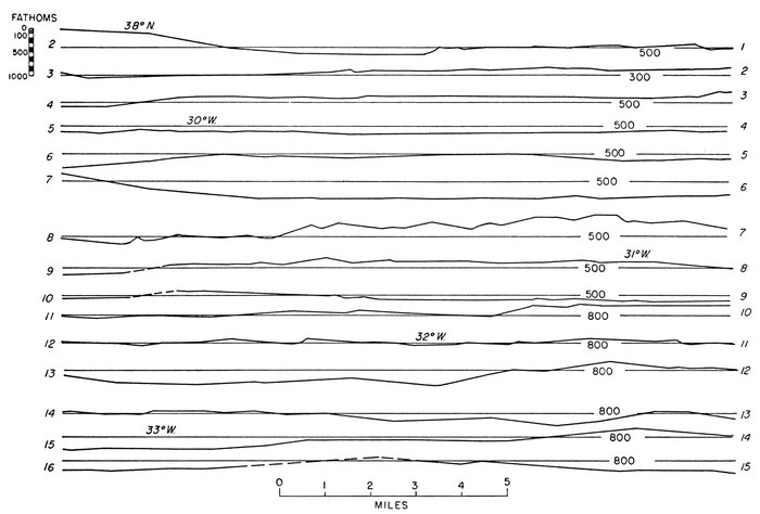
This discussion is based on continuously recorded echo-sounding traverses made by Lamont Geological Observatory expeditions. Profiles approximately perpendicular to the continental margin are reproduced in Plates 24 and 25. None is precisely perpendicular, and thus slight distortions of slopes and widths of the features are unavoidable.

EASTERN NORTH AMERICA: Thirty-four profiles of the continental margin of eastern North America are presented in Plate 24. The positions of the profiles are indicated on the index chart in Plate 23. All profiles show the three categories of continental-margin provinces. Profiles W-1 to W-21 Plate 24 show the more general succession of shelf, slope, and rise, while profiles W-22 to W-34 show the outer ridge-marginal basin and outer ridge-marginal trench complexes. Each of the 34 profiles exhibits a continental shelf although it may range from 20 to 300 miles in width. On each a shelf break is present at depths of 20-150 fathoms. Each profile shows a continental slope, the base of which may be from 300 to 1900 fathoms deep.

Northern Grand Banks Sector.—On profiles W-1 to W-6 (Pl. 24), across the Grand Banks of Newfoundland, the shelf ranges from 120 to 285 miles in width. Exceptionally strong local relief of 50-100 fathoms is found on the shelf in profile W-1 northeastward from Newfoundland. The shelf break, which occurs at 150 fathoms, is abnormally deep—more than twice the depths found off New England. The continental slope has a typical gradient of 1:20 but is unusually short as the continental rise is reached at 725 fathoms. From this depth the continental rise descends to the 1700-fathom curve at a gradient of 1:140. This gentle slope is interrupted by a group of exceptionally rugged lower continental rise hills which rise to 1250 fathoms. Northeast of the hills the 2200-fathom line marks the rather abrupt beginning of the abyssal plain which slopes seaward at a gradient of 1:1100.

Flemish Cap.—Profile W-2 crosses the Grand Banks, along its widest east-west axis, and also the semidetached bank called Flemish Cap. The shelf is much smoother than in profile W-1, except for a small deep of about 100 fathoms immediately east of Newfoundland. The shelf break at 150 fathoms is followed by a continental slope 150 to 500 fathoms deep which has a gradient of 1:20. The Flemish Cap is a difficult feature to classify. It is too large to be a seamount and too shallow to be a marginal plateau. We must treat it as a part of the continental shelf, semidetached from the rest by a 650-fathom-deep channel. The eastern flank of the Flemish Cap slopes off at gradients of 1:100 and 1:60 until at a depth of 650 fathoms the bottom drops precipitously to 1750 fathoms at a gradient of 1:10. Seaward of this point an 85-mile-wide continental rise has a gradient of[Pg 22] 1:65 and 1:250 down to the Newfoundland Abyssal Plain which is at a depth of 2400 fathoms. Twenty miles east of the continental rise this profile crosses the Northwest Atlantic Mid-Ocean Canyon.

On profile W-3 the shelf is quite smooth, and the shelf break is reached at 60 fathoms. The profile runs slightly oblique to the continental slope and reveals a series of submarine canyons. The base of the slope is at 1700 fathoms where the gradient drops to less than 1:200.

Figure 11.Two east-west profiles of Southeast Newfoundland Ridge

Positions of profiles are indexed on Plate 23. Both profiles plotted from nonprecision soundings (NMC).

Southeast Newfoundland Ridge.—From the southern tip of the Grand Banks a broad ridge runs southeasterly toward the Mid-Atlantic Ridge and forms a natural barrier between the Newfoundland Basin and the North America Basin [to the south]. Since it is almost impossible to define a boundary between the continental rise and the ridge, we consider the Southeast Newfoundland Ridge an extension of the continental rise. The ridge is 60-100 miles wide, and its crest plunges southeastward from depths of 1500 fathoms near 50° W. to depths of 2200 fathoms near 45° W. Profiles N-1 and N-2 (Fig. 11) cross the Southeast Newfoundland Ridge at about 41.5° N. and 39.5° N. respectively. Profile N-1 is of poor quality, which probably accounts for the lack of fine-textured relief. The Mid-Ocean Canyon is again seen at the eastern end of Profile N-2. Profile W-5 (Pl. 24) crosses the Southeast Newfoundland Ridge from north to south. The similarity of profiles W-5 and W-23 suggests that the Southeast Newfoundland Ridge is an outer ridge of the same kind as the one east of the Blake-Bahama region. The northern one is not so long, and it does not totally enclose a basin. Otherwise, it is quite similar to the outer ridge east of the Bahamas in relative position, size, and surface features. The term Southeast Newfoundland Ridge was proposed by Wüst (1940b; 1943) and the feature has been shown on bathymetric charts (Tolstoy, 1951) and profiles (Emery, 1950). This ridge will be discussed again in connection with the Mid-Ocean Canyon and the ocean-basin floor.

Southern Grand Banks Sector.—Profiles W-4 and W-5 cross the southern tip of the Grand Banks. The shelf break is at 50 fathoms on both profiles. On[Pg 23] Profile W-4 an apparent gradient of 1:25 extends from 200 to about 1000 fathoms where, after some irregularities probably associated with submarine canyons, the gradient drops to 1:40. This lower gradient extends to 1750 fathoms. Profile W-5 is quite similar to W-4 except that a steep initial slope of 1:5, from about 200 fathoms to 650 fathoms, is followed by a gradient of 1:80 which continues to 1000 fathoms. This same terracelike feature is also seen on W-3, W-4, W-5, W-6, W-7, and W-8. Below 1000 fathoms a gradient of about 1:50 is found on profiles W-4, W-5, W-6, W-7, and W-8. Profile W-6 runs south of the Grand Banks through the epicenter of the 1929 Grand Banks earthquake and then south through the area passed over by the 1929 Grand Banks turbidity current (Heezen and Ewing, 1952). The depression marked by the 1150-fathom sounding on the continental slope in Profile W-6 is a canyon running south from the Laurentian Channel. The continental rise is 250 miles wide and has an average gradient of 1:400 over its deepest third. At a depth of 2750 fathoms the gradient abruptly drops to 1:2000, and this marks the northern edge of the Sohm Abyssal Plain.

Figure 12.Laurentian Channel

Profile replotted from NMC echogram

Figure 13.Eastern Channel, Gulf of Maine

Profile replotted from NMC echogram

Laurentian Channel.—Between Nova Scotia and Newfoundland a 60-mile-wide, steep-sided, flat-floored channel cuts across the continental shelf connecting the Gulf of St. Lawrence and the open ocean. The nearly flat, smooth floor of this channel lies at about 230 fathoms depth. Figure 12 shows a cross-section of the Laurentian Channel near its seaward end. The origin and physiography of the channel has been treated by Shepard (1931; 1948); its structure has been reported by Press and Beckmann (1954). The Laurentian Channel continues as a steep-sided, box-shaped feature for more than 500 miles into the Gulf of St. Lawrence.

Scotian Shelf Sector.—The term Scotian Shelf was introduced by Canadian oceanographers and refers to the continental shelf southeast of Nova Scotia from the Laurentian Channel to the Gulf of Maine. This region is illustrated by Profiles W-7, W-8, W-9, W-10, and W-11 which run at slightly different directions,[Pg 24] all starting in the vicinity of Halifax, Nova Scotia. Along the entire Scotian Shelf a series of 120-fathom depressions are located 10 to 80 miles off shore. A nearly continuous bank 20-60 fathoms deep and 10-25 miles wide lies along the seaward edge of the Scotian Shelf. From northeast to southwest this feature is divided by low saddles into Banquereau Bank (20-40 fathoms), Sable Island Bank (0-20 fathoms), Emerald Bank (40-60 fathoms), Lahave Bank (50-60 fathoms), and Browns Bank (20-60 fathoms). These shelf-edge banks culminate in the low, sandy Sable Island which stretches for about 25 miles along the outer edge of the shelf. In profile W-7 the break from the nearly flat shelf to a gradient of 1:50 occurs at 50 fathoms; a second break occurs at 80 fathoms. A gradient of 1:10 is reached at the 150-fathom curve. Profile W-11 is somewhat similar to W-7 in the form of the shelf break. Profiles W-8, W-9, and W-10 show shelf breaks at 50, 60, and 70 fathoms respectively.

The gradient of the continental slope off the Scotian Shelf ranges from 1:10 to 1:25 along the profiles. In profiles W-7, W-8, W-10, and W-11 the 1:25 gradient abruptly decreases to 1:70 at about 700 fathoms; in W-9 the 1:25 gradient continues to almost 2000 fathoms. It is difficult to decide whether to include the 1:40 to 1:60 segments with the continental slope or with the continental rise. However, since we have picked the gradient of 1:40 as the minimum gradient for true continental slopes, these segments fall within the continental rise. The continental rise thus defined averages 160 miles in width off the Scotian Shelf. Gradients are generally greater here than in the continental rise farther south. The "Gully", a large submarine canyon shown on navigational charts, lies about 25 miles east of Sable Island. The submarine canyons of the Scotian Shelf have not been accurately mapped, but the existence of many canyons in this area has been shown by several fathograms obtained in this vicinity. Figure 14 illustrates one sounding profile nearly parallel to the shelf near the "Gully". Several small canyons about 100 fathoms deep occur between 100 and 700 fathoms. Several larger canyons 300-500 fathoms deep and 7-10 miles wide are crossed on the lower continental slope and upper continental rise.

Figure 14.Submarine canyons off the Scotian Shelf

Profile replotted from NMC echogram runs nearly parallel to trend of continental slope near Sable Island. On navigational charts largest canyon is known as the "Gully".

Gulf of Maine Entrance.—Southwest of the Scotian Shelf there is a narrow[Pg 25] gap in the continental shelf similar to the Laurentian Channel. This feature, called either the Northeast Trough (Shepard, 1948) or Eastern Channel of the Gulf of Maine, is 15 miles wide and about 150 fathoms deep; it provides a deep-water entrance to the Gulf of Maine (Fig. 13). The Gulf of Maine is enclosed by Georges Bank off the New England shelf, Cape Cod, and southern Nova Scotia. This entrance has recently been described by Torphy and Zeigler (1957).

Gulf of Maine Interior.—Much of the interior of the Gulf of Maine has been surveyed in exceptional detail by the Coast and Geodetic Survey. The reader is referred to Murray's paper (1947) for a thorough description of the floor of the Gulf of Maine. In general the floor is extremely irregular with several 20- to 40-fathom "hills" per mile. The floor is covered by sediment which transmits sound so readily that the area is noted for exceptionally pronounced sub-bottom reflections from the rock layers beneath the sediment.

Northeastern United States Sector.—From the northeast tip of Georges Bank to Cape Hatteras the continental margin is remarkably uniform in morphologic detail. Profiles W-12 to W-19 differ very little from the type profile off northeastern United States (Fig. 15). The continental shelf and slope in this area are better surveyed than in any other area in the Atlantic. The surveys of the Coast and Geodetic Survey were contoured and described by Veatch and Smith (1939). The sediment studies of Stetson (1936; 1938; 1949) and the seismic studies of Ewing and others (1937 et seq.) make this geologically the best-known shelf and slope in the world. Many large and well-mapped canyons cut the continental slope from Georges Bank to Cape Hatteras. The large submarine canyons off Georges Bank have attracted great interest because of their remoteness from rivers and associated discharges of river sediments.

The continental shelf is 50 to 100 miles wide in this sector. Toward Cape Hatteras the coastal plain widens as the shelf narrows. The combined features are called the "emerged and submerged coastal plain." The gradient of the continental slope ranges from 1:8 to 1:15 and the base of the slope with one exception is at 1150 ± 100 fathoms. The shelf break is at about 50 fathoms on all profiles. On profiles W-12, W-13, W-14, W-15, W-18, and Figure 1 of Plate 4 there is a second break at 75-100 fathoms.

The break between the continental slope and the upper continental rise is abrupt at some places and occupies a distance of 5 to 10 miles in other places (Fig. 16). In each case the gradient of the next lower 30- to 50-mile segment is 1:100.

All profiles from Georges Bank to Cape Hatteras, a span of more than 500 miles, show both an upper and a lower continental rise (Profiles W-13, W-19, and Fig. 15). The uniformity in the continental slope gradient carries over into the continental rise. Both the upper continental rise and the lower continental rise are divided into three segments. The width, gradient, and depths of each of the slope segments are remarkably similar. Representative values based on profiles W-13 to W-19 and Figure 15 are shown in Table 1.

[Pg 26]

Figure 15.Continental margin provinces: Type profile off northeastern United States.

Profile plotted from PDR records. This profile is representative of the sector from Georges Bank to Cape Hatteras.

[Pg 27]

Table 1.Characteristics of the continental rise, northeastern United States sector: representative values of gradient, depth, and width of slope segments
Values measured from profiles W-13 to W-19
Depth
Segment Upper edge Lower edge Gradient Width
Upper continental rise
1 1150 ± 150 1450 ± 200 1:100 ± 20 30 ± 5
2 1450 ± 200 1650 ± 150 1:275 ± 25 40 ± 15
3 1650 ± 150 2150 ± 200 1:90 ± 30 30 ± 15
Lower continental rise
1 2150 ± 200 2350 ± 100 1:250 ± 50 40 ± 10
2 2350 ± 100 2350 ± 100 1:1400 ± 1000 50 ± 20
3 2350 ± 100 2725 ± 100 1:150 ± 30 60 ± 20

The upper continental rise and the lower continental rise are essentially terrace or shelflike features. Each has a relatively steep (1:50-1:200) outer face (segment 3) and a relatively gentle (1:250-1:2000) shelflike surface (segment 2). In each case a slope of intermediate gradient (1:80-1:300) (segment 1) connects the upper shelflike surface with the next higher face. In the case of the upper continental rise the next higher face is the continental slope. Other smaller-scale terracelike features may eventually be correlated along the strike when more data are available. The local relief exceeds 20 fathoms in the deeper parts of segment 3 of the lower continental rise. A range of hills extends for a few hundred miles along the base of the continental rise as indicated on the physiographic province chart (Pl. 20). These hills, known as the lower continental rise hills, are 30-100 fathoms high and each is 1 to 3 miles wide. An echogram (Pl. 3, fig. 4) shows three continental rise hills. The only other part of the continental rise where relief of more than 20 fathoms is generally encountered is in segment 1 of the upper continental rise. The irregularity in this case is probably related to the extensions of numerous continental-slope canyons onto the continental rise. Relief of 5-10 fathoms is almost universal in segments 1 and 2 of the upper continental rise. The echogram reproduced in Figure 1 of Plate 3 shows typical minor-relief features of the upper continental rise. An oblique crossing of a submarine canyon on the upper continental rise is shown in Figure 2 of Plate 3. The smooth topography typical of most of the remainder of the continental rise is well illustrated by the echogram shown in Figure 3 of Plate 3.

The Hudson Submarine Canyon cuts across the continental rise in this sector. A chart contoured by Ivan Tolstoy and the authors from surveys made in 1949 is shown in Plate 2 (Ericson, Ewing, and Heezen, 1951). A series of 30 cross profiles is shown in Figure 17.

[Pg 28]

Figure 16.Tracings of PDR records of continental and insular slopes

The Hudson Canyon, which is more than 500 fathoms deep and 5 miles wide in the continental slope (Upper Gorge), narrows to less than 2 miles and shallows to 50 fathoms at the base of the continental slope. As it cuts across segment 2 of the upper continental rise the canyon gradually deepens. When it cuts into the upper part of segment 3 the canyon deepens to 300 + fathoms, widens to 3 + miles, and forms the Lower Gorge. The canyon gradually narrows and shallows as it cuts across the lower continental rise. It ends near Caryn Peak where sediment cores indicate an extensive delta or submarine alluvial cone. The upper continen[Pg 29]tal rise and the lower continental rise can be tentatively traced northeastward through the Scotian Shelf and Grand Banks sectors. The irregular bench at 2250-2450 fathoms on W-6 and the bench at 2300 fathoms on W-8 and W-11 can probably be referred to segment 2 of the lower continental rise.

Near Cape Hatteras the entire character of the continental margin changes. Benches which were barely discernible farther north widen to form a series of broad steps which resemble a giant staircase descending to the depths of the Atlantic. These benches appear to merge with the benches of the Blake Plateau and Escarpment farther south. However, insufficient profiles exist to permit a firm correlation.[Pg 30]

Figure 17.Cross sections of Hudson Submarine Canyon

Replotted from nonprecision soundings (NMC) made 1949-1950

[Pg 31]
[Pg 32]

Blake Plateau Sector.—This sector is divided into two parts, the northern part from Cape Hatteras to 29° N. (essentially a transition zone) and the southern or main Blake Plateau between 29° N. and the northern edge of the Bahamas at 26° N.

The shelf break lies parallel to the coast, about 60 miles offshore, from just south of Cape Hatteras to Cape Canaveral. The continental slope extends (at a gradient of 1:40) only to depths of 300-400 fathoms where the lower gradients (ca. 1:1000) of the Blake Plateau are found.

The main or southern Blake Plateau is 170 miles wide (east-west) and extends from the latitude of Grand Bahama Island to 30° N. From this point to Cape Hatteras the Blake Plateau narrows and disappears. The Blake Escarpment forms a precipitous drop to abyssal depths along the eastern edge of the plateau. The top of the Blake Escarpment lies at about 550 fathoms, and its base at about 2600 fathoms. The Escarpment is typically formed by two or three distinct slope segments.

An echogram obtained along a track running southeast from Charleston, South Carolina, is reproduced in Figure 1 of Plate 7. The continental shelf extends from the shore at an extremely low gradient to the 25-fathom isobath where a small definite notch marks an increase in gradient to 1:1000. This gradient continues to the 50-fathom isobath where it changes to 1:40. At the 90-fathom curve the gradient increases to 1:120 and continues to 160 fathoms where it finally increases to 1:40. This continental slope drops from 160 fathoms to 280 fathoms where the gradient flattens, and the surface changes from smooth to rough, with hills 10 to 20 fathoms high and half a mile to 1-½ miles wide. These hills, which extend for 4-6 miles along the profile, directly underlie the Gulf Stream.

For 50 miles seaward of these hills the ocean floor is irregular between 230 and 300 fathoms. At 90 miles from shore five eastward-facing scarps 10-20 fathoms high form a striking contrast to the generally smooth, gently rolling topography. At 300 fathoms the gradient increases to 1:200, and the sea floor drops for the next 24 miles to 400 fathoms where a few small hills are associated with a drop in the gradient to 1:1000. Southeast of this point the bottom is smooth until at a depth of 430 fathoms a steep scarp drops abruptly 30 fathoms to form a mile-wide depression 20-30 fathoms deep. The southeast side of this feature rises to 445 fathoms, and southeastward of a few 5-fathom scarps the surface of the Blake Plateau becomes smooth.

REPRESENTATIVE PDR RECORDS FROM CONTINENTAL RISE OF NORTHEASTERN UNITED STATES

PDR RECORDS FROM CONTINENTAL SLOPE AND BLAKE PLATEAU

The positions of all echo-sounding records are shown in Plate 30. Depth in fathoms.

PDR RECORDS FROM OUTER RIDGE EAST OF THE BLAKE PLATEAU AND FROM THE BLAKE-BAHAMA ABYSSAL PLAIN

Depth in fathoms: The outgoing "pings" as well as "scattering layers" are recorded in the 0-400 fathom scale range; the bottom topography may lie within the range of any multiple of 400 fathoms. The depth scales indicated on the plates refer to the profiles of bottom topography. For example—Figure 1 of Plate 5 shows a 300 fathom deep "scattering layer" over which the bottom profile has been superimposed.

PDR RECORD OF OUTER RIDGE SHOWING SUB-BOTTOM HORIZON

One 3 millisecond ping was transmitted and received once each second. Depth in fathoms.

[Pg 33]

The same general succession of topographic features is shown in a echogram (Pl. 7, fig. 2) taken along a southeast-northwest line east of Daytona Beach, Florida. The small definite notch at 26 fathoms is present, but a significant difference between the two echograms is seen between 90 and 300 fathoms. On the Charleston profile a steep 1:40 gradient slope marks this depth range, while, on the Daytona Beach profile, the gradient is relatively gentle (1:180); small but probably significant benches are found at 225, 270, 290, 375, and 385 fathoms. Both profiles have the same characteristic rugged 5- to 15-fathom hills at 400 fathoms at a point underlying the Gulf Stream. On the Charleston profile a broad, gently fractured arch separates the continental slope from the smooth outer part of the Blake Plateau. The small, sharp-crested hills noted on the Daytona Beach and Charleston profiles are also found at the north end of the Straits of Florida (Pl. 4, fig. 2).

Blake Escarpment.—Profiles W-23, W-24, and W-25 and Figure 18 illustrate the form of the Blake Escarpment. The outer edge of the Blake Plateau abruptly breaks off at about 600 fathoms. Here gradients increase to 1:30. This segment continues with a few minor breaks to a depth of 1200 to 1500 fathoms where a narrow bench or at least a major break in slope occurs. Below this bench the escarpment drops so steeply that only a few side echoes are recorded. The gradient here exceeds 1:2 in several profiles. At 2400 fathoms there is in places another narrow bench, but on other profiles the abyssal plain of the floor of the Blake-Bahama Basin lies directly at the foot of the steepest segment. A peculiar fact is that along many east-west cross sections the deepest point in the basin lies directly at the foot of the escarpment. A similar deepening adjacent to the Campeche and West Florida escarpments in the Gulf of Mexico has been reported (Ewing, Ericson, Heezen, 1958).

Antilles Outer Ridge.—South of Cape Hatteras a ridge ranging in width from 60 to 200 miles lies about 100 miles east of the Blake Escarpment and the Bahama Banks. The ridge has two parallel crests 100 miles apart which both plunge to the south. At 30°N. the crests average about 1600 fathoms in depth, but at 25°N. they are 2750 fathoms, a drop of nearly 1000 fathoms in 300 miles. The smooth rolling topography of the ridge between Cape Hatteras and 24°N. resembles the continental rise off New York or, in some areas, the somewhat stronger relief of the Bermuda Plateau of the central Bermuda Rise (Pl. 5, figs. 1, 2).

South of 24°N. and in the vicinity of Hispaniola the ridge is poorly known and difficult to study because of its low relief and the large errors in most nonprecision soundings taken in such a great depth of water. North of Puerto Rico the outer ridge appears as a clearly defined feature between the Puerto Rico Trench on the south and the Nares Abyssal Plain on the north. Again there are two parallel crests 60 miles apart marked by low relief of 20 to 100 fathoms at a depth of 2750 fathoms.

The Antilles Outer Ridge, continuing to the east, merges with the Lower Step of the Mid-Atlantic Ridge. But more probably it skirts the Lesser Antilles to join the continental rise off South America. The crest zone is covered by Globigerina ooze in the north and red clay in the south; it is isolated from the silty clays of the continental slope except on its northwest flank. Sub-bottom echoes appear on fathograms taken across the outer ridge. Data suggest that a prominent 8- to 10-fathom sub-bottom interface extends over the outer ridge between San Salvador and 30°N. (Pl. 6).

Bahamas Sector.—The Bahamas sector can be divided into two parts: (1)[Pg 34] the broad (200 miles wide) northern area dominated by broad, shallow banks broken by relatively narrow, deep (ca. 1000 fathoms) tongues or channels; (2) the narrow southeastern part where the banks decrease in area and the tongues deepen (to 2200 fathoms) and widen. This southeastern part tapers to the east in the direction of the Puerto Rico Trench. The southeast tip of this area is formed by Navidad Bank, whose eastern slopes drop to the floor of the Puerto Rico Trench.

Figure 18.Tracing of PDR record of Blake Escarpment

No soundings were recorded between 1600 and 2400 fathoms, a common difficulty on this precipitous escarpment. Note how Blake-Bahama Abyssal Plain slopes toward the base of the escarpment.

[Pg 35]

The Bahama Banks appear to consist of a slab superimposed on the same surface which forms the Blake Plateau. The Blake Escarpment merges with the lower part of the eastern slope of the Bahamas. The slopes of the Bahamas are precipitous; gradients are of the order of 1:4 to 1:8. Vertical cliffs, which lie just below the 50-fathom curve, have been reported by lead soundings (Armstrong, 1953). The Tongue of the Ocean and the Northeast and Northwest Providence channels form a network of submarine canyons (Hess, 1933). The floor of this canyon system has a continuous down-slope gradient to the floor of the Blake-Bahama Basin. Sediment cores from the floor of the Blake-Bahama Basin (2525 fathoms) (Ericson, Ewing, and Heezen, 1952) contained thick (1-3 m) beds of graded calcareous sand. The steep slopes of the Bahamas are generally rocky,[Pg 36] and cores here reveal a variety of Tertiary and Cretaceous sediments. Exuma Sound also is linked by submarine canyons to the Blake-Bahama Basin. The graded calcareous sands of the Blake-Bahama Basin were probably carried through this submarine canyon system by turbidity currents. The topographic benches of Exuma Sound have been described by Lee (1951).

The southeastern Bahamas from Great Inagua to Navidad Bank consist of more numerous isolated banks and greater expanses of ocean floor in the depth range of 1700-2400 fathoms. The basins behind the southern Bahamas lie below the sill depth between the line of banks. Thus an abyssal plain lies entrapped in the Hispaniola-Caicos Channel and the southeastern portion of the Old Bahama Channel. Profile W-29 (Pl. 24) shows much irregular relief between 1000 and 1500 fathoms.

Puerto Rico Trench Sector.—With the disappearance of the Bahama Banks at the eastern edge of Navidad Bank, the continental margin assumes its third mode of expression: the marginal trench-outer ridge complex. The outer ridge, which nearly disappeared in the southeastern Bahama sector, again becomes a prominent feature. The last traces of the marginal plateau merge with the continental slope of Hispaniola and Puerto Rico. The Puerto Rico Trench develops rapidly east of Navidad Bank; it lies between the outer ridge and the continental slope or landward trench slope of the Greater Antilles. The relief of the outer ridge is somewhat greater than that observed on the outer ridge farther northwest near the Blake Plateau. The floor of the Puerto Rico Trench is divided into two parts by a longitudinal ridge. The deepest parts of both are floored by nearly level trench plains. The deeper one on the outer or northern side maintains a nearly constant depth at 4358 fathoms (4585 fathoms corrected) for 150 miles (Ewing and Heezen, 1955). The southern or inner trench is more variable in depth, and the trench plain lies intermittently along its length. Its depth ranges from 3600 to 4300 fathoms (uncorrected). The walls of the Puerto Rico Trench are formed by a series of extremely steep segments which show a remarkable persistence along the trench. Profiles W-32 and W-33 illustrate the typical trench profile north of Puerto Rico. Breaks in slope are observed at 700 fathoms and at 1500 fathoms; at 2000 fathoms the gradient steepens to > 1:6. In this region all soundings are side echoes. The outer or seaward wall of the trench is also characterized by a succession of laterally persistent slope segments. A bench at 3800 fathoms at the top of a scarp which drops to the bottom of the trench is characteristic of several profiles.

Anegada Passage.—The Virgin Islands Bank extends 30 miles east of Puerto Rico along the south side of the Puerto Rico Trench. Between the Virgin Islands Bank and St. Croix a deep passage cuts through from the Atlantic to the Caribbean. This deep passage is 130 miles long and runs along an e-ne-w-sw line. Its walls are extremely steep (9°-43°) (Frassetto and Northrop, 1957). The structure of this feature has been studied by Shurbet and Worzel (1957) and by J. Ewing et al. (1957).

Heezen et al., PL. 7
TRACINGS OF PDR RECORDS ACROSS CONTINENTAL SLOPE AND PART OF THE BLAKE PLATEAU

SOUTHWESTERN EUROPE AND NORTHWEST AFRICA: The continental margin of[Pg 37] Europe and Africa is illustrated in Plate 25 by only 23 profiles, and therefore our description of this area cannot be as detailed as that for North America. For purposes of description we have broken the area into four sectors of contrasting type: (1) the Anglo-French sector: (2) the Iberian sector; (3) the Gibraltar sector; and (4) the North African sector. In all but the three profiles in the Gibraltar sector there is a well-defined continental shelf. The continental slope is everywhere present but ranges widely in height and gradient. The continental rise is extremely well developed off Africa but virtually absent in the Bay of Biscay. Abyssal plains are shown on almost every profile, but their depth ranges from 2550 to 3075 fathoms, and their width from 50 to 250 miles.

Anglo French Sector.—Profiles E-1, E-2, and E-3 are representative of the Anglo-French sector which extends from 45° N. to 60° N. Only the southern part of this sector is shown on the physiographic diagram. The continental slope is broken by a prominent bench or marginal plateau at 1000-1200 fathoms. The northwest corner of the physiographic diagram south to 42° N. is included in Hill's (1956) contour chart. According to this chart the prominent 1200-fathom bench extends for more than 900 miles along the continental margin from 45° to 60° North Latitude.

The continental slope from the shelf break to the prominent bench exhibits smaller benches and changes in slope, many of which probably will be correlatable when more profiles are obtained in this region. The general gradient of this portion of the slope ranges from 1:10 to 1:30. On the bench individual slope segments range from 1:40 to 1:80. Below the bench the sea floor drops from 1500 to 2100 fathoms at gradients of 1:15 to 1:30.

In profiles E-1 and E-3 a narrow continental rise about 70 miles wide with gradients of 1:250 to 1:800 lies at the foot of the continental slope. This narrow continental rise (Pl. 8, fig. 1) gives away to a 60-mile-wide abyssal plain at about 2500 fathoms depth (Pl. 8, fig. 3). Abyssal-plain gradients are about 1:2000 in this region. Toward the southeast corner of the Bay of Biscay the 1000- to 1200-fathom bench disappears (Fig. 16b); the continental rise and continental shelf narrow to 30 miles. We have only two profiles off the north coast of Iberia, but Hill's (1956) chart suggests that the slope is relatively steep with some prominent benches, and that the continental shelf and continental rise narrow to 10 to 15 miles in width. The prominent Cape Breton Submarine Canyon lies at the southeast corner of the Bay of Biscay (Bourcart, 1949).

Iberian Sector.—This sector was described by De Andrade (1937) on the basis of a large number of discrete soundings by the Portuguese Hydrographic Service. Relatively few echo-sounding profiles are available for the area, and little more can be added to De Andrade's description. The shelf in most places is less than 20 miles in width. The few echo-sounding profiles available indicate several prominent benches on the continental slope. Exceptionally large submarine canyons occur off Cape St. Vincent, Setúbal, Lisbon (2), and Nazaré. Preliminary investigations by the Lamont Geological Observatory indicate that Tertiary sediments outcrop on the walls of Lisbon and Setúbal canyons (Sutton[Pg 38] et al., 1957). Tertiary sediments have also been obtained by dredging and cable grappling along the continental slope of northwest Iberia (Wiseman and Ovey, 1950).

Gibraltar Sector.—The continental margin in this sector is unique. The straits cut through at about 200 fathoms so that profiles through the straits show no continental shelf. A typical abrupt continental slope is also absent since only locally do slope segments have gradients exceeding 1:45. A series of prominent benches is seen in the sector from profile E-7 to E-10.

The dominant bench levels in this sector are 300, 600, 850, 1300, 1700, and 2100 fathoms. Insufficient profiles and dredgings are available in this area to permit the correlation and dating of these benches. Photographs in the area show sandy and rocky bottom, and thus dredging in this area might yield rich rewards in ancient sediments. The benches are so prominent that a detailed study of the topography should be equally rewarding. Of particular interest is the manner in which the broad benches in the Gibraltar area merge with the smaller benches and breaks in slope of the steep continental slopes of Portugal and Algeria. The topography in this sector most closely resembles that of the northern Blake Plateau (profiles W-21, W-22) and the northern part of the Anglo-French sector. In all these areas many benches are developed, and steep slopes are only locally developed.

Northwest African Sector.—The continental margin from northwest Morocco to Dakar is remarkably uniform and rather closely resembles the northeastern United States sector. The continental shelf and slope are well developed (Fig. 19). The shelf is 15 to 70 miles in width and thus is somewhat narrower than either the North American shelf or the Anglo-French shelf. The shelf break ranges from 50 to 80 fathoms. The continental-slope gradients range from 1:15 to 1:40 and are thus somewhat less steep than in the American sectors. Prominent benches are common at 300, 600, 850, 1200, and 1600 fathoms. The continental rise is well developed and is compound. The main contrast between the North African and American sectors is the greater width of the African continental rise. Off northeastern United States a line of isolated volcanic peaks cuts across the continental rise and abyssal plain. In the North African continental margin volcanic peaks are larger, more numerous, and lie in coalescing lines or along ridges. The Cape Verde and Canary groups lie in the continental rise near the outer edge of the upper continental rise. All provinces except the continental shelf widen from Gibraltar southward toward Cape Verde.

On profile E-11 off Casablanca the distance from the shelf break to the lower continental rise is only 50 miles as compared with a similar measurement of 500 miles at Cape Verde. Off Casablanca the continental slope extends to 1400 fathoms where the gradient drops to less than 1:40 from 1:10-1:20 on the continental slope. The upper continental rise which widens to more than 100 miles farther south is only poorly developed off Morocco. No other deep-sea echo-sounding profiles are available for the Moroccan continental margin. Surveys of the continental slope made by the French Hydrographic Service during the past few years will, when published in full, undoubtedly provide much valuable information on the topographic benches in this important area (Grousson, 1957).

PDR RECORDS EUROPEAN CONTINENTAL RISE AND BISCAY ABYSSAL PLAIN

Depth in fathoms.

PDR RECORD OF ABYSSAL HILLS, SOUTHEAST OF BERMUDA RISE

Note sub-bottom echos from beneath intermontane basin floor. Depth in fathoms.

[Pg 39]

Area of each photograph is about 6 by 8 feet.

Plate 11.OCEAN-BOTTOM PHOTOGRAPHS ON THE CONTINENTAL MARGIN AND OCEAN-BASIN FLOOR

Figure 1. (Station T1-3, photo 27) Depth 260 fathoms, location 47° 42´N., 07° 34´W., just below shelf break west of St. Nazaire, France. Note small ripples which appear to be superimposed on larger ripples.

Figure 2. (Station T1-3, photo 7) Depth 285 fathoms, location several hundred feet from photograph in Figure 1. Note holothurians and solitary coral attached to rocks. Ripple marks are less prominent than in Figure 1.

Figure 3. (Stations T1-16, photo 28) Depth 2600 fathoms, location 46° 50´N., 11° 25´W., northern part of Biscay Abyssal Plain. Note tracks of bottom crawlers, and the prominent conical mounds, each with a central hole.

Figure 4. (Station T1-18, photo 29) Depth 2650 fathoms, location 43° 56´N., 11° 12´W., southern part of Biscay Abyssal Plain. Note meandering ridge made by subsurface burrower. Note also starfish, upper left, and quantity of fecal pellets and holes in the bottom.

Figure 5. (Station T1-20, photo 53) Depth 2850 fathoms, location 42° 18´N., 14° 47´W., northeastern part of Iberia Abyssal Plain. Note holes with converging tracks and large mound in upper right.

Figure 6. (Station T1-58, photo 14) Depth 3072 fathoms, location 29° 17´N., 57° 23´W., Abyssal Hills southeast of Bermuda Rise. The round objects are manganese nodules. Note shark's tooth in lower right. Note also small holes indicating bottom dwellers, and meandering raised ridge of sub-bottom burrower. Of particular interest are the small moats surrounding many of the nodules; they are probably scour marks caused by bottom currents. These currents must be very gentle since none of the nodules seems to show evidence of recent rolling.

Positions of stations shown on Plate 30.

Profile E-12 passes from the African coast between Fuerteventura and Gran Canary toward the northeast. Here the continental slope extends only to 1000 fathoms. The Canary Islands rise abruptly from the continental rise. Except for gradients of the order of 1:15 on the steep slopes of these volcanic islands the gradients of the continental rise are 1:300-1:1000.

Profiles E-13 and E-14 end on the east near Gran Canary and thus do not show most of the upper continental rise. They do show the remarkably wide and nearly level lower continental rise which reaches a width of more than 500 miles.

Profiles E-15 and E-16 lie off Spanish Sahara. In both profiles the gradient is 1:10 to 1:20 between the 50-fathom shelf break and a bench at 300-500 fathoms. In both profiles the gradient drops below 1:40 at about 1200 fathoms. Both profiles show numerous prominent benches on the continental slope. The upper continental rise with gradients of 1:350-1:1200 extends to the western limit of the profiles.

In profiles E-17 and E-18 the continental slope becomes gentler, and only in the upper 500 fathoms of E-18 does the gradient exceed 1:25. The upper continental rise is about 60 miles wide with depths predominantly about 1600 fathoms, and the lower continental rise lies at about 2100 fathoms and is very smooth.

Figure 19.Continental-margin provinces: Type profiles off Northwest Africa

[Pg 40]
[Pg 41]

Profiles E-19, E-20, and E-21 cross the continental margin off Dakar and the Cape Verde Plateau which rises from the lower continental rise. The Cape Verde Plateau consists largely of the coalescing bases of the volcanic Cape Verde Islands. The lower continental rise and the abyssal plain reach their maximum width at this latitude. The width of the ocean, the width of the Mid-Atlantic Ridge, the width of the abyssal hills, and the depth at the axis of maximum depth all reach their maximum values for the North Atlantic at this point. The characteristics of the continental rise in this sector are listed in Table 2. The reliability of these figures is much poorer than those given for northeastern United States, owing to the smaller number of profiles in this sector.

Table 2.General characteristics of the continental rise northwest Africa Sector
Values measured from Profiles E-11 to E-21
Depth
Segment Upper edge Lower edge Gradient Width
Upper continental rise
1 1200 ± 200 1500 ± 200 1:90   ±  30  30 ± 10?
2 1500 ± 200 1600 ± 200 1:200  ± 100  30 ± 15?
3 1600 ± 200 1800 ± 100 1:100  ±  50  25 ± 15?
Lower continental rise
1 1800 ± 100 2000 ± 100 1:400  ± 200  75 ± 50
2 2000 ± 100 2000 ± 100 1:1500 ± 500 150 ± 50
3 2000 ± 100 2700 ± 100 1:500  ± 200 200 ± 50
Abyssal plain 2700 ± 100 3000 ±  75 1:1250 ± 250 200 ± 50

A famous submarine canyon, the Fosse de Cayar, lies just north of Cape Verde. Other submarine canyons are certainly present in the sector since any profile parallel to the strike of the topography reveals large irregularities probably related to canyons. Echograms (Pls. 9, 13) taken in the continental rise in this sector show distinct contrasts in the topographic detail of the sea floor. The rugged topography of the abyssal hills (Pl. 9, fig. 4) contrasts sharply with the nearly flat, extremely smooth abyssal plain. (Pl. 9, fig. 3). The continental rise is nowhere so smooth nor so flat as the abyssal plain. The continental rise ranges from 10- to 20-fathom rolling hills 5-10 miles in width to 2- to 5-fathom hills a few hundred feet across (Fig. 19). At the seaward edge of the abyssal plain the echo sounder penetrates the bottom to reveal interfaces 5-20 fathoms below (Pl. 13, Fig. 4). Sub-bottom penetration of 5-15 fathoms is occasionally encountered on the continental rise on local topographic highs. Lower continental-rise hills of the type observed off eastern United States have not been observed off Africa.

BENCHES AND TERRACES OF THE CONTINENTAL MARGIN

The topography of the continental margin provinces is divided into a series of benches or terraces. The largest are the continental shelf and slope (continental terrace) and the upper and lower continental rise. Superimposed on each of these major features is a series of smaller benches and terraces which range from features a few miles wide to simple breaks in the gradient of the continental slope.

Many of these features can be traced for hundreds of miles (Heezen et al., in press); some are intermittent, others change in depth with distance along the shelf; still others are only locally developed. We can propose at least four possible[Pg 42] origins for terraces or benches: (1) ancient shore features; (2) structural (or rock) benching; (3) block faulting; and (4) landslide or slump scars.

The submerged terraces within a few hundred feet below present sea level can probably best be explained as ancient beaches formed during the lower sea levels of the Pleistocene. The fact that the same levels are found along coasts of diverse geology and tectonic development supports the eustatic origin of terraces between sea level and 70-100 fathoms. The gradients of the continental shelf are so low and the benches are so persistent that block faulting and slump scars are excluded as general explanations. The benches of the continental slope extend to depths of 1500 fathoms and vary in depth from point to point along the continental slope. These cannot be Pleistocene eustatic levels unless we consider that they were formed prior to recent large crustal deformations. Again the persistence of the benches for many miles argues against a fault-scarp or slump-scar hypothesis. Thus, while the benches of the continental shelf are probably ancient beaches, particularly those traced at the same depth for thousands of miles, the benches of the continental slope are probably rock benches, while some may represent step faulting.

SUBMERGED BEACHES ON THE CONTINENTAL SHELF: In Table 3 the depths of terraces or persistent levels of the continental shelf are listed for selected points in the North Atlantic. There is a remarkable uniformity in these data; the same levels are found near Newfoundland, in Florida, and on oceanic islands far from the glaciated areas.

On the basis of data obtained in the North Atlantic it is not possible to date the different terraces, but probably most were formed in the period between 12,000 and 5,000 years B.P. when the sea rose in consequence of the melting of the Wisconsin glaciers. Coring and dredging on these submerged ancient beaches could probably produce material datable by the radiocarbon method.

TABLE 3.Depth (in fathoms) of prominent continental-shelf terraces
Each column based on only one nonprecision echogram
Pla­cen­tia Bay, Nfd. St. John's, Nfd. Nor­folk, Va. Charles­ton, S. C. Bim­i­ni, B.W.I. Mi­ami, Fla. Bar­ba­dos, B.W.I. St. Vin­cent, C.V.I. Da­kar North Da­kar South
10 12 10  8 10  8 10
15 15 15
20 18 20 20 18 20 20
25 24
30 30 28 30 28 28
35 38 35 35 32
40 38 38 38
42 45 42 45 42 45
50 50
55 55 58 56 54 55 55
68 65 68 65 60
72 76 72
80 80 80 80 85 81 80 78
[Pg 43]

Continental Margin Benches: On each profile across the continental margin is a series of benches and changes in gradient which range from the shelf break to slight changes in gradient on the continental slope.

If a field geologist enters a new area of sedimentary rocks where road cuts do not exist he invariably goes to the stream valleys, and here he gets his first and best view of the geologic section. The stream's gradient is adjusted to the resistance of the rocks over which it cuts, and the form of the valley-side slopes reveals the nature of the underlying rocks even if they are grassed over.

This obvious field method had never been fully applied to the continental margin. Stetson (1936) dredged in the canyons of Georges Bank, and his hauls included Cretaceous sandstones and Tertiary marls and green sands. He concluded that the canyons had been cut deep into the continental margin to expose the underlying Cretaceous rocks, but he considered the continental slope the product of depositional processes.

However Upham (1894) had suggested that the continental slope formed a continuous outcrop of Tertiary and Cretaceous sediments from Newfoundland to Florida, a suggestion the writers consider quite probable. That is to say, an analogy can be made between the continental slope and one face of the Grand Canyon or to an erosional escarpment bounding a high mesa or plateau like the Book Cliffs of Utah and Colorado.

Only a few areas of the world are sufficiently well sounded to provide data for a study of structural benches. One cannot expect to see identical structural benches in each profile even across a slope composed of a laterally uniform series of horizontal beds of contrasting lithologies. The exact mode of erosion, the local system of jointing, and chance variations in a number of other variables make it necessary to have a large number of closely spaced, accurately located profiles. We are fortunate that the Coast and Geodetic Survey has surveyed virtually the entire continental slope from Georges Bank to Norfolk, Virginia. Almost all these sounding lines are run at right angles to the strike of the topography and are thus suitable for analysis of structural benches. In this same area the dredgings of Stetson (1936) on Georges Bank and the Esso Hatteras Light test provide us with information on the stratigraphy of the sediments which form the continental shelf and slope. The seismic work of Ewing and collaborators (1937 et seq.) provides us with further information on the dips and on the depths of a number of sedimentary rock series of contrasting lithology.

Fishermen began finding fossiliferous rocks on Georges Bank well over a century ago. They were not particularly pleased to obtain rocks instead of fish and generally threw the accursed rocks back into the sea. Some curious fishermen brought a few of the rocks to shore, however, and in time some of these were received by the museums (Upham, 1894; Dahl, 1925). These rocks contain Tertiary and Cretaceous fossils. The depths and positions of recovery of the rocks were generally unknown to the museums, and no clear idea could be gained of the exact occurrence of this material. Stetson (1936; 1949) conducted a series of scientific dredging operations in the Georges Bank area. His aim was to recover more of these older rocks from known depth ranges and positions.

[Pg 44]

He concluded that the older rocks outcrop only in the submarine canyons. He found no consistent depth ranges for the series of Miocene and Upper Cretaceous rocks obtained.

Figure 20.Georges Bank canyons

Chart shows position of sounding lines and dredge hauls used to construct projected profile and inferred geologic section shown in Figure 21 (a). Sounding lines from Coast and Geodetic Survey Chart 1313.

In the Georges Bank area a series of prominent benches continues along the continental slope. If these are structural benches we should be able to trace them up the canyons and thus determine the dip of the formations. If the benches are the result of step faulting or landslide scars they would not extend up the canyons. In order to test these alternatives, a series of profiles has been plotted from the surveys of the Coast and Geodetic Survey. A line was drawn which paralleled most of the contours of the continental slope for 20 miles or more (Fig. 20). A second line was drawn at right angles to this first strike line. All sounding lines in the area were projected to this second dip line along lines parallel to the strike line, and plotted as a composite projected profile (Fig. 21). If the first line was essentially the strike of rock layers then we should be able to determine the dip[Pg 45] of the beds by picking the successive benches as they occur on successive profiles across the canyon. In Figure 21 the results of the analysis of Oceanographer and Hydrographer canyons are presented. The dredge hauls by Stetson (1949) have also been projected on this profile. We see that a major bench occurs at A which passes below the hauls in which fossiliferous Navarro (Upper Cretaceous) was obtained and through the upper limit of the hauls where Matawan (Upper Cretaceous) was obtained. Thus if this horizon or one closely parallel to it is the Navarro-Matawan contract, the apparent discrepancies of the depth ranges of Stetson's dredge hauls are explained. Much more important to the present study is the dating of a prominent structural bench.

Figure 21.Two projected profiles of Georges Bank canyons

Location of soundings for profile (a) shown in Figure 20. Soundings projected along strike to construct profile. Soundings for both profiles taken from Coast and Geodetic Survey Chart 1313.

[Pg 46]

Figure 22.Geologic section at Cape Hatteras, Virginia

Well logs from Swain (1947) and Spangler (1950). Four sounding profiles made by R. V. Atlantis are projected to profile. Note that resistant formations form prominent structural benches on continental slope.

The Esso Hatteras Light No. 1 test encountered crystalline rock at 1640 fathoms depth, beneath Lower Cretaceous strata (Spangler, 1950). The several holes drilled in the vicinity revealed remarkably constant dips over a wide area. This is in fact true of the whole coastal plain. Since the Hatteras well is only 17 miles from the continental slope, it seems reasonable to project the dips to the continental slope. We can then observe whether prominent benches on the continental slope correlate with resistant strata in the well. We find (Fig. 22) that they do. In the area between Cape Hatteras and Nova Scotia several cores have revealed reworked Eocene, Miocene, and Cretaceous Foraminifera. In 1947 Northrop and Heezen (1951) obtained a photograph and a core at 500 fathoms on the continental slope. The core contained Eocene (Jackson) sediments, and[Pg 47] the photograph showed a rock ledge below the marl sampled. Although sediment cores, particularly those of reworked material, do not provide as reliable information as dredge hauls, this outcrop of un-reworked Eocene may also be used in dating the structural benches of the continental slope.

The structural benches between Cape Hatteras and Cape May are remarkably uniform and persistent (Fig. 23). On the basis of the extrapolation shown in Figure 22, the structural benches in this area have been correlated with the formations encountered in the Hatteras well. North of Cape May a major angular unconformity separates the late Tertiary and Cretaceous formations. Eocene has not been found north of Nantucket. Upper Cretaceous has been found at about 400 fathoms off Georges Bank (Fig. 21), and Lower Cretaceous has been dredged at 200 fathoms off Banquereau Bank, Nova Scotia.

Between 1945 and 1950 workers on the Atlantis made several sounding profiles east of Georgia, North Carolina, and South Carolina. Each crossed the precipitous Blake Escarpment. It was quite clear that no sediment could be accumulating on such a steep escarpment and that beds of ancient sediments and perhaps crystalline rocks must outcrop on the escarpment. In 1949 and 1950 a few cores were taken on the escarpment which encountered Miocene and Eocene sediments in depths of 500-800 fathoms (Ericson, Ewing, and Heezen, 1952). The marked similarity of all topographic profiles further supported the view that the escarpment was formed by the outcrop of an orderly sequence of horizontal sedimentary rock layers. With this specific problem in mind a cruise was made to the Blake-Bahama area on the research vessel Atlantis, in 1951. More than 50 cores were obtained. Sediments of Recent to Upper Cretaceous age were obtained on the Blake Escarpment and from the steep walls of the Bahama Channels (Ericson, Ewing, and Heezen, 1952). Seismic-refraction work by Katz and[Pg 48] Ewing (1955) and Nafe et al. (unpublished) and reflection work by Ewing and Landisman (unpublished) have revealed that distinct seismic interfaces can be traced into the structural benches on the Blake Escarpment. The ancient sediments from the Blake Escarpment and the log of the Andros well allow the dating of some of these formation contacts. At present the most prominent bench at 1200-1500 fathoms appears to mark the base of the Upper Cretaceous. Dredging and further coring on the Blake Escarpment below 1400 fathoms is one of the most promising projects of its type despite the great difficulties involved.

Figure 23.Correlation of structural benches off northeast United States

Soundings by Coast and Geodetic Survey; 35° 30´N.-38° 30´N.

[Pg 49]

Lee (1951), who made a topographic study of Exuma Sound, Bahamas, traced several prominent benches through 51 cross sections of the sound.

Figure 24.Geologic section: Western Europe based on refraction measurements

Data from Day et al. (1956) and Hill (1957). Geologic ages are those assigned by Day on the basis of velocity; they are not based on dredging or drilling.

Seismic-refraction profiles have been made across the continental slope southwest from the English Channel. These studies were initiated by Bullard and Gaskell (1941) and have been most recently reported on by Day et al. (1956). The seismic section of Day et al. (1956) (Fig. 24) suggests that the prominent bench at 1600 fathoms and the short but steep scarp just below represent the outcrop of the metamorphic basement on the continental slope. It is postulated that the prominent bench at 900 fathoms may represent the base of the Mesozoic, and the smaller bench at 300 fathoms the base of the Miocene. Tertiary sediments have been obtained from the walls of canyons in the Bay of Biscay in depths down to about 1500 fathoms (Bourcart and Marie, 1951). The age assignments in Figure 24 are taken directly from Day et al. (1956) and have not been confirmed by dredging on the continental slope.

The writers conclude that the majority of the topographic benches of the[Pg 50] continental slope and other category II provinces are structural benches which reflect the outcrop of resistant rock layers. This of course implies that the continental slope is not a simple depositional feature but a structural or erosional one. Since the structural benches are present both in the canyons and on the un-dissected slope, the occurrence of Tertiary and Cretaceous rocks on the continental slope cannot be explained by erosion of submarine canyons into an otherwise depositional terrace in the manner implied by Stetson (1949).

The existence of such persistent benches implies that the entire width of the category II provinces must be at most only thinly covered by recent sediments. Since the discovery of the great importance of turbidity currents and the relatively low slopes necessary for their occurrence, it has been a great puzzle to the writers how sediments could be permanently deposited on the present continental slope. The answer is simply that they are not. In addition to the turbidity currents which provide a mechanism for the seaward transport of sediment down the continental margin, deep-ocean currents probably sort and transport much sediment along a course parallel to the continental slope. It has recently been demonstrated (Swallow and Worthington, 1957) that velocities of 10-20 cm/sec are attained by ocean currents which flow parallel to the continental slope. The particular measurement referred to was made at 1600 fathoms on the continental slope south of Cape Hatteras where a 17 cm/sec southward-moving current was observed. The strong current is not a local phenomenon since it was found in the South Atlantic by Wüst (1935) and is predicted by theories of ocean circulation (Stommel, 1957). Photographs of ripple marks on the continental slope (See for instance Fig. 13 in Elmendorf and Heezen, 1957) had indicated high velocities, but it was not possible to distinguish between a current and an oscillatory origin. The total effect of slides, slumps, turbidity currents, and strong ocean-bottom currents is the removal of most of the unconsolidated Recent sediments from the continental slope.

The deposition of a series of Mesozoic and Tertiary sediments on the subsiding margin of the continental block has produced a wedge of sedimentary rock largely of shallow marine facies. Each successive strata laid down on the shelf was abruptly terminated at the shelf break by the processes of erosion which continuously or periodically clear the unconsolidated sediment from the continental slope. Deposition on the shelf was interrupted by several marine regressions which produced unconformities in the stratigraphic sequence. Nafe and Drake (1957) observed that the increase of seismic velocity with depth and therefore the increase in compaction with depth is more rapid on the continental shelf than in the deep sea. This is probably in part the result of erosion of previously deposited sediments and sedimentary rocks along the unconformities and in part the result of ground-water cementation during periods of emergence.

Each unconformity should mark a lithologic change and consequently a change in the resistance to erosion of the rock series. Many structural benches may indicate surfaces of unconformity. The most recent unconformity in the sequence lies between the surface of the emerged Wisconsin continental shelf and the overlying post-glacial shelf sediments.

[Pg 51]

The shelf break is defined as the most prominent break in slope between the continental shelf and continental slope. The most prominent break may locally be a Pliocene or Miocene structural bench, but elsewhere late Pleistocene or Recent strata may form the shelf break. Rates of subsidence, erosion, and sediment supply vary from place to place along the continental shelf, and the lack of conformity either in depth or in age of the shelf break is thus easily explained.

The deeper structure of the continental margin indicates a fundamental structural discontinuity at the base of the continental slope (category II provinces). It would seem a small extrapolation to attribute a fault origin to the continental slope. Although faulting may have played a large part in the earliest history of the category II provinces, alternate periods of sedimentation and marine planation on the continental shelf and long-continued erosion by slumps, turbidity currents, and deep-sea currents on the continental slope, together with a general subsidence of the area, could have alone produced the characteristic form of the continental terrace.

Further work on structural benches co-ordinated with a study of ancient sediments from dredges and cores should enable us to draw a geologic map of the continental slope of eastern United States and Europe (Heezen et al., in preparation).

GEOLOGY AND GEOPHYSICS OF CONTINENTAL MARGIN PHYSIOGRAPHIC PROVINCES

Seismicity of the continental-margin provinces.—Plate 29 shows the distribution of epicenters in the North Atlantic. Except in the Puerto Rico Trench and the adjacent Antilles Arc, earthquakes are exceedingly rare in the continental-margin provinces of the North Atlantic. From the Bahamas through the Grand Banks the only earthquakes reported since 1910 are two near the Laurentian Channel. In the eastern Atlantic an earthquake belt crosses the continental margin near Gibraltar but does not seem to be directly associated with the Atlantic continental margins. If the continental slope in the area covered by Plate 29 is a fault scarp, we must infer that the motion has now been arrested.


Magnetic anomalies and continental-margin provinces.—The first continuously recorded total-intensity magnetic data for the Atlantic were obtained in 1946 on a flight from Long Island, New York, to Bermuda, and return (Keller et al., 1954). The first data from a ship-towed magnetometer were obtained in 1948 (Heezen, Ewing, and Miller, 1953).

The initial measurements showed (1) several large (> 300γ) anomalies on the continental shelf, (2) a large (> 500γ) anomaly over the continental slope, (3) an exceptionally smooth field over the category III provinces, (4) rough fields with 5- to 15-mile wide 100 to 200γ anomalies over oceanic ridges and rises, (5) enormous anomalies (> 1000γ) over seamounts and islands, and (6) large anomalies (> 500γ) over the crest of the Mid-Atlantic Ridge.

The large anomalies on the continental shelf were considered to indicate large volcanic cones buried by the sediments of the continental shelf (Miller and[Pg 52] Ewing, 1956). The anomaly over the continental slope was considered to be the magnetic-edge effect associated with the abrupt edge of the continental block. The rough fields over the oceanic rises and ridges were attributed to variations in the susceptibility of the crustal rocks, probably related to volcanic extrusions and intrusions. The anomaly over the crest of the Mid-Atlantic Ridge was not recognized as a general pattern until later when many measurements were made. The major puzzle for which no explanation was readily obtained was the origin of the smooth field over the continental rise. The smooth or quiet field has been observed on each crossing of the category III provinces, and even such a sharp-sided feature as the Puerto Rico Trench failed to show a magnetic anomaly (Davidson and Miller, 1956). We can thus state that all category III provinces are characterized by a smooth magnetic field.

The significance of this point is not yet clear, but it must be of major importance to the full understanding of the continental margin.

Crustal structure and continental-margin provinces.—Maurice Ewing and his associates have made more than 1000 seismic-refraction measurements to determine the crustal structure of continental margins. Most of the published results pertain to the eastern continental margin of the United States (Drake et al., in press), but much material will soon be published on the continental margin of Sahara, Sierra Leone, Brazil, Argentina, Guiana, Spain, Morocco, the Gulf of Mexico, and the Caribbean Sea. In addition extensive work has been accomplished by Bullard, Gaskell, and Hill in the western approaches to the English Channel. In some areas seismic, gravity, and magnetic measurements were made along the same lines and have been subjected to an integrated analysis (Worzel and Shurbet, 1955c).

In Plate 26 four profiles replotted from published sections are shown. Each profile is plotted at 40:1 exaggeration, and depths are indicated in fathoms and kilometers to facilitate comparison with the profiles and topographic descriptions given elsewhere in this paper. Some stations which lie up to 100 miles from a profile have been projected along the strike of the topography. In general each profile indicates (1) a thick lens of sediment and sedimentary rock beneath the continental rise; (2) a major discontinuity in crustal structure at the base of the continental slope; and (3) a wedge of low-velocity sedimentary rocks ("unconsolidated") overlying a lens of higher-velocity ("semi-consolidated and consolidated") sedimentary rocks beneath the continental shelf. The basin, filled with higher-velocity sedimentary rocks, is formed by an upturned lip of crystalline basement rocks near the continental slope. Local variations in thickness and velocity give rise to interesting minor configurations, but the basic structure is nearly identical in all the sections. The main contrast is that the category III provinces are underlain by thick sedimentary rocks in the case of the continental rise, and successively thinner accumulations of sedimentary rock are associated with the marginal basins and marginal trenches.

PDR record of Biscay Abyssal Plain

Note several small depressions, each a few fathoms deep. Figures 1-5 form a continuous profile. Depth in fathoms.

PDR records of Madeira Abyssal Plain and the Madeira Rise

Depth in fathoms.

Since the main difference in the continental-margin sections seems to be a[Pg 53] greatly enhanced continental-rise sedimentary section to the north as compared with the Blake Plateau—Bahama—Puerto Rico region, it seems reasonable to conclude that the main difference in the topography is the result of different sedimentation rates or a different time of origin, rather than of a vastly different structural origin. The sedimentary rock column beneath the continental rise is truly geosynclinal in thickness. Whether this great lens of sediment and sedimentary rock will eventually be deformed into a mountain range to form a new addition to the continent as advocated by the accretion school or whether it will lie forever on the sea floor is one of the great speculations of geology.


Sediment distribution and physiographic provinces of the continental margin. The recent sediments of the category I provinces are largely sands, silts, silty lutites, and carbonates (Stetson, 1938; Shepard and Cohee, 1936; Newell, 1955). All these sediments can be assigned to the orthoquartzite suite of Pettijohn (1957). Judging from the ancient sediments dredged from the continental slope and obtained by drilling, the category I provinces have been receiving orthoquartzite sediments at least since the Cretaceous. In category II provinces Recent sediments are either lacking or are very thin. Those Recent sediments which temporarily remain in the province range from foraminiferal lutites, found in such areas as the Bahamas, to silty lutites relatively poor in pelagic fossils, found in the higher latitudes. In general category II provinces are characterized by nondeposition or erosion.

The sediments of the category III provinces include both pelagic and clastic terrigenous sediments. The outer ridge is covered by Globigerina ooze in depths shallower than about 2200 fathoms and by red clay in deeper areas. The continental rise is generally covered by silty foraminiferal lutites, but, where submarine canyon deltas spread out from the mouths of submarine canyons (Ericson et al., 1951, 1952), beds of graded sand and silts from a few centimeters to a few meters in thickness are interbedded with lutites. In the marginal trenches and marginal basins graded calcareous sands alternate with low-carbonate lutites. The category III provinces of northwest Africa are dominated by two groups of volcanic islands and seamounts which contribute flows and volcanic detritus to the continental-rise sediments. In general the category III provinces are dominated by sediments ascribable to the graywacke suite of Pettijohn (1957).


Past, present, and future of continental-margin physiographic provinces.—It takes only a little imagination to see a historical or genetic sequence in the four profiles of Plate 26. The Puerto Rico Trench—outer-ridge profiles thus may represent a continental margin in youth, the Blake—Bahama—outer-ridge profile a margin in late youth or early maturity, and Newfoundland and northeast United States profiles a margin in late maturity or old age.

The lens of sediments that has filled the marginal trench off northeastern United States is truly geosynclinal in thickness (Drake et al., in press). The sediments of the shelf lens are similar in lithology to the orthoquartzite suite of a[Pg 54] mio-geosyncline (cf. Kay, 1951), and the thicker continental-rise lens is probably similar in lithology to the graywacke-volcanic suite of a eugeosyncline. (Kay, 1951). It seems virtually certain that ancient orthogeosynclines were, before deformation, closely analogous to the continental margins. The major problem is completing the sequence from filled geosyncline to folded mountains is the mechanism by which the earth's crust beneath the geosyncline thickens by 20-30 km. Although we cannot predict the future of the present continental margin with any assurance until the mechanism of thickening is understood, it seems probable that before deformation the older orthogeosynclines were similar in most details to the modern continental margins.

It seems possible that the present continental margins will in some future geological period be uplifted into folded mountains.

[Pg 55]


OCEAN-BASIN FLOOR

GENERAL DESCRIPTION

The second of the three basic topographic divisions of the oceanic depression is the ocean-basin floor. Included in this division are those provinces of the oceanic depression that are not included in the continental margin or the mid-oceanic ridge.

The ocean-basin floor is divided into three categories: (1) abyssal floor, (2) oceanic rises, and (3) seamounts and seamount groups. The first category includes two types of provinces, abyssal plains and abyssal hills, which occupy the deepest portion of the ocean-basin floor. Included in these provinces are such features as abyssal gaps and mid-ocean canyons. The second category includes the larger positive features of the ocean-basin floor, and the large seamounts and seamount groups fall in the third category. The landward limit of the ocean-basin floor is the 1:1000 gradient isopleth along the continental margin. Along the mid-oceanic ridge the boundary is taken as that scarp or scarp zone where the average level rises appreciably above the axis of maximum depth of the basin floor. Broad elevations which rise above the basin floor as isolated rises are termed oceanic rises and are included in this discussion even though they may be structurally more closely related to the mid-oceanic ridge or the continental margin.

ABYSSAL PLAINS

General discussion.—An abyssal plain has been defined (Heezen, Ewing, and Ericson, 1954) as "an area of the deep-ocean floor in which the ocean bottom is flat and the slope of the bottom is less than 1:1000".

Abyssal plains have been found in all oceans, characteristically at the foot of the continental rise. Koczy (1954; 1956) and Gaskell and Ashton (1954) have described the abyssal plain south of the Bay of Bengal. Koczy (1956) has described plains in the equatorial Atlantic on either side of the Mid-Atlantic Ridge. On Expedition Deep Freeze workers on the USS Glacier, using a PDR, discovered an abyssal plain in the Weddell Sea. Workers on the R. V. Vema in 1957 confirmed the existence of abyssal plains in the Argentine and in the Cape and Angola basins of the South Atlantic. Menard (1955) has described abyssal plains off the California and Alaska coasts. Abyssal plains are really important and are present off all coasts except those having a long, continuous, unfilled marginal trench.

The abyssal plains shown on the physiographic diagram have been named in order to facilitate referencing. The abyssal plains of the western Atlantic between Newfoundland and the West Indies are best known. The "abyssal plain south of Newfoundland" (Heezen et al., 1954) has been named the Sohm Abyssal Plain following the usage of Murray (1912) who referred to this area as "Sohm Deep" in several publications. The abyssal plain south of the Bermuda Rise referred to[Pg 56] as the "abyssal plain in the Nares Basin" (Heezen, Ewing, and Menzies, 1955; Luskin et al., 1954) is named on the province chart (Pl. 20) the Nares Abyssal Plain, also following the usage of Murray (1912), who named this area the Nares Deep. The abyssal plain southwest of the Bermuda Rise was included in the Nares Abyssal Plain until the discovery in 1955 that the two parts were separated by a steep abyssal gap at 24° N. 68° W. necessitated the splitting off of this plain from the Nares Abyssal Plain. The name Hatteras Abyssal Plain used on the map was suggested by the close proximity of the very prominent Cape Hatteras.

An abyssal plain is probably present in the Newfoundland basin, but no PDR soundings have been obtained in that area. The name Newfoundland Abyssal Plain is suggested subject to confirmation by a precision survey.

The outer ridge which runs south from Cape Hatteras paralleling the coast lines of the Bahamas encloses the Blake-Bahama Basin (Ericson, Ewing, and Heezen, 1952); a narrow abyssal plain is found along its western margin. This plain is named the Blake-Bahama Abyssal Plain.

Between the Greater Antilles and the Bahama Banks is a depression called the Old Bahama Channel in the north; farther south it is known as the Hispaniola-Caicos Channel. The Hispaniola-Caicos Channel in particular contains an abyssal plain which, although much smaller than the large, deep-sea abyssal plains, has all the characteristics of slope flatness and sediment composition. This is called the Hispaniola-Caicos Abyssal Plain.

The smallest, yet perhaps the most striking, Atlantic abyssal plains are those at the bottom of the Puerto Rico Trench at depths of about 4358 fathoms (4585 corrected). They exhibit the proper degree of flatness, low gradient (Ewing and Heezen, 1955), and the shallow-water clastic sediments typical of abyssal plains.

South of Cuba in the southwest corner of the diagram lies a major deep-sea trench. Only the eastern end of this Cayman Trench is shown in the diagram. On the floor of this steep-walled trench lies a narrow trench plain or system of semi-connected trench plains which lie at depths of about 3000 fathoms south of Guantanamo, Cuba, but deepen to 3692 fathoms south of the Cayman Islands. These are known as the Cayman Trench Plains. This area will be described in more detail in a later publication devoted to the topography of the Caribbean.

In the eastern Atlantic each abyssal plain has been crossed at least three times by ships employing a PDR, a coverage which, although sufficient to establish their existence, is vastly inferior to the coverage of the western Atlantic abyssal plains. The Biscay Abyssal Plain occupies a large portion of the Bay of Biscay. It is connected by an abyssal gap at 43° 30´N., 12° 00´W., to the Iberia Abyssal Plain which lies west of the northern two-thirds of the Iberian Peninsula. A small abyssal plain west of the Tagus River takes its name from this river. The great abyssal plain which skirts Madeira on the east and south and extends over a vast area to the west is referred to as the Madeira Abyssal Plain. The Canary Islands and associated banks form the boundaries of a small oval depression known as the Canary Abyssal Plain. The vast abyssal plain which skirts the[Pg 57] African continent west of Cape Verde is named the Cape Verde Abyssal Plain.

The eastern margin of the map just reaches the abyssal plain in the western Mediterranean which Heezen and Ewing (1955) have named the Balearic Abyssal Plain.

Abyssal plains were not discovered until the use of continuously recording echo sounders was extended to abyssal depths following World War II (Tolstoy and Ewing, 1949). While the early nonprecision echo sounders were sometimes adequate to distinguish the limits of particular plains, real advances in their study required the development of precision sounders and the extensive use thereof (Heezen, Ewing, and Ericson, 1954). Since the very existence of abyssal plains has been known for less than 10 years and only recently have any of them been adequately delineated, the problem of their nomenclature has never before arisen.

In the cases of the Nares and Sohm abyssal plains we have taken the name Murray has given to the "deeps" in which the plains occur. For Cape Verde, Iberia, and Newfoundland abyssal plains we have followed the name Wüst (1940b) proposed for the basin within which the plains lie. The Biscay, Tagus, Hatteras, Blake-Bahama, Hispaniola-Caicos, and Balearic have been given the name of a prominent near-by land area, in accordance with recognized practice. The Horseshoe Abyssal Plain takes its name from the horseshoe-shaped line of seamounts which surrounds it except on the eastern side.


Regional description.—The relief of the abyssal plains is so low that ordinary small-scale exaggerated profiles (Pls. 22, 27) reveal nothing of its detailed character. In a few areas exceptionally good PDR records have been obtained which show relief of a few feet (Pl. 12).

SOHM ABYSSAL PLAIN: The best-studied abyssal plain is the Sohm Abyssal Plain south of Newfoundland. In addition to the 1953 Vema PDR survey (Heezen et al., 1954) the area was studied extensively in 1955 and crossed by the trans-Atlantic cruises of 1954 and 1956. The plain is T-shaped and generally about 200 miles wide; depths range from 2700 to 3000 fathoms (uncorrected). The depth increases in each arm of the T toward the stem where the slope changes to south. The greatest depth is found at the south boundary of the plain near 29° N. In the northern part of the plain small topographic irregularities are unknown, but toward the south peaks 50 to 500 fathoms high increase in number until they finally replace the plain. North of the Bermuda Rise the plain surrounds a line of huge seamounts. However, even here no small hills are found. In the strip extending between 30° and 37° N., the east and west boundaries of the plain are formed by scarps 200 to 800 fathoms high. The boundary on the north side of the Bermuda Rise is formed by a distinct shallowing, but no scarp is seen.

There is some justification for separating the northwest arm of the Sohm Abyssal Plain north of the Bermuda Rise from the rest of the Sohm Abyssal Plain since a mid-ocean canyon runs from the northwest to the central sections[Pg 58] of the plain. A sill might lie northeast of the northeast tip of the Bermuda Rise. Here the bottom gradient changes slightly, and an extremely large magnetic anomaly is associated with the region. However, the plain narrows only slightly at this point, and, since we cannot tell how many individual basins were filled to form an abyssal plain, we will consider that the Sohm Plain now includes the whole area, keeping in mind that the northwest arm may have only recently merged with the rest.

South of Newfoundland the continental rise merges with the abyssal plain with no scarp or line of hills. Here the boundary is taken at the point where the gradient is gentler than 1:1000. This is not an entirely arbitrary definition since an appreciable change in gradient generally occurs near this point. South of the boundary the gradient gradually decreases to 1:3000 at 37° N., beyond which it decreases even more gradually and reaches 1:5000 at the southern edge of the plain.

HATTERAS ABYSSAL PLAIN: Northeast of the Bermuda Rise on a line between Long Island (N. Y.) and Bermuda a small area of abyssal hills lies between the continental rise on the northwest, the Bermuda Rise on the southeast, the Sohm Abyssal Plain on the northeast, and the Hatteras Abyssal Plain on the southwest. Although this area has been traversed by more tracks than any area of similar size in the Atlantic, the relationships here are still somewhat obscure. This area of some 6000 square miles is one of irregular relief, but it is not known if it is of the character of an irregular sill or a complex abyssal gap, although the latter seems more probable. The northwest margin of the Hatteras Abyssal Plain is abruptly formed by the lower continental rise hills. The eastern boundary is generally distinct and in places is formed by a 50- or 100-fathom scarp, but generally it is not so impressive as the east and west boundaries of the Sohm Abyssal Plain. South of about 34° N., the western boundary of the Hatteras Abyssal Plain is formed by the outer ridge. In some sectors the eastern flank of the outer ridge is rather gentle, and the abyssal plain gently laps the ridge without a sharp break. This boundary is generally sharp north of 27° N. but to the south is less definite. The Hatteras Plain slopes southeast to about 31° N. where the direction of slope changes to south. A gradient of about 1:3000 and depths of about 2900 fathoms are reached at 25° N. Within about 60 miles of Vema Gap the plain is broken by numerous mid-ocean canyons which converge on the gap (Pl. 14, fig. 3). The Hatteras Abyssal Plain has no known seamounts or sea knolls, in contrast to the Sohm Abyssal Plain and Nares Abyssal Plain.

The sediments of the Hatteras Abyssal Plain resemble the northern abyssal plains in having many beds of quartz silts (Pl. 28) and contrast sharply with the Blake-Bahama Abyssal Plain where calcareous sands are abundant. On the west the outer ridge forms a continuous barrier to turbidity-current sediments coming from the near-by Bahamas so that the only source of turbidity-current sediments is from the Cape Hatteras region to the north or possibly from the Hudson Canyon via the suspected abyssal gap mentioned above. The type of sediment is entirely consistent with the gradient of the plain which slopes southward from the Hatteras region.

PDR RECORDS OF MID-OCEAN CANYON NO. 2 AND CANYONS AT VEMA GAP

Depth in fathoms.

Area of each photograph is about 6 by 8 feet.

[Pg 59]

Plate 15.—OCEAN-BOTTOM PHOTOGRAPHS OF SEAMOUNTS

Positions of stations shown on Plate 30

BLAKE-BAHAMA ABYSSAL PLAIN: The Blake-Bahama Basin is a long narrow basin between the great Blake Escarpment and calcareous Bahama Island banks on the west and the outer ridge on the east. A narrow abyssal plain 20 to 70 miles wide spreads out from the base of the escarpment (Pl. 5, fig. 3). The plain is shallowest and widest just east of the Northeast Providence Channel and deepens and narrows toward its northern and southern ends. Sediment cores taken 60 miles off the mouth of Northeast Providence Channel contained graded beds of calcareous sand a few meters thick (Ericson et al., 1952). The material was obviously derived from the Bahamas, presumably through the action of turbidity currents running out through the Providence Channels, the southern entrance of Exuma Sound, and the numerous submarine canyons which dissect the slopes off the islands. The depth of the plain ranges from 2600 to 2750 fathoms, and its area is about 7000 square miles.

NARES ABYSSAL PLAIN: South and southeast of the Bermuda Rise lies the Nares Plain, a 37,000-square-mile abyssal plain that slopes eastward from Vema Gap toward the Mid-Atlantic Ridge. From 62° to 64° W. its northern and southern boundaries are abrupt, and only three or four small abyssal hills have been observed in the plain. East of 64° W. the gradient of the plain exceeds 1:2500, and the frequency of hills increases until at 61° W. the plain consists of a series of fingers which extend into the abyssal hills. The sediment cores obtained in the Nares Abyssal Plain consist of alternating red clays and quartz silts (Ericson et al., 1952; in press). The Nares Abyssal Plain is the deepest of the broad abyssal plains of the ocean-basin floor. It is also the farthest from the land. If the turbidity currents smoothed the Nares Plain they would all have had to flow through Vema Gap since the outer ridge-trench complex to the south prevents currents from this area from reaching the Nares Abyssal Plain. The idea of a [Pg 60]route through Vema Gap is supported by the fact that the plain slopes eastward from the gap.

HISPANIOLA-CAICOS ABYSSAL PLAIN: The depression between the Bahamas and the coasts of Cuba and Hispaniola deepens east of Cay Lobos and reaches its maximum depth of 2220 fathoms northwest of Cape Francis Viejo of Hispaniola. At Cay Lobos the channel is a steep V-shaped depression with a maximum depth of 400 fathoms, but to the east this V-shaped channel opens out to an abyssal plain about 1500 fathoms deep. Between this point and Great Inagua Island the flat floor slopes east reaching a depth of 1575 fathoms just southwest of Inagua. This portion is called the Old Bahama Abyssal Plain. South of Great Inagua is another V-shaped channel in which the depth drops from 1700 fathoms on the west to 2200 fathoms on the east. From this point to Cape Francis Viejo the Hispaniola-Caicos Abyssal Plain is nearly flat. Sediments collected from this plain confirmed the turbidity-current origin of the smooth topography. The cores contained plant debris, shallow-water fossils, and a variety of reworked older material (Ericson, Ewing, and Heezen, 1952; Ewing and Heezen, 1955; Ericson et al., 1955).

PUERTO RICO TRENCH (ABYSSAL) PLAINS: A trench plain is an abyssal plain in the bottom of a deep-sea trench. Since the discovery of the Puerto Rico Trench (Abyssal) Plains similar features have been reported for the Middle America Trench (Fisher, 1954), the Kurile-Kamchatka Trench (Udintsev, 1955), and the Peru-Chile Trench (Zeigler, 1958). Two trench plains are known from the Puerto Rico Trench. The smaller one occupies a basin south of a median ridge, and the larger one lies along the deep axis of the trench. They range in width from 1-2 miles to about 12 miles. Sediment cores taken in the trench plain contained beds of graded calcareous sand containing fragments of Halimeda and shallow benthic Foraminifera (Ericson, Ewing, and Heezen, 1952). The depth of the larger trench plain ranges only slightly from 4358 fathoms (4585 fathoms corrected). The trench shallows eastward, and the plains disappear.

CAYMAN TRENCH (ABYSSAL) PLAINS: The Cayman Trench contains trench plains very similar to those in the Puerto Rico Trench. The limits of the Cayman Trench Plains shown on the physiographic diagram may not be too reliable; it has not been redrafted since the most recent tracks shown on the track chart were obtained.

BISCAY ABYSSAL PLAIN: The Bay of Biscay is occupied by a large abyssal plain which begins a few miles north of the northern limit of the map and ends at the Theta Gap at 43° 30´N. The plain ranges from 2550 to 2650 fathoms in depth and is about 200 miles wide. Cores of graded sand and silt have been obtained from the floor of the plain. Several mid-ocean canyons 3 to 5 fathoms deep and a quarter of a mile to 2 miles wide have been observed in the plain (Pl. 8), but data are not sufficient to determine their exact courses. It is suggested that they converge on Theta Gap and that some may be extensions of submarine canyons of the continental slope.

IBERIA ABYSSAL PLAIN: South of Theta Gap and west of the northern third of the Iberian Peninsula lies an oval abyssal plain of about 25,000 square miles.[Pg 61] The depth of this plain ranges from 2770 fathoms near Theta Gap and at the base of the continental rise to 2820 fathoms near the eastern margin of the abyssal hills province. The plain fans out from Theta Gap and gradually merges with the normal westward slope from the continental rise of north Iberia.

TAGUS ABYSSAL PLAIN: West of the canyons off the mouth of the Tagus lies a small circular plain of 7100 square miles. Its depth ranges from 2650 to 2700 fathoms, and it slopes westward with slightly fan-shaped contours extending from the mouths of the two large canyons. A recent sediment sampling campaign revealed numerous graded silt and sand layers in the plain (Pl. 28).

HORSESHOE ABYSSAL PLAIN: A small abyssal plain of 5200 square miles lies in the center of a horseshoe-shaped ring of seamounts, just west of Gibraltar.

MADEIRA AND CAPE VERDE ABYSSAL PLAINS: From Gibraltar to Cape Verde and extending southward to the Sierra Leone Rise at 10° N. a vast abyssal plain parallels the coast of Africa. For most of its length the western boundary of this plain is 750 miles from the coast. The average width of the plain is 200 miles, and it occasionally reaches 300 miles. An eastward extension of the abyssal hills approaches within 200 miles of the Canary Islands, forming a natural constriction which divides the plain into a northern part, the Madeira Abyssal Plain, and a southern part, the Cape Verde Abyssal Plain.

The Madeira Abyssal Plain occupies 150,000 square miles. The Azores-Gibraltar Ridge forms its northern boundary, and the abyssal hills its western boundary. Depths near the seaward limit of the plain reach 2970 fathoms. The northern part of the Madeira Plain is broken by a series of low scarps (Pl. 13, fig. 3). The gradient of the plain between successive scarps is about 1:1500.

The Cape Verde Abyssal Plain occupies 200,000 square miles of sea floor (Pl. 9, fig. 3). The transition from abyssal plain to abyssal hills is gradual. Many hills are scattered in the plain near the boundary. Small scarps of the kind observed in the Madeira Abyssal Plain have not been found.

Recent soundings southwest of Madeira indicate that a low topographic feature which might be called the Madeira Rise continues into the northeast part of the area shown as Madeira Abyssal Plain. This abyssal plain is thus somewhat smaller than indicated in the drawings. Two PDR records from this rise area are illustrated (Pl. 13, figs. 1, 2). Since the limits of the Madeira Abyssal Plain are based on only four sounding profiles, future surveys will cause relatively great changes in this portion of the diagram.

ABYSSAL HILLS

Definition and distribution.—An abyssal hill is a small hill that rises from the ocean-basin floor and is from a few fathoms to a few hundred fathoms in height and from a few hundred feet to a few miles in width. The term abyssal hills province is applied to those areas of the ocean-basin floor in which nearly the entire area is occupied by hills—that is, the province lies at approximately the depth of the adjacent abyssal plain but lacks a smooth floor. Isolated abyssal hills and groups of abyssal hills also occur in the abyssal plains.

[Pg 62]

Figure 25.Index chart, location of abyssal hills profiles illustrated in Figures 26 and 27

Limits of abyssal hills provinces shown by dotted lines.

Figure 26.Eleven profiles, Western Atlantic Abyssal Hills Province

40:1 vertical exaggeration; positions shown on Figure 25.

Abyssal hills are found along the seaward margin of most abyssal plains and probably occur in profusion in basins isolated from adjacent land areas by ridges, rises, or trenches. In the North Atlantic the abyssal hills form two strips parallel to the Mid-Atlantic Ridge for virtually its entire length. The Bermuda Rise is bordered on the southeast by abyssal hills which join with the strips adjoining the Mid-Atlantic Ridge (Fig. 25). Southeast of the Bermuda Rise the abyssal[Pg 63] plain is absent, and consequently the Western Atlantic Abyssal-Hills Province exceeds 500 miles in width.

Figure 27.Eight profiles, Eastern Atlantic Abyssal Hills Province

Vertical exaggeration 40:1; positions shown on Figure 25.

In the North Atlantic the axes of maximum depth on the eastern and on the western sides of the Mid-Atlantic Ridge lie in the abyssal-hills province. This pattern probably continues through the South Atlantic, Indian Ocean, and South Pacific oceans. Individual abyssal hills are identical to the smaller hills which rise from the steps of the Mid-Atlantic Ridge and are probably of the same origin. The abyssal hills and the Lower Step of the Mid-Atlantic Ridge can be distinguished topographically only by the contrast in level.

Regional description.—The abyssal hills within the area of the physiographic diagram are illustrated by profiles WH-1-11 and EH-1-8 reproduced in Figures 26 and 27 respectively.

WESTERN ATLANTIC: The abyssal-hills province ranges from a few miles to more than 125 miles in width from the north edge of the map to the Southeast Newfoundland Ridge. Along profile WH-1 the province consists of about a dozen hills 3-4 miles wide and 50-100 fathoms high, while in WH-2 the hills are 4-10 miles in width, and some exceed 200 fathoms in height. The abyssal-hills province appears to pinch out at the Southeast Newfoundland Ridge. Southwest of the Southeast Newfoundland Ridge the abyssal hills form a belt 60-120 miles wide which skirts along the north edge of Corner Rise. In this area, as illustrated by WH-3, -4, and -5, the largest abyssal hills nowhere exceed 250 fathoms in height. The individual hills range from 3 to 12 miles wide; maximum depths between individual hills frequently exceed the depth of the adjacent abyssal plain by 50-100 fathoms.

[Pg 64]

Along the northwest corner of Corner Rise the abyssal-hills province pinches out. South of Corner Rise the province appears on both the east and the west sides of the Sohm Abyssal Plain, and isolated abyssal hills become more numerous within the abyssal plain. In profile WH-6 the abyssal hills within the province reach 300 fathoms in height and are 3-5 miles wide. A few higher peaks occur such as the two in profile WH-6, one 500 fathoms high and 20 miles wide and the other 700 fathoms high and 15 miles wide. In addition eight isolated hills 100 to 175 fathoms high rise from the plain in the same profile. To the south, the frequency of hills within the plain increases, and the hills province widens. In profile WH-7 the province increases to 35 miles in width on the east side of the Sohm Plain and to 100 miles in width on the west side. The smaller individual hills in the plain are 200 fathoms high, in contrast to the average of 100 fathoms in WH-6. Twenty-one individual hills rise from the plain in WH-7, in contrast to 15 in WH-6. In WH-8 the abyssal plain is represented by a flat-floored valley only 12 miles wide; the remaining 500-mile width of the abyssal floor is occupied by abyssal hills. Individual hills are 300 to 600 fathoms high and 5 to 10 miles wide (Fig. 28; Pl. 10). If we filled all the depressions on WH-8 with 100 fathoms of sediments the profile would closely resemble WH-7.

Figure 28.Tracing of PDR record, abyssal hills, southeast of Bermuda Rise

[Pg 65] WH-9 and WH-10 are very similar to WH-8 except that individual hills seem to become broader and lower toward the south. The height of individual hills in WH-10 ranges from 100 to 250 fathoms. South of WH-8 the abyssal-hill province splits into two strips which border the Nares Abyssal Plain. The western strip lies below the eastern scarp of the Bermuda Rise Scarp Zone, and the eastern strip follows the Mid-Atlantic Ridge, sending a narrow strip westward along the northern edge of the outer ridge north of Puerto Rico. A number of hills 50 fathoms high and 2-5 miles wide are scattered over the eastern part of the Nares Abyssal Plain. Abyssal hills are rare in the abyssal plain west of 65° W. The abyssal-hill province along the southwestern Bermuda Rise is extremely narrow and intermittent. No abyssal hills have been recorded for the Hatteras Abyssal Plain, and only locally is the province developed along the western side of the Bermuda Rise. Locally abyssal hills are moderately well developed along the northern margin of the Bermuda Rise.

EASTERN ATLANTIC: The abyssal floor west of the Anglo-French shelf is extremely narrow; the abyssal plain and abyssal hills combined are only 80 miles wide. The abyssal-hills province is absent, but, as shown on EH-1 and EH-2 (Fig. 27), large hills rise from the seaward edge of the Biscay Abyssal Plain. These hills are 5-10 miles wide and 100-400 fathoms high. West of the Iberia Abyssal Plain (EH-3) the abyssal-hills province is wider and better developed than near the Biscay Abyssal Plain.

South of Gibraltar the abyssal floor widens southward; northwest of Cape Verde it is more than 200 miles wide. Profile EH-6 runs obliquely through the province and indicates an exaggerated width for the province. Individual hills are 5-10 miles wide and 100-600 fathoms high (Pl. 9, fig. 4). The abyssal-hills province is widest, and the hills are the highest where the depth is greatest, a relation similar to that observed on the opposite side of the Mid-Atlantic Ridge in the sector southeast of the Bermuda Rise.


Origin of abyssal-hills topography.—The topography of the abyssal hills is considered to represent the original surface buried beneath the abyssal plains and perhaps beneath the continental rise. This explanation agrees well with the smooth topography and the distribution of deep-sea sands in the abyssal plain. The origin of the hills topography is a more difficult problem. We have no rock samples from these provinces. Individual hills cannot be studied with present seismic-refraction techniques; they do not seem to have a characteristic magnetic anomaly; and Worzel has only recently developed a method of gravity measurement which can be applied to a feature as small as an abyssal hill. At present we have only topography as a basis of speculation of their origin. As far as we know, individual abyssal hills are not discernibly different from the smaller hills of the steps of the Mid-Atlantic Ridge or much of the topography of the oceanic rises, and thus there is no reason to assume that the abyssal hills have a different origin.

We have noted that abyssal hills range from 50 to 600 fathoms in height and with some exceptions from 4 to 10 miles in width. However, many of the[Pg 66] hills are about 200 fathoms high and 5 miles wide. The hills are very steep-sided, and frequently the sounder simply records a series of "highlights" from a succession of peaks (Pl. 10; Pl. 9, fig. 4). Soundings are difficult to obtain in the abyssal-hills provinces because of the great depth and primarily the preponderance of steep slopes (Pl. 10). We do not know whether individual hills are conical or elongate or, in fact, if they run in narrow, sinuous ridges as suggested by Tolstoy (1951). Accurate, detailed mapping of portions of the abyssal-hills provinces on scales of approximately 1:20,000 or larger should provide additional limits on theories of origin. At present we cannot decide among vulcanism, faulting, or folding, although folding seems the least probable.

OTHER MAJOR FEATURES OF THE ABYSSAL FLOOR

Abyssal gaps.—If two adjacent but distinct abyssal plains have no through passage at or below the level of the higher plain, they are said to be separated by a sill, a ridge, or a rise, depending on the dimensions of the feature involved. However, several plains are connected by constricted passages.

An abyssal gap is a constricted passage connecting two abyssal plains which, in the vicinity of the gap, lie at different levels. The sea floor slopes down continuously through the gap from the higher to the lower abyssal plain, at a gradient considerably greater than that of either adjacent abyssal plain.

Prominent abyssal gaps are known in the western North Atlantic (Vema Gap) and in the eastern North Atlantic (Theta Gap). An abyssal gap connects the Colombia and Venezuela abyssal plains of the Caribbean.


Mid-ocean canyons.—Whereas most submarine canyons are furrows cut into the continental-margin provinces, a class of canyon is found in the abyssal plains, generally associated with abyssal gaps.

A mid-ocean canyon is a steep-walled, flat-floored persistent linear depression, 1-5 miles wide and a few to more than 100 fathoms deep, which occurs in an abyssal plain.

Each mid-ocean canyon discovered in the North Atlantic leads to an abyssal gap in a manner which suggests a genetic relationship. All recognized mid-ocean canyons parallel the adjacent continental margin. Although all slope downward continuously they cut across the regional slope of the abyssal plain.

Mid-ocean canyons or features resembling them have been found in the Indian Ocean Bay of Bengal (Dietz, 1953), in the northwest Atlantic (Ewing et al., 1953), the western Atlantic, and the equatorial Atlantic (Beckmann, in preparation). Gibson (1958) has reported one in the Gulf of Alaska. Three in the Atlantic and one in the Gulf of Alaska have been mapped. Although mid-ocean canyons probably join with continental-margin submarine canyons, no such connection has been mapped. Menard (1955) has recorded from the North Pacific several crossings of features resembling the mid-ocean canyons of the Atlantic, which he refers to as deep-sea channels.


Regional description.—Abyssal gaps and mid-ocean canyons are found in both the western Atlantic and eastern Atlantic.

[Pg 67]

Figure 29.Northwest Atlantic Mid-Ocean Canyon

Surveyed positions and extensions; generalized bathymetry simplified from Smith, Soule, and Mosby (1937)

[Pg 68]

Figure 30.Eight east-west profiles showing Northwest Atlantic Mid-Ocean Canyon

Soundings obtained with NMC sounder run with precision controlled ac power in 1949

[Pg 69]

Figure 31.Forty-eight cross sections of Northwest Atlantic Mid-Ocean Canyon

Soundings originally recorded on UQN-1B sounder with precision controlled ac power in 1952

[Pg 70]

Figure 32.Long profile of Northwest Atlantic Mid-Ocean Canyon

Numerals I-VIII indicate location of profiles of Figure 30.

WESTERN ATLANTIC: The major abyssal plains of the western Atlantic are connected from north to south by a series of abyssal gaps and mid-ocean canyons. The Northwest Atlantic Mid-Ocean Canyon (Fig. 29) begins in an unknown area north of the limit of the physiographic diagram (Ewing et al., 1953). It runs south parallel to the continental margin of the Grand Banks on the west and to the Mid-Atlantic Ridge on the east until it reaches the Southeast Newfoundland Ridge, where it cuts through a narrow abyssal gap. After passing through the gap, the canyon turns west, broadens, and is finally lost in the Sohm Abyssal Plain. The mid-ocean canyon is about 3 miles wide and 50 fathoms deep north of the Southeast Newfoundland Ridge (Fig. 30). The west wall is about 10-15 fathoms higher than the east wall (Fig. 32). The canyon has been mapped by more than 80 echo-sounding profiles (Fig. 31). The average slope of the sea floor at right angles to the axis of the canyon in most places exceeds the gradient[Pg 71] of the canyon. The gradient west to east is about 1:1500, while the gradient of the canyon from north to south is 1:2250.

The mid-ocean canyon forms gentle meanders (Fig. 29). As the gradient of the canyon decreases, the canyon changes its cross-section form from a narrow, deep canyon to a broad, shallow one (Figs. 31 and 32).

The mid-ocean canyon follows an exceptionally narrow and deep abyssal gap through the Southeast Newfoundland Ridge. At its narrowest point the gap is no wider than the mid-ocean canyon.

Mid-Ocean Canyon No. 2 is nearly identical to the Northwest Atlantic Mid-Ocean Canyon in shape and form (Pl. 14, fig. 2). It has been traced for only 350 miles through the northwest arm of the Sohm Abyssal Plain. There is a[Pg 72] strong suggestion of a low sill running northeast of the Bermuda Rise toward the "tail" of the Grand Banks. Such a sill would cut off the northwest arm of the Sohm Abyssal Plain. Mid-Ocean Canyon No. 2 would in this case be associated with this abyssal gap connecting the higher northwest arm with the deeper central and southern parts of the Sohm Plain. A large magnetic anomaly which crosses the plain at this point is possibly evidence of a buried ridge beneath the abyssal plain. Mid-Ocean Canyon No. 2 has been traced from the vicinity of Kelvin Seamount eastward to the supposed sill. As in the case of the Northwest Atlantic Mid-Ocean Canyon the gradient at right angles to the canyon axis generally exceeds the gradient of the canyon floor. A systematic difference in depth between the two walls was not found in Mid-Ocean Canyon No. 2.

A small area (8000 square miles) of abyssal hills lies between the northwest arm of the Sohm Abyssal Plain and the northern edge of the Hatteras Abyssal Plain. Although many sounding lines have been run through this area it is not yet clear whether this area is best referred to as an abyssal gap or a sill, although the evidence seems to favor a gap. The western end of the Sohm Plain seems to reach a smooth sill a few dozen miles east of Caryn Peak, and the abyssal plain surrounding Caryn Peak, at the mouth of the Hudson Canyon, seems either to be isolated or to be connected with the Hatteras Abyssal Plain to the south through an abyssal gap.

An abyssal gap may possibly connect Sohm Plain to the eastern end of the Nares Abyssal Plain, but in consideration of the eastward gradients of the Nares Abyssal Plain it seems probable that no gaps cut all the way through the wide abyssal-hills province which separates the two plains. The gap connecting the Hatteras Abyssal Plain and the Nares Abyssal Plain southwest of the Bermuda Rise has been named Vema Gap after the Research Vessel Vema which has been used most extensively in this area. Vema Gap is about 20 miles wide and 70 miles long; its long axis is oriented approximately west-east. The Hatteras Plain reaches a depth of 2900 fathoms a few miles west of the gap. The gradient of the plain is about 1:3000 at that point. The Nares abyssal plain to the southeast lies at about 3070 fathoms and slopes eastward with a gradient of about 1:3500. The floor of the gap, in sharp contrast to the adjacent plains, slopes eastward at an average gradient of 1:300. The edge of the Hatteras Abyssal Plain is cut by several mid-ocean canyons 20 fathoms deep and a mile wide which develop a few miles to the west and converge on the abyssal gap. Associated with Vema Gap is a large magnetic anomaly similar to the one observed near the supposed gap north of the Bermuda Rise, which again could possibly be evidence of a prominent buried ridge forming the sill of the gap.

The Old Bahama Channel Abyssal Plain and the Hispaniola-Caicos Abyssal Plain are probably connected by a steep-walled abyssal gap which runs west to east south of Great Inagua Island.

Figure 33.Tracing of PDR record across Theta Gap

[Pg 73]
[Pg 74]

EASTERN ATLANTIC: The only abyssal gap known in the eastern Atlantic was sounded by M/V Theta and is here named Theta Gap. This gap lies off the northwest cape of Spain between the Biscay and Iberia abyssal plains. Its existence is based on only a few profiles, one of which is illustrated in Figure 33. Small depressions a few fathoms deep and 1-2 miles wide were observed in the Biscay Abyssal Plain and may represent mid-ocean canyons, which may possibly connect with Theta Gap (Pl. 8, fig. 2). Insufficient precision-sounding tracks are available in this area to determine the exact nature of these features.


Origin of abyssal-floor topography.—The explanation that abyssal plains represent portions of the abyssal floor buried beneath sediments transported by turbidity currents, and that the abyssal hills represent this unburied surface, has been offered by Heezen et al. (1951; 1954) and by Menard (1955). Abyssal gaps are pictured as passages through which turbidity currents flow from a higher plain to a lower one. Sediment must have filled in the Hatteras Plain to the present depth of the western end of Vema Gap before the Nares Abyssal Plain could begin to form. Ewing et al. (1953) suggest that the Northwest Atlantic Mid-Ocean Canyon was probably formed by turbidity currents which flow from the vicinity of Greenland to the Sohm Abyssal Plain. Whether the canyon-forming process was largely erosional or depositional remains to be seen, but the narrow, deep abyssal gap in the Southeast Newfoundland Ridge suggests erosion. The parallelism of the Mid-Ocean Canyon with the Mid-Atlantic Ridge even suggests a tectonic origin. The deep-sea sands of the canyon floor and its continuous gradient argue as strongly for a turbidity-current origin. The features of the smooth parts of the abyssal floor seem clearly the result of deposition by turbidity currents (Ericson et al., 1955; in press).

OCEANIC RISES

Definition and distribution.—An oceanic rise is a large area (measured in hundreds of miles), not connected to or included in a mid-oceanic ridge or connected to a continental rise, which rises a few hundred fathoms above the surrounding abyssal floor. The topography of an oceanic rise ranges from gentle to extremely rugged.

Included in this classification is the Bermuda Rise and Corner Rise of the North Atlantic, the Rio Grande Rise of the South Atlantic, and a number of similar but unnamed features in the Indian and Pacific oceans.


Regional description.—Only three oceanic rises are situated in the North Atlantic. They are: Bermuda Rise, Corner Rise, and Rockall Rise. Of these only the Bermuda Rise has been crossed by many echo-sounding traverses.

BERMUDA RISE: In the center of the North America Basin and surrounding the island of Bermuda is an oval asymmetrical arch about 300 by 600 miles with the long axis oriented northeast. The topography of the Bermuda Rise is relatively gentle as compared to the Mid-Atlantic Ridge but considerably more rugged than the continental rise (Pl. 27). The rise is usually distinctly marked on the west by a 10- to 100-fathom decrease in depth and a change from the monotonously smooth abyssal plain on the west to gently rolling hills, 20-50 fathoms high and 2-10 miles wide (Pl. 16). In contrast the eastern edge of the rise is marked by a series of scarps 300-900 fathoms high (Pl. 17), and the adjacent rise topography[Pg 75] is relatively rugged. West of the scarp zone the topography is quite smooth to the western margin of the rise (Pl. 16).

An apron 30 miles wide surrounds the 2300-fathom high pedestal which supports the island of Bermuda (Pl. 20). From this apron Ericson, Ewing, and Heezen (1952), reported quantities of shallow-water-derived carbonate clastics.

North of Bermuda the rise is marked by a number of high seamounts which continue across the adjacent abyssal plain and form the Kelvin Group of seamounts. Many of these appear to be flat-topped.

The Bermuda Rise is bounded on the east and north by the Sohm Abyssal Plain, on the west by the Hatteras Plain, and on the south by the Nares Plain. For a short distance on the northwest and a few hundred miles on the southeast the rise is bordered by abyssal hills. The western edge of the Bermuda Rise is formed in places by a scarp, but particularly in the northwest the Bermuda Plateau seems to dip gently beneath the Hatteras Abyssal Plain.

The details of the topography of the Bermuda Rise are demonstrated by the series of radiating profiles in Plate 27.

Bermuda Pedestal.—The islands of Bermuda lie along the southeast rim of a flat-topped pedestal whose surface lies less than 20 fathoms below sea level. The sides of the Bermuda Pedestal slope at gradients of 1:5 to 1:30 and fall rapidly to the 2300-fathom contour where the base of the pedestal is reached. The pedestal is 50 miles by 80 miles at its base. Cores containing Tertiary sediments and recent reef detritus, and in one case basaltic rock, have been obtained from the sides of the Bermuda Pedestal (Pl. 28).

Bermuda Apron.—Encircling the base of the Bermuda Pedestal is a smooth, gently sloping apron or depositional terrace. The width of the apron is irregular and ranges from 40 miles on the east to 20 miles on the west. Gradients decrease to 1:700 away from the pedestal, but the outer edge of the apron in places has gradients of 1:90. On some profiles hills up to 125 fathoms in height occur near the outer edge of the apron and become increasingly numerous until at a distance of 45 miles from the pedestal the apron is not recognizable as a topographic feature. The limits of the apron will ultimately be defined by a study of the sediments.

Bermuda Plateau.—The Bermuda Plateau is an oval area of 90,000 square miles, which lies roughly in the center of the Bermuda Rise. The topography is characterized by low hills and rather extensive intermontane valleys (Pl. 16). Few individual hills exceed 50 fathoms in height. The topography of the sub-province is well illustrated in Plate 16. The depth is 2400 to 2700 fathoms. The plateau is bounded on the southeast by the Bermuda Scarp Zone. On the west it extends almost to the edge of the rise. On the north the Crescent Peaks and Muir Seamount Group have made it difficult to define the edge of the plateau.

Crescent Peaks.—Northwest of Bermuda a crescent-shaped line of conical peaks borders the Bermuda Apron. Individual peaks are 600 fathoms high and 4 to 6 miles wide at their base. This range of peaks forms a distinct sub-province which rises from the Bermuda Plateau.

[Pg 76]

Bermuda Scarp Zone.—The Bermuda Plateau is broken along its eastern margin by a series of scarps (Pl. 17). There appear to be two systems of scarps, one trending about N. 55° W. and the other about N. 35° E. Individual scarps range from 100 to 700 fathoms in height. The intersecting set of lines shown on the province chart (Pl. 20) indicates prominent scarps in this area. Dashed lines represent more speculative scarps. A further study of this interesting area is underway, and it is hoped that a more-detailed mapping of these scarps will be possible. Needless to say, dredging on these scarps should bring rich rewards in fossil sediments and igneous rocks which are undoubtedly exposed on these precipitous cliffs. The general character of the scarp zone is illustrated in Plate 17 by an echogram. There seem to be three or four major ne-sw scarps. In the east-central Bermuda Rise the areas between the scarp zones remain at virtually the same depth as the unfractured Bermuda Rise farther west. However, toward the southeast the inter-scarp areas drop as a series of steps. The depth along the base of each scarp is nevertheless deeper than the next lower step. The smaller topographic features of the southeast part of the scarp zone are very similar to the abyssal hills to the southeast and are thus probably of the same origin. The strips between successive scarps tend to shallow to the southeast and reach minimum depths just before the next scarp is reached.

Muir Seamount Group.—In 1945 workers on the U.S.S. MUIR discovered a large seamount 140 miles northeast of the Bermuda Islands. Subsequent reconnaissance surveys by the Lamont Geological Observatory (Tolstoy, 1951; Tolstoy and Ewing, 1949) revealed that the peak was asymmetrical in east-west profile (considerably steeper on the east) and that the seamount was elongate northeast-southwest parallel to the axis of the Bermuda Rise. Cores taken near its summit contained Eocene to Pleistocene sediment. Additional seamounts have been discovered in the area by Worzel and Shurbet (1955) and Northrop and Frosch (1954). The asymmetrical profile and the elongate shape parallel to the axis of the Bermuda Rise suggest that Muir Seamount is a tectonic uplift rather than a volcanic pile, but admittedly undersea vulcanism need not always produce symmetrical cones. As known, Muir Seamount is 35 miles wide (northwest-southeast), 60 miles long (northeast-southwest), and rises 1700 fathoms above the Bermuda Rise. The minimum sounding recorded is 846 fathoms. The Muir Seamount and near-by associated peaks apparently are not directly related to the Kelvin Seamount Group farther north. The north and northwest margin of the Bermuda Rise, like that on the west, is in some places a scarp and in other places a gentle transition. Near the northwest corner of the Bermuda Rise a range of hills each about 20 fathoms high and 3 miles wide follows the margin of the rise for many miles. The northeastern margin of the Bermuda Rise is abrupt in most places, and in some places a single scarp 500 fathoms high is all that separates the Bermuda Rise from the adjacent abyssal plain.

Sediments of the Bermuda Rise.—Most of the Bermuda Rise lies below the depth of 2500 fathoms, and thus the sediment ranges from foraminiferal clay through red clay with a predominance of red clay. In the vicinity of the Bermuda[Pg 77] Pedestal calcareous detrital sediments have built a depositional apron around the base of the pedestal in depths of 2300 to 2450 fathoms (Pl. 28). The seamounts of the Bermuda Rise are rocky, as shown by photographs and bottom samples. Several cores from the Muir Seamount revealed a variety of Tertiary foraminiferal lutites. With the exception of the detrital sediments of the Bermuda Apron, the scoured crests and flanks of the larger seamounts, and the steeper scarps, the Bermuda Rise is covered preponderantly by pelagic sediments. This is in sharp contrast to the surrounding abyssal plain and near-by continental rise, where cores reveal frequent alterations of detrital and pelagic sediments (Pl. 28).

CORNER RISE: Much less extensive and less well known is Corner Rise which lies directly south of the Grand Banks on the east side of the Sohm Abyssal Plain. Corner Rise is so named because its northwest boundary with the abyssal floor forms a sharp, nearly right-angled corner (Pl. 20). The main part of Corner Rise is formed by a group of large, poorly surveyed seamounts. Several of the peaks rise to 1500 fathoms. The area is represented in profile I of Plate 22 (between mile marks 1000 and 1200). Photographs taken on Corner Seamount at the northwestern extremity of Corner Rise showed rippled and hard-clay bottom to 1200 fathoms. The fact that these seamounts apparently form a prolongation of the Kelvin Seamount Group suggests the need for detailed investigation of the latter seamounts and the probability that additional volcanic seamounts may be found along the same trend.

Figure 34.Natural scale profile, Kelvin Seamount Group

[Pg 78]

ROCKALL RISE: Southwest of Rockall Bank between 19°W. and 23°W. on the 50th parallel, rising from the abyssal floor of the northeastern Atlantic, is an ill-defined area of irregular topography which seems not to belong to the Lower Step of the Mid-Atlantic Ridge. Little is known of this area, and its classification as a rise may not survive more detailed study. The area is illustrated in Plate 25 by profile E-1.

SEAMOUNTS OF THE OCEAN-BASIN FLOOR

A seamount is defined as any isolated elevation which rises more than 500 fathoms above the sea floor. Those seamounts which lie entirely on oceanic rises have been described as part of the rise topography. Now we will describe the seamounts of the abyssal floor.

KELVIN SEAMOUNT GROUP: An impressive row of large conical peaks runs from the vicinity of Georges Bank for 600 miles toward the northeast tip of the Bermuda Rise. A profile plotted at natural scale which crosses five of the largest seamounts is reproduced in Figure 34. The line of seamounts runs across the continental rise, abyssal plain, and the Bermuda Rise, seemingly little affected on crossing the province boundaries. The larger seamounts such as Kelvin Seamount are about 2000 fathoms higher than the adjacent plain and are as much as 35 miles in diameter at the base. Those which rise from the continental rise or the abyssal plain do so abruptly, suggesting that their bases are partially buried. The tops of most of these seamounts lie between 550 and 850 fathoms, and at least a few are flat-topped. They are thus very similar to the flat-topped guyots of the Pacific in size, shape, and the range of depths of their flat summits (Hamilton, 1956). Photographs taken on these seamounts showed rock, ripples and live solitary corals.

CARYN SEAMOUNT: A small conical peak, 1000 fathoms high, whose base is 8 miles in diameter, lies in the abyssal plain west of the Bermuda Rise (36° 45´N.). A magnetic survey of the peak has been published by Miller and Ewing (1956). They found an exceptionally large anomaly associated with the peak, which clearly showed its volcanic origin. Cores from the peak contained manganese nodules, altered volcanic rocks, and Upper Cretaceous to Recent fossils, which shows that it is at least as old as Upper Cretaceous. The base of the peak rises from the abyssal plain which extends out from the Hudson Submarine Delta.

HORSESHOE SEAMOUNT GROUP: About 300 miles due west from the Straits of Gibraltar an impressive group of seamounts lies in a horseshoe-shaped arc. Several of these, most notably Ampere and Josephine seamounts, rise to less than 100 fathoms. Josephine Seamount is the largest of the group and lies along an east-west topographic trend (the Azores-Gibraltar Ridge). In the southern half of the Horseshoe Group the individual seamounts appear to be coalescing cones similar to the seamounts of the Kelvin Group. Seamounts of the northern half, although imperfectly known, seem to be elongated east-west. The southern half of the group appears to resemble volcanic cones, while in the northern half tectonic deformation seems to have played a larger part. The seamounts have been cored, dredged, and photographed by a Lamont Observatory expedition. The sediments obtained from the seamounts are middle Tertiary to Recent (Sutton et al., 1957).

REPRESENTATIVE PDR RECORDS FROM BERMUDA RISE

Depth in fathoms.

PDR RECORD, BERMUDA SCARP ZONE

Depth in fathoms.

PDR RECORDS MID-ATLANTIC RIDGE

Depth in fathoms.

Area of each photograph is about 6 by 8 feet.

[Pg 79]

Plate 19.—OCEAN-BOTTOM PHOTOGRAPHS; MID-ATLANTIC RIDGE

Figure 1. (Station T1-9, photo 42) Depth 1410 fathoms, location 48° 38´N., 28° 48´W., on Western Rift Mountains, Mid-Atlantic Ridge. In this plate Figures 1, 2, and 3 are closely spaced photographs less than 100 feet apart.

Note the coarse-grained light and dark gravel in winnow row in the foreground and the light-colored clay or ooze bottom in background. Of the sixty photographs taken at this location three resembled Figures 2 and 3, several resembled Figure 1, and in the remainder the ocean floor was composed entirely of the light and dark gravel.

Figure 2. (Station T1-9, photo 43) Location about 50 feet from photo shown in Figure 1, same depth and position. The dark color of the rocks may be due to a coating of manganese dioxide. However, the rocks may actually be composed of dark material; no dredgings were taken here. All dredgings from Mid-Atlantic Ridge have brought up basalt and in some cases also gabbroic and serpentinized rock. It seems likely that the rock in Figure 2 and 3 of this plate is basalt. Note the abundance of sessile life on the rocky areas in contrast to its absence in the gravel-covered areas.

Figure 3. (Station T1-9, photo 45) Location about 100 feet from photo shown in Figure 2, same depth and position. Rock bottom on the Western Rift Mountains, Mid-Atlantic Ridge.

Figure 4. (Station V4-7, photo 27) Depth 500 fathoms, location 37° 25´N., 31° 10´W., Western Rift Mountains, Mid-Atlantic Ridge, south of the Azores Plateau.

Figure 5. (Station T1-54, photo 15) Depth 2100 fathoms, location 23° 07´N., 43° 45´W., Upper Step (eastern side), Mid-Atlantic Ridge. Apparatus in lower right attached to camera. Note tracks of crawling animal in left side of photo and small holes in bottom sediment. Photograph contrasts sharply with those from Rift Mountains in lack of current or oscillation ripples and rock outcrops.

Figure 6. (Station T1-14, photo 6) Depth 2130 fathoms, location 46° 04´N., 17° 43´W., Lower Step (eastern side), Mid-Atlantic Ridge. Note fecal pellets, mounds, and small holes. Again lack of evidence of strong currents or outcrops is notable.

Positions of stations shown on Plate 30

Photographs of the seamounts generally show winnowed and rippled sediment and rock (Pl. 15). Virtually all loose sediment is being removed from the seamounts. The horseshoe, open to the east, encloses an abyssal plain which is, judging from the sea-floor gradients, fed largely from the east by turbidity currents originating in the Straits of Gibraltar and the Gulf of Cadiz areas.

MILNE SEAMOUNT: Early charts of the western Atlantic showed an extensive bank of 20,000 square miles rising from the center of Newfoundland Abyssal Plain. At about the center of this area an exceptionally high peak has been discovered by cable ships, and the old name Milne Seamount has been assigned to this peak. It rises more than 2500 fathoms above the abyssal floor. Two seamounts of similar size have been found north and south of the Milne Seamount by workers on the R. V. Atlantis (Fig. 30).

As the abyssal floor is better surveyed many more isolated seamounts will undoubtedly be discovered, and they may reveal tectonically significant patterns.

[Pg 80]

SEISMICITY OF THE OCEAN-BASIN FLOOR

The ocean-basin floor provinces are virtually devoid of earthquakes of a size detectable at distant seismic observatories. Of course small earthquakes (< 5, Richter scale) would probably not be locatable in such remote regions. The virtual absence of larger shocks makes it improbable that many small ones occur there either. Two earthquakes have occurred in the Bermuda Rise, one near the west boundary and one in the scarp zone of the southeast Bermuda Rise (Pl. 29). Several quakes were felt in Bermuda before instrumental recording was available to permit location of their epicenters. Two quakes occurred in the abyssal plain northwest of the Cape Verde Islands, and two were located near Theta Gap northwest of Cape Finistere. All other earthquakes of the central part of the ocean basin are associated with the Mid-Atlantic Ridge or its eastern extension.

OCEAN-BASIN FLOOR PROVINCES AND CRUSTAL STRUCTURE

The results of seismic-refraction measurements in the ocean-basin floor can be divided into two categories depending on whether the measurements were made (1) in the abyssal floor, or (2) on an oceanic rise. Measurements in the abyssal floor of the western Atlantic (Ewing, Sutton, and Officer, 1954) revealed the simple pattern shown in Figure 35b and e—namely, that beneath 4-5 km of water lies .5-1 km of sediments and sedimentary rock with a compressional-wave velocity of about 2 km/sec, overlying 3-4 km of oceanic crustal rocks (6.5 km/sec); beneath this the sub-M mantle rocks show a velocity of about 8.1 km/sec. This pattern has been observed by most workers in the abyssal floors of other oceans (Raitt, 1957; Hill, 1956).

Officer, Ewing, and Wuenschel (1952) and Katz and Ewing (1955) have reported on the structure of the Bermuda Rise. The topographic change from abyssal floor to the Bermuda Rise is accompanied by a corresponding change in crustal structure (Fig. 35b and d).

A typical column measured on the Bermuda Plateau is shown in Figure 35d. Here the sub-M velocity appears to be lower, or possibly a new intermediate-velocity layer is inserted between the oceanic crust and the true mantle. In the Bermuda Rise seismic velocities in the oceanic crust differ somewhat from the typical abyssal-floor values. In the Bermuda Apron and adjacent parts of the Bermuda Plateau (Fig. 35c) above the oceanic crust a thick (up to 4 km) section of 4.5 km/sec velocity is found which has been quite reasonably identified as sedimentary and volcanic rocks.

Seismic-reflection measurements in the smoother parts of the ocean-basin floor fall into two general groups. Reflection records from the oceanic rises generally show a succession of reflections which can be correlated for considerable distances. Reflection records from the abyssal plains in general show many reflections which are usually impossible to correlate even between adjacent shots. This difference has been explained by Ericson, Ewing, and Heezen (1952) in terms of the distribution of turbidity-current deposits. In the abyssal plains relatively[Pg 81] frequent turbidity flows have deposited an alternating sequence of clays and silts which return a great number of reflections to the reflection seismograph. In contrast the rises receive only pelagic sedimentation, and thus the layering of their sedimentary cover is simple and widespread since it relates to major changes in pelagic sedimentation of past geologic ages.

Figure 35.Crustal sections in various physiographic provinces, determined by seismic-refraction measurements

[Pg 82]
[Pg 83]


MID-OCEANIC RIDGE

DEFINITION

The third basic subdivision of the oceanic depression is the Mid-Oceanic Ridge, a continuous median ridge which runs the length of the North Atlantic, South Atlantic, Indian and South Pacific oceans, for more than 40,000 miles (Heezen and Ewing, in press). In the center third of the physiographic diagram a short segment of this world-encircling ridge is represented.

MID-ATLANTIC RIDGE

One can find references to the Mid-Atlantic Ridge in the scientific literature dating back more than 80 years. Before the advent of the echo sounder the lateral limits of the Mid-Atlantic Ridge were very difficult to define, and even now widely different definitions are used. Murray (1912) mentioned that the ridge lay in depths less than 2000 fathoms but pointed out that locally on the ridge depths exceeded 2000 fathoms. The Meteor expedition charts and profiles generally imply by their labeling that the ridge is the area enclosed by the 4000-meter contour (2250 fathoms). Shepard (1948) states that its "average depth is about 1500 fathoms, but it rises about 1000 fathoms above deeper zones on either side."

Tolstoy and Ewing (1949) and Tolstoy (1951) in general limit the ridge to depths of less than 2500 fathoms, although in one part of the text Tolstoy and Ewing limit it to less than 2240 fathoms, and Tolstoy (1951) implies that the ridge extends to 2900 fathoms. In the present paper the Mid-Atlantic Ridge is considered as a morpho-tectonic unit defined in terms of morphology, and therefore its definition is not based on a closed isobath.

The Mid-Atlantic Ridge is that portion of the Mid-Oceanic Ridge system which lies within the limits of the Atlantic Ocean. It consists of a broad, fractured median arch or swell which occupies approximately the center third of the ocean. Its crest lies near the median line of the ocean, and its lateral boundaries are formed by scarps[2] which lie near the axes of maximum depth of the eastern and western basins. Adjacent to the Mid-Atlantic Ridge both to the east and to the west is the abyssal floor (usually abyssal hills) of the ocean-basin floor.

[2] Scarps have been seen on every recorded crossing. If they should be absent on a future crossing, it is expected that a major change in gradient will be found which will serve as a consistent definition for the ridge boundary.

Exaggerated profiles are useful in bringing out the major morphological characteristics of deep-sea topography. For some purposes, however, it is desirable to study the topography in profiles with no vertical exaggeration. Two such profiles are shown in Figures 37-41. The position of the two profiles is indicated in Figure 36. A very good idea of the individual slopes can be gained from a study of these natural-scale profiles, but the province boundaries are very difficult to identify.

A typical cross profile at 40:1 exaggeration is shown in Figure 42, a typical oceanic cross section, in which each physiographic province of the Mid-Atlantic Ridge is labelled.

[Pg 84]

Figure 36.Index to natural-scale Mid-Atlantic Ridge profiles reproduced in Figures 37-41

PROVINCES OF THE MID-ATLANTIC RIDGE

The Mid-Atlantic Ridge was subdivided by Tolstoy and Ewing (1949) and Tolstoy (1951) into (a) "the central backbone or main range which is shallower than 1600 fathoms," and (b) "the flanks" or "the terraced zone" "between the 1600- and 2500-fathom isobaths." In this paper we use a similar but somewhat differently defined system by dividing the provinces of the Mid-Atlantic Ridge into two categories: (1) the crest provinces, and (2) the flank provinces.


Crest provinces.—The provinces of the crest of the Mid-Atlantic Ridge consist of (1) the Rift Valley (or Valleys); (2) Rift Mountains; and (3) High Fractured Plateau (Fig. 43). The Azores Plateau, which forms part of the crest, presents additional problems and is discussed separately.

RIFT VALLEY: The most striking feature on an average profile across the Mid-Atlantic Ridge is a deep notch or cleft in the crest of the ridge. In a small percentage of the sounding profiles two or three such valleys are present, and on a few profiles no notable depressions are observed. On an average profile the floor of the valley lies at about 2000 fathoms, while the adjacent peaks average about 1000 fathoms below the sea surface. The width of the valley between the crests of the adjacent peaks ranges between 15 and 30 miles, and the depth of the valley floor beneath the highest adjacent peak ranges from 700 to 2100 fathoms. The width of the valley 500 fathoms above its floor ranges from 5 to 22 miles. The range in observed depths of the valley is 1150 to 2850 fathoms in the area of the[Pg 85] physiographic diagram. The adjacent peaks range from 500 to 1300 fathoms within the same area (excluding the area near the Azores) (Fig. 47).

Figure 37.Natural-scale Mid-Atlantic Ridge profile 1A

Slope corrections have been applied to profiles 1 and 2. The method is described by Elmendorf and Heezen (1957).

[Pg 86]

Figure 38.Natural-scale Mid-Atlantic Ridge profile 1B

[Pg 87]

Figure 39.Natural-scale Mid-Atlantic Ridge profile 1C

[Pg 88]

Figure 40.Natural-scale Mid-Atlantic Ridge profile 2A

[Pg 89]

Figure 41.Natural-scale Mid-Atlantic Ridge profile 2B

[Pg 90]

Figure 42.Type profile, provinces of the Mid-Atlantic Ridge

[Pg 91]

Figure 43.Tracing of PDR record, Rift Valley, Rift Mountains, High Fractured Plateau, and Upper Step

[Pg 92]

Figure 44.Tracing of PDR record, Western Rift Mountains

Twenty-six crossings of the Rift Valley are shown in Figure 45. The profiles can be divided into three groups: (1) single well-developed rift valley; (2) several well-developed deep valleys; (3) no particularly deep central valley. Most of the profiles (20) fall into the first class; the second class is represented by 5, and only 1 falls in the third class.

The topography of the floor of the rift is rough. In no instance has a flat floor been observed. Where the valley is widest mountains a few hundred fathoms high protrude from its floor.

RIFT MOUNTAINS: The steep walls flanking the rift each form one side of a large rough-sided block. They might be considered as tilted blocks whose facing slopes form the Rift Valley. The back or outer slope of the Rift-Mountains Province is generally broken into mountains as much as 500 fathoms high and 10 miles wide (Fig. 44). The lateral limit of the Rift-Mountains Province is reached when the average slope of the sea floor flattens markedly. Because of the high local relief it is sometimes difficult to pick the boundary of the Rift Mountains,[Pg 93] but in almost all recorded profiles the approximate position of the boundary is unmistakable.

Figure 45.Twenty-six rift valley profiles, Mid-Atlantic Ridge

Position of profiles shown on Plate 23

[Pg 94]

Figure 46.Five representative profiles, crest and western flank of Mid-Atlantic Ridge

[Pg 95]

HIGH FRACTURED PLATEAU: The High Fractured Plateau is adjacent to the Rift Mountains on either side of the ridge (Fig. 42). The local relief is about 400 fathoms from peak to adjacent valley, and the distance from peak to peak ranges from 8 to 20 miles. In contrast to the adjacent flank provinces there are no filled intermontane valleys, and the valleys are deeper and narrower than in the adjacent Upper Step Province. Within the limits of the physiographic diagram, the average depth of the High Fractured Plateau ranges from 1500 to 1900 fathoms.


Flank provinces.—Between the outer margin of the High Fractured Plateau provinces and the level of the ocean-basin floor lies a succession of parallel provinces, known as the Upper Step, the Middle Step, and the Lower Step. The limits of these provinces are the least well defined of all the provinces described in this paper. The flanks of the ridge are characterized by rough topography (Pl. 18). Peaks of more than 200 fathoms high occur at a frequency of about 15 per 100 miles. Some of the valleys between peaks are smooth, particularly in the provinces south of the Azores Plateau. The flanks of the Mid-Atlantic Ridge are broken by scarps which seem to persist for relatively long distances parallel to the trend of the crest (Pl. 20). These scarps or scarp zones break the ridge into a succession of units here called steps (Fig. 46). An alternative solution also seriously considered by the writers is that the steps might more correctly be considered as a series of tilted blocks which could be referred to as ramps. The difference between the two solutions can be appreciated by inspecting Figures 42 and 46.

The writers must emphasize that the term "terraces" of Tolstoy is in no sense the same as the term "step" used in this paper. Tolstoy defined his terraces as "a succession of smooth shelves, each from 1 to 50 miles in width," which occupy a zone "200-300 miles" wide. Features fitting this definition are called "intermontane basins" in this paper, following a suggestion made by Heezen et al. (1951).

The location of smooth-floored intermontane basins is shown on Plate 20. They are found only in the area extending about 8° southwest of the Azores. Small arrows indicate the slope of the smooth floors. In general all the valleys slope away from the crest of the ridge. Steps, on the contrary, are a succession of average levels separated by scarps or scarp zones and in general are not smooth except that a few basins may be filled. However, this filling is limited to a small area south of the Azores.

The flanks are divided into three steps: upper, middle, and lower. The division of anything into three parts is suspicious, whether it be a geologic period or a physiographic region. Such divisions usually are later replaced as more information is obtained. This is probably true of the three steps. We are more confident of the significance of the boundaries shown on the province chart than of the uniqueness of the enclosed areas, because each boundary marks a major scarp or[Pg 96] scarp zone. The steps are defined in part in any limited area on the basis of their mean depth. In general the Upper Step ranges from 1650 to 2300, the Middle Step from 2250 to 2500, and the Lower Step from 2350 to 2800 fathoms. Just as the maximum depth of the ridge and the axis of maximum depth of the basin vary with distance along the ridge (or with latitude), so the steps vary in depth and width (Fig. 47).

Figure 47.Axial profile of the Mid-Atlantic Ridge

(a). Distance between province boundaries of the eastern and western flanks of the Mid-Atlantic Ridge measured along parallels of latitude.

(b). Width of the Rift Valley measured at 250 fathoms and at 500 fathoms above the valley bottom and between the highest peaks of the Eastern and the Western Rift Mountains. Width in miles measured at right angles to the trend of the ridge.

(c). The depth below sea level of the Rift Valley, the Rift Mountains and the western and eastern axes of maximum depth. The depths shown on this graph are in uncorrected echo-sounding fathoms.

[Pg 97]


Azores Plateau.—The Azores Plateau is an area of 52,000 square miles of sea floor, surrounding the Azores Islands, where the depth is less than 1000 fathoms. The Azores Islands are oriented south-southeast-north-northwest along a topographic trend which strikes off toward the Straits of Gibraltar. This topographic connection between the Azores Plateau and the southern Iberian Peninsula has been called the Azores-Gibraltar Ridge, which the present writers con[Pg 98]sider as a poorly developed mid-oceanic ridge of the same general class as the Mid-Atlantic Ridge. The Azores Plateau itself merges with the Rift Mountains of the Mid-Atlantic Ridge. The sea-floor topographic trends of the eastern part of the plateau are parallel to the known tectonic and volcanic trends of the Azores Islands (Agostinho, 1937). In the western part of the Azores Plateau trends are north-south parallel to the main trends of the Mid-Atlantic Ridge. Although both Wüst (1940a) and Tolstoy (1951) have published contour charts of the Azores Plateau, it remains largely a mystery whether the trends of the eastern Azores Plateau cross or join the axial trends of the Mid-Atlantic Ridge. The Azores Plateau or bulge is generally considered as a highly fractured tectonic uplift in which vulcanism has played a comparatively small part (Cloos, 1939).


Azores-Gibraltar Ridge.—An ill-defined irregular ridge runs from the eastern end of the Azores Plateau to the Straits of Gibraltar. Largely on the basis of its seismicity we infer that this ridge is structurally and topographically similar to the Mid-Atlantic Ridge. The few existing topographic profiles across this feature suggest that the earthquake belt is associated with a rift valley of the same general type as the central Rift Valley of the Mid-Atlantic Ridge. Depths in this rift appear to reach 2300-2800 fathoms, and the depth of the tops of the adjoining mountains range from 1600 to 2000 fathoms. The flank provinces are even less well developed.


Atlantis-Plato-Cruiser-Great Meteor Seamount Chain.—South of the Azores a chain of great seamounts branches off from the High Fractured Plateau and crosses the Upper and Middle steps in a nearly north-south direction. These seamounts—Atlantis, Plato, Cruiser, and Great Meteor—in general have broad, nearly flat summits at depths of 100-250 fathoms. The largest one, Great Meteor, was discovered by workers on the Meteor in 1937. This seamount, 60 miles across at its base, rises majestically more than 2600 fathoms above the floor of the ocean. Sands and calcareous rocks have been dredged from the summits, and Tertiary sediments have been obtained from the flanks of the seamounts. Photographs of the tops and of the flanks to a depth of 1600 fathoms show ripple marks. This group is described in a paper by Heezen, Ewing, Ericson, and Bentley (in press).

GEOLOGY AND GEOPHYSICS OF MID-ATLANTIC RIDGE PHYSIOGRAPHIC PROVINCES

Seismicity of the Mid-Atlantic Ridge.—The earthquake epicenters instrumentally determined for the North Atlantic up to 1956 are shown in Plate 29. Nearly all earthquakes fall in the crest zone. Considering that determination of shocks is accurate only to within -½° to 1° +, it is quite surprising that the plotted epicenters form such a narrow belt. Investigation of the problem of the physiographic province most seismically active reveals that many epicenters actually plot in the Rift Valley and that virtually all that do not are within about 1°[Pg 99] of the Rift Valley. All seismic activity therefore is limited to the crest provinces, and probably virtually all the activity is concentrated within the Rift-Valley Province. A line of epicenters runs from the Rift Valley near Flores Island of the Azores toward the Straits of Gibraltar.


Sediments and physiographic provinces of the Mid-Atlantic Ridge.—The Mid-Atlantic Ridge is the major site of undisturbed pelagic sedimentation of the Atlantic because of its isolation from down-slope movements starting on the continental margin. However, turbidity currents must form near the shores of oceanic islands and the edges of shallow banks and probably contribute sediments to the intermontane valleys. Photographs taken on the Rift Mountains and on the sides of major seamounts show scour marks and ripple marks, indicating considerable winnowing and scour by deep-ocean currents (Pl. 19). This sediment carried from the tops of peaks and deposited on the steep mountain sides probably slumps occasionally and forms turbidity currents which flow to the adjacent valley floors (Pl. 28). For this reason cores taken in intermontane valleys and near the higher peaks will have considerable interlayering of turbidity-current deposits, and much of the sides and crests of individual high mountains is bare rock. In the Rift Mountains true pelagic sediments are only occasionally found. It is striking to note that in coring and bottom photography bare-rock slopes are found most commonly in the Rift Mountains and High Fractured Plateau, but flat-floored intermontane basins are absent in these provinces. This must indicate either that the topography of the Rift Mountains is very new or that the sediment eroded from the crest provinces is carried all the way to the Upper Step Province where it is deposited in the intermontane basins.


Rocks of the Mid-Atlantic Ridge.—Our knowledge of the lithology of the Mid-Atlantic Ridge comes from three sources: (1) rocks dredged from the sea floor, (2) detrital rock fragments found in sediment cores, and (3) rocks exposed on the islands of the Ridge.

Some of the earliest rock dredging on the Mid-Atlantic Ridge was done in 1885 by the Talisman expedition. In 1949 Furon (1949) reported the occurrence of fossil trilobites in dredge samples which had been stored for more than half a century in a French Museum. One dredging was made in the High Fractured Plateau of the eastern Atlantic at 42° 21´N., 17° 12´W., in 4255 meters depth (2330 fathoms). Furon believes that the material was in situ and therefore proof of early Paleozoic outcrops on the Mid-Atlantic Ridge. The abundant evidence of glacially rafted rocks even as far south as 30° N. casts serious doubt on this conclusion, but nevertheless the possibility that the material might have been in situ must be considered.

The Mid-Atlantic Ridge Expedition of 1947 led by Ewing made a number of successful rock-dredge hauls on the Mid-Atlantic Ridge. The most successful hauls were made in the Rift Valley and on the adjacent Rift Mountains at about 30° N. Lat. The specimens have been described by Shand (1949), who reported olivine gabbro, serpentine, basalt, and diabase. One limestone of probably Ter[Pg 100]tiary age was collected the same year but has not been described. The suite of crystalline rocks obtained is similar to those found on oceanic islands elsewhere on the Mid-Oceanic Ridge.


Crustal structure and the Mid-Atlantic Ridge provinces.—The crustal structure of the Mid-Atlantic Ridge provinces has been determined at about 20 places by the seismic-refraction technique (Fig. 35f). These studies, conducted by John I. Ewing and W. M. Ewing (in press), have shown that the average crustal structure of the crest provinces and Upper Step consists of 0.4 km of low-velocity sediment and 2.8 km of rock with a velocity of 5.1 km/sec overlying a substratum in which the velocity is 7.3 km/sec. The thickness of the layer of low-velocity sediment varies considerably from place to place. In the crest provinces the 5.1 km/sec layer is commonly exposed. In the flank provinces appreciable thicknesses (to 1 km) of sediment have been measured. The sediment seems to thicken between major scarp zones and ridges as if the sediment were collecting in longitudinal basins parallel to the axis of the ridge. An insufficient number of measurements have been made to determine whether these accumulations correlate with the boundaries of individual intermontane basins or with the limits of individual step provinces.

The structure of the abyssal floor, crest provinces, and flank provinces is compared in Figure 35. The two higher-velocity layers shown in the abyssal-floor sections (Nares and Sohm Abyssal Plain, Fig. 35), have been observed in all measurements made in these provinces. The 6.7 km/sec layer is generally considered to be gabbroic, and the 8.1 km/sec layer is by definition the earth's mantle. In the Mid-Atlantic Ridge section the upper high-velocity material has an average velocity of 5.1 km/sec and is generally identified as basaltic rock. The velocity of the underlying material (7.3 km/sec) is intermediate between the velocity of oceanic crustal rocks (6.7 km/sec) and that of mantle rocks (8.1 km/sec), as observed both beneath the continents and beneath the abyssal floor.

Ewing and Ewing (in press) suggest that this intermediate velocity is the result of a physical mixture of oceanic crustal rocks and mantle rocks. To explain such large-scale mixing they propose that extensive vulcanism and intrusion along the Mid-Atlantic Ridge have produced an intermingling of the crustal and mantle rocks, and that this was associated with convection cells in the deep mantle which supply large quantities of basaltic magma and produce extensional forces on the crust and upper mantle.

Nearly 20 crossings of the crest of the ridge have been made with the total-intensity magnetometer towed behind research vessels employing continuously recording echo sounders. A characteristic anomaly pattern has been noted by Ewing, Heezen, and Hirshman (1957). The Rift Valley is characterized by a large positive anomaly, while the adjoining Rift Mountains show negative anomalies of 300 to 500 gammas (Fig. 48).

Free-air gravity anomalies over the crest provinces and Upper Step are usually 30-50 mg positive, while the Rift Valley as measured in two places gave free-air anomalies of -3 and -20 mg.

[Pg 101]

Figure 48.Profile of total magnetic intensity and topography, Mid-Atlantic Ridge

Soundings made with PDR. Magnetic measurements made with fluxgate total-intensity magnetometer. Magnetic values in gammas relative to an arbitrary zero.

[Pg 102]

Figure 49.Physiographic provinces and trans-Atlantic structure

Based on scattered seismic-refraction measurements in the North Atlantic which have been projected along province boundaries. The topographic profile was pieced together from continuously recorded echo-sounding profiles from New York to Spanish Sahara.

In the continental margin the upper layer represents the sedimentary rock. The dashed symbol indicates the continental crustal rocks. The lower layer represents oceanic crustal rocks. The mantle lies below the lowest layer.

[Pg 103]

A heat-flow measurement by E. C. Bullard in the Rift Valley province in the North Atlantic indicated a value of about 7 × 10-6 cal./cm2/sec. which is about 6 times the average value of 1.2 × 10-6 cal./cm2/sec observed in the Lower Step and abyssal floor of the eastern Atlantic (Bullard, 1954; Bullard et al., 1956).

High heat-flow values have also been observed on the Easter Island Ridge of the Southeast Pacific, suggesting that the entire Mid-Oceanic Ridge rift system may be so characterized.

An adequate synthesis and explanation of all these converging lines of evidence has not yet been formulated. However, the correlation of so many types of geophysical and geological data speaks favorably for the validity and tectonic significance of the physiographic provinces described here.

On the basis of the observed correspondence of crustal structure and physiographic provinces a hypothetical trans-Atlantic structure section was prepared (Fig. 49). Seismic-refraction measurements were projected along province boundaries and plotted beneath an echo-sounding profile from New York to Spanish Sahara. The black splotched areas represent the 7.3 km/sec layer. This velocity intermediate between 8.1 km/sec of normal mantle and 6.7 km/sec of normal oceanic crust is considered (1) a mixture of the two normal layers; (2) a low-velocity part of the mantle, or (3) a distinct crustal layer characteristic of mid-oceanic ridges. The structure shown for the continental margin of Africa is based on analogy with the structure of the continental margin of northeastern United States. This procedure seems justified by the close similarity of the continental-margin physiographic provinces of the two areas.


Origin of the Mid-Atlantic Ridge.—Of the many theories which have been proposed for the origin of the Mid-Atlantic Ridge almost all have been extremely speculative, and none has been based on any very detailed knowledge of the feature. We are still a long way from having a comprehensive knowledge of the Ridge. The various theories of origin and their factual basis have been briefly reviewed by Tolstoy and Ewing, who conclude that it is impossible to say if the feature is primarily of folded or faulted origin. In a paper in press Heezen and Ewing compare in detail the topography and seismicity of the African rift valleys and the Rift Valley of the Mid-Atlantic Ridge. Their conclusion is that the two areas are of basically the same structure, and in fact both form parts of the same continuous structural feature. Since the African rift valleys seem clearly to be the result of normal faulting resulting from extension of the crust, Heezen and Ewing conclude that the topography of the Mid-Atlantic Ridge is largely the result of normal faulting. Whether the forces are the result of horizontal extension or vertical uplift remains the most important unsolved problem in connection with the origin of the continental as well as the suboceanic rift-valley systems. Hess (1954) has proposed a mechanism relating suboceanic uplift to expansion due to serpentization of the upper mantle.

[Pg 104]
[Pg 105]

SUB-BOTTOM REFLECTIONS RECORDED ON PRECISION DEPTH RECORDER RECORDS AND PHYSIOGRAPHIC PROVINCES

In some areas of the ocean PDR records show a reflecting surface a few fathoms below the bottom. Such horizons are observed only when the sounder is operated with a short (5-millisecond) ping length (in echo sounding the transmitted sound is called the ping, and its duration is called the ping length). When a long ping is used the first returning echo masks any subsequent echoes occurring less than about 10 fathoms after the first echo. To establish continuity of the lower horizon it is necessary to run the recorder without interruption, sending pings once a second. Since a faulty pinging circuit or some accident of geometry could conceivably send out two closely spaced pings, the supposed sub-bottom echoes must be carefully checked to make sure that they are not both bottom echoes from two closely spaced pings. If two pings were being sent out the second echo would always symmetrically underlie the bottom surface. If, however, the two surfaces show local variations, it can be safely concluded that the deeper one is a true sub-bottom echo. In order to observe sub-bottom echoes the sea floor should be reasonably smooth since in rugged relief side echoes and crossing "highlight" hyperbolas obscure any sub-bottom echoes which might occur. Sub-bottom echoes in the Gulf of Maine have been well described by Murray (1947). In local inshore areas prominent sub-bottom echoes recorded by unmodified or slightly modified standard echo sounders have been used to map basement rocks (Smith et al., 1952).

In the deep sea, sub-bottom echoes or "penetration" are observed most frequently in the continental rise, oceanic rises, and the far edges of the abyssal plains. Penetration is rare on the open continental shelf and on the continental slope. As the depth increases, echoes are more difficult to obtain, so that records from different depths cannot be directly compared in reference to ease of penetration. It nevertheless seems to be true that sub-bottom echoes are rare or absent on PDR records from the parts of the abyssal plains closest to the continental margin. Penetration in the continental rise is common but frequently irregular and intermittent. One of the most persistent and uniform sub-bottom reflecting horizons observed occurs on the outer ridge east of the Bahamas (south of 30° N.) (Pl. 6).

Records from the abyssal plain immediately adjacent to the abyssal hills (Pl. 13 Fig. 4) and from the flat-floored tongues in the abyssal hills (Pl. 10) reveal some of the deepest and strongest sub-bottom echoes. Good sub-bottom echoes are common in the Bermuda Plateau.

The sub-bottom reflecting layers frequently crop out, and the overlying sediments thicken and thin, revealing apparently noticeable variations in the rate of accumulation of sediments. Outcropping of sub-bottom layers on the steeper slopes indicate slumping, while the deepening of the sub-bottom reflecting horizon in valleys indicates a greater rate of deposition. High-frequency sound is[Pg 106] normally strongly attenuated by transmission through sediments. The observation of sub-bottom reflections with high-frequency sound pulses (12 kc) indicates (1) that the surface sediment is uniform and is of low density, and (2) that a fairly sharp density change occurs beneath this surface layer of low-density material. In areas such as the outer ridge from 22° to 29° N. Lat. and the southern Bermuda Rise, it can be safely assumed that the upper layer consists of deep-sea red clay. Density measurements on red clay have indicated values of 1.25 to 1.45. The lack of sub-bottom reflections over the parts of the abyssal plains close to the continents is attributed to the numerous sand and silt layers found in the cores which reflect most of the sound. The occurrence of good reflections beneath the outer edges of the abyssal plains could be explained by either assuming that for a long geologic time no sand-or silt-carrying turbidity current has reached this area, or that red clay is deposited here much faster than elsewhere.

An extremely prominent sub-bottom reflector observed over a vast area of the east tropical Pacific has been identified by coring with a 10-cm thick bed of white, vitreous ash. This suggests that sub-bottom reflections found elsewhere may, in general, represent ash horizons. This, of course, would presuppose ash falls so vast that some record should have been preserved on land. There is no reason to assume that there is but a single cause of deep-sea sub-bottom echoes.

The widespread occurrence of the sub-bottom interface on the deeper isolated rises may be of great importance if it be interpreted as evidence of a sudden change in sedimentation resulting in a change from higher- to lower-density sediment. It is just conceivable, however, that some unstable diagenetic process may cause a sudden increase in compaction at a depth corresponding to the sub-bottom reflection.

The sub-bottom reflections in depths of 2600 fathoms on the southern Bermuda Rise and the outer ridge is about .02 second after the bottom echo, and this indicates a layer about 10 fathoms thick. At a rate of deposition of 1 cm/1000 years this change in sediment type would have occurred 20 million years ago.

In a remotely situated oceanic area the factors controlling whether red clay or Globigerina ooze is laid down are largely related to depth and temperature of the bottom water. These two factors are related to those which control the solubility of the carbonate and thus the type of bottom deposit. Emiliani and Edwards (1953), from a study of oxygen isotopes in benthic Foraminifera in Tertiary deep-sea sediments from the eastern Pacific, concluded that the temperature of Pacific bottom water decreased 8° C. from the Eocene to the present. This should have caused a great increase in the solution of carbonate assuming other factors unchanged. Sub-bottom reflections then may also be interpreted as the result of a change in the temperature or the circulation of bottom water in the deep basin. Extensive, basin-wide sub-bottom reflectors, whether the result of vast beds of ash or widespread changes in pelagic sedimentation, imply events of global importance. The further investigation and identification of these reflectors should produce data of far-reaching application in geology, climatology, and paleo-oceanography.

[Pg 107]

SUMMARY OF PROVINCE CHARACTERISTICS

The Atlantic Ocean floor consists of three major morphological divisions: (1) continental margin, (2) ocean-basin floor, and (3) Mid-Oceanic Ridge. The continental margin is formed by three categories of provinces which represent (1) the submerged continental platform, (2) the steep edge of the continental block, and (3) the raised or depressed edge of the ocean floor. The topographic detail of the continental margin is predominantly smooth except for the submarine canyons and minor irregularities of the upper continental rise. A close correspondence of topography and distribution of recent sediments is apparent. For example, deep-sea sands are found in the submarine canyons and on the canyon deltas of the lower continental rise. The continental slope appears to be a thinly veneered or bare outcrop of Tertiary and Mesozoic sediments. Individual topographic benches can be traced for many miles along the strike. On the basis of published descriptions and dating of dredged rock, certain prominent benches are identified as the outcrop pattern of various Cretaceous and Tertiary formations. The lower continental rise can be directly traced into the outer ridge at Cape Hatteras. The upper continental-rise and the marginal-trench provinces lie between the abrupt continental slope and the outer ridge. Seismic-refraction measurements in the continental margin indicate the greatest thickness of sedimentary rocks under the upper continental rise. Thus if we consider the initial form as an unfilled depression it would have been remarkably similar to the form of the present marginal trenches.

The ocean-basin floor lies between the continental margin and the Mid-Oceanic Ridge and consists of the deeper abyssal floor and the elevated oceanic rises. On the abyssal floor adjacent to the continental margins are found the flattest surfaces of the earth. These abyssal plains apparently were built by turbidity-current deposits. The unburied abyssal floor is represented by the abyssal hills. The oceanic rises are broad uplifts which rise from the abyssal floor through a series of scarps. Oceanic rises are covered with pelagic sediments except locally near islands and seamounts. The crustal structure of oceanic rises differs significantly from the typical abyssal floor in having lower velocities and generally thicker crustal layers.

The Mid-Oceanic Ridge is a broad fractured arch whose axis follows the median line of the ocean. It generally covers the center third of the ocean. The ridge provinces are divided into crest provinces and flank provinces. The crest provinces include (1) the Rift Valley, a long axial cleft 15-30 miles wide and 500-1500 fathoms deep; (2) the Rift Mountains which form the sides of the Rift Valley; and (3) the High Fractured Plateau, a rugged plateau which borders the Rift Mountains. The flank provinces consist, on each side, of roughly three steps separated by large scarps. A seismic belt accurately follows the Rift Valley. The topography of the Mid-Oceanic Ridge seems best explained by extensive normal faulting. The mid-oceanic Rift Valley connects with and is probably of the same origin as the African rift valleys.

[Pg 108]
[Pg 109]


BIBLIOGRAPHY

Agostinho, J., 1937, Volcanic activity in the Azores: Bulletin Volcanologique, v. II (Series II), p. 380-400

Andrade, C. F. de, 1937, Os vales Submarinos Portugueses: Servicos Geologicos de Portugal, Lisboa, 235 p.

Anonymous, 1935, General bathymetric chart of the oceans, Sheet A1: Information concerning the preparation of the third edition of Sheet A1; North Atlantic Ocean: Int. Hydro. Bur., Spec. Pub. 30, 30 p.

---- 1939, A summary of echo sounding apparatus: Int. Hydro. Bur., Monaco, Spec. Pub. 33, 137 p.

---- 1953, Limits of oceans and seas: Intl. Hydro. Bur., Monaco, Spec. Pub. 23, 23 p.

Armstrong, J. C., 1953, Oceanography in the Tongue of the Ocean, Bahamas, B.W.I.: Special Report of the American Museum of Natural History, N. Y., 63 p.

Atwood, W. W., 1940, The physiographic provinces of North America: Ginn and Co., Boston, 536 p.

Bartholomew, J. C. & Son Ltd., 1952, Map of Western Europe, scale 1:3,000,000: Edinburgh Geographical Inst., Edinburgh, Scotland

---- 1955, Map of Africa, scale 1:10,000,000: Edinburgh Geographical Inst., Edinburgh, Scotland

Bentley, C., and Worzel, J. L., 1956, Geophysical investigations in the emerged and submerged Atlantic coastal plain, Part X: Continental shelf, slope and rise south of the Grand Banks: Geol. Soc. Am. Bull., v. 67, p. 1-18

Bourcart, J., 1949, Geographie du fond des mers: Payot, Paris, 307 p.

Bourcart, J., and Marie, P., 1951, Sur la nature du "Rebord Continental" a l'ouest de la Manche: C. R. Acad. de Science, Paris, t. 232, p. 2346-2348

Bullard, E. C., 1954, The flow of heat through the floor of the Atlantic Ocean: Proc. Roy. Soc. A, v. 222, p. 408-429

Bullard, E. C., and Gaskell, T. F., 1941, Submarine seismic investigations: Proc. Roy. Soc. A, v. 177, p. 476-499

Bullard, E. C., Maxwell, A. E., and Revelle, R., 1956, Heat flow through the ocean floor, p. 153-179 in Advances in geophysics: v. 3, Academic Press, N. Y., 320 p.

Cloos, H., 1939, Zur Tektonik der Azoren: Geol. Rundschau, v. 30, p. 506-510

Dahl, W. H., 1925, Tertiary fossils dredged off the northeastern coast of North America: Am. Jour. Sci., 5th ser., v. 10, p. 215

Davidson, M. J., and Miller, E. T., 1956, An airborne magnetic survey of the West Indies, Gulf of Mexico, and the eastern United States continental margin (Abstract): Am. Geophys. Union Trans., v. 37, p. 341

Day, A. A., Hill, M. N., Laughton, A. S., and Swallow, J. S., 1956, Seismic prospecting in the western approaches of the English Channel: Quart. Jour. Geol. Soc. London, v. CXII, p. 15-44

de Smitt, V. P., 1932, Earthquakes in the North Atlantic as related to submarine cables (Abstract): Am. Geophys. Union Trans., p. 103-109

Dietrich, G., 1939, Einige Morphologische Ergebnisse der Meteor-Fahrt, Januar bis Mai 1938: Ann. d. Hydrogr. u. Marit. Meterol., v. 67, p. 20-23

Dietz, R. S., 1952, Geomorphic evolution of continental terrace (continental shelf and slope): Amer. Assoc. Petrol. Geol. Bull., v. 36, p. 1802-1820

---- 1953, Possible deep-sea turbidity-current channels in the Indian Ocean: Geol. Soc. Am. Bull., v. 64, p. 375-378

---- 1954, Methods of exploring the ocean floor, p. 194-200 in Isaacs, J. D., Iselin, C. O'D., Editors, Oceanographic instrumentation: Natl. Acad. of Sci., Publ. 309, Washington, D. C.

Dietz, R. S., and Menard, H. W., 1951, Origin of abrupt change in slope at continental shelf margin: Amer. Assoc. Petrol. Geol. Bull., v. 35, p. 1994-2016

Drake, C. L., Sutton, G., and Ewing, M., in press, Continental margins and geosynclines, east coast of North America, north of Cape Hatteras

Drake, C. L., Worzel, J. L., and Beckmann, W. C., 1954, Geophysical investigations in the emerged and submerged Atlantic coastal plain. Part IX, Gulf of Maine: Geol. Soc. Am. Bull., v. 66, p. 957-970

Elmendorf, C. H., and Heezen, B. C., 1957, Oceanographic information for engineering submarine cable systems: Bell System Tech. Jour., v. XXXVI, p. 1047-1093

Emery, K. O., 1950, A deep fathogram across the North Atlantic: Am. Jour. Sci., v. 248, p. 100-106

[Pg 110]

Emiliani, C., and Edwards, G., 1953, Tertiary ocean bottom temperatures: Nature, v. 171, no. 4359, p. 887-888

Ericson, D. B., 1952, North Atlantic deep-sea sediments and submarine canyons: N. Y. Acad. Sci. Trans., ser. II, v. 15, p. 50-53

Ericson, D. B., Ewing, M., and Heezen, B. C., 1951, Deep-sea sands and submarine canyons: Geol. Soc. Am. Bull., v. 62, p. 961-965

---- 1952, Turbidity currents and sediments in the North Atlantic: Amer. Assoc. of Petrol. Geol. Bull., v. 36, p. 489-512

Ericson, D. B., Ewing, M., Heezen, B. C., and Wollin, G., 1955, Sediment deposition in the deep Atlantic, p. 205-220 in Poldervaart, Arie, Editor, Crust of the earth: Geol. Soc. Am. Spec. Paper 62, 762 p.

Ericson, D. B., Ewing, M., Wollin, G., and Heezen, B. C., in press, Two-hundred and twenty-one Atlantic deep-sea cores: Geol. Soc. Am.

Ewing, J. I., and Ewing, W. M., in press, Seismic refraction measurements in the Atlantic Ocean basins, Mediterranean Sea, on the Mid-Atlantic Ridge and in the Norwegian Sea: Geol. Soc. Am. Bull.

Ewing, J. I., Officer, C. B., Johnson, H. R., and Edwards, R. S., 1957, Geophysical investigations of the eastern Caribbean. Trinidad Shelf, Tobago Trough, Barbados Ridge, Atlantic Ocean: Geol. Soc. Am. Bull., v. 68, p. 897-912

Ewing, M., and Heezen, B. C., 1955, Puerto Rico Trench topographic and geophysical data, p. 255-268 in Poldervaart, Arie, Editor, Crust of the earth: Geol. Soc. Am. Spec. Paper 62, 762 p.

---- 1956a, Oceanographic research programs of the Lamont Geological Observatory: Geog. Rev., v. XLVI, p. 508-535

---- 1956b, Some problems of Antarctic submarine geology: Antarctica in the I. G. Y., Geophys. Mon., no. 1, p. 75-81

Ewing, M., and Worzel, J. L., 1954, Gravity anomalies and structure of the West Indies, Part I: Geol. Soc. Am. Bull., v. 65, p. 165-174

Ewing, M., Crary, A. P., and Rutherford, H. M., 1937, Geophysical investigations in the emerged and submerged Atlantic Coastal Plain, Part I: Geol. Soc. Am. Bull., v. 48, p. 753-802

Ewing, M., Ericson, D. B., and Heezen, B. C., 1958, Sediments and topography of the Gulf of Mexico, p. 995-1053 in Weeks, L., Editor, Habitat of Oil; Amer. Assoc. Petrol. Geol., Tulsa, 1384p.

Ewing, M., Heezen, B. C., and Hirshman, J., 1957, Mid-Atlantic Ridge seismic belt and magnetic anomalies (Abstract): Comm. No. 110 bis. Assoc. Seismol. Ass. Gen. U. G. G. I., Toronto

Ewing, M., Sutton, G. H., and Officer, C. B. Jr., 1954, Seismic refraction measurements in the Atlantic Ocean, Part VI: Typical deep stations, North America Basin: Seismol. Soc. Am. Bull., v. 44, p. 21-38

Ewing, M., Woollard, G. P., Vine, A. C., and Worzel, J. L., 1946, Recent results in submarine geophysics: Geol. Soc. Am. Bull., v. 57, p. 909-934

Ewing, M., Heezen, B. C., Ericson, D. B., Northrop, J., and Dorman, J., 1953, Exploration of the Northwest Atlantic Mid-Ocean Canyon: Geol. Soc. Am. Bull., v. 64, p. 865-868

Fenneman, N. M., 1938, Physiography of Eastern United States: McGraw-Hill, N. Y., 714 p.

Fisher, R. L., 1954, On sounding in trenches: Deep Sea Research, v. 2, no. 1, p. 48-58

Frassetto, R., and Northrop, J., 1957, Virgin Islands bathymetric survey: Deep Sea Research, v. 4, p. 138-146

Furon, R., 1949, Sur les trilobites draguées à 4255 m. de profondeur par le Talisman (1883): C. R. Acad, de Sci., Paris, t. 228, p. 1509-1510

Gaskell, T. F., and Ashton, W., 1954, H. M. S. Challenger's world voyage 1950-52. part 2: Intl. Hydro. Rev., v. 31, p. 101-111

Gibson, W. M., 1958, Gulf of Alaska trough parallels Aleutian Trench: Geol. Soc. Am. Bull., v. 69, p. 611-614

Grousson, R., 1957, Bathymetrie de la cote Atlantique de Maroc: Ministère de la Défense Nationale, Paris, Bull. d'Information C.O.E.C., ann. IX, no. 8, p. 411-412

Gutenberg, B., and Richter, C. F., 1954, Seismicity of the earth: Princeton Univ. Press, Princeton, N. J., 310 p.

Hamilton, E. L., 1956, Sunken islands of the Mid-Pacific Mountains: Geol. Soc. Am. Memoir 64, 97 p.

Heezen, B. C., 1954, Methods of exploring the ocean floor, p. 200-205 in Isaacs, J. D., and Iselin, C. O'D., Editors, Oceanographic Instrumentation: Natl. Acad. of Sci., Publ. 309

---- 1956, The origin of the submarine canyons: Scient. American, v. 195, p. 36-41

---- In preparation, Some precision sounding profiles by U.S.S. Glacier and U.S.S. Wyandot in Antarctic waters

[Pg 111]

Heezen, B. C., and Ewing, M., 1952, Turbidity currents and submarine slumps, and the Grand Banks earthquake: Am. Jour. Sci., v. 250, p. 849-873

---- 1955, Orleansville earthquake and turbidity currents: Amer. Assoc. Petrol. Geol. Bull., v. 39, p. 2505-2514

---- In press, Seismicity of the Mid-Atlantic Ridge: Amer. Geophys. Union Trans.

Heezen, B. C., Ericson, D. B., and Ewing, M., 1954, Further evidence for a turbidity current following the 1929 Grand Banks earthquake: Deep Sea Research, v. 1, p. 193-202

Heezen, B. C., Ewing, M., Ericson, D. B., 1951, Submarine topography in the North Atlantic: Geol. Soc. Am. Bull., v. 62, p. 1407-1409

---- 1954, Reconnaissance survey of the abyssal plain south of Newfoundland: Deep Sea Research, v. 2, p. 122-133

Heezen, B. C., Ewing, M., and Menzies, R. J., 1955, The influence of submarine turbidity currents on abyssal productivity: Oikos, v. 6, p. 170-182

---- 1958, Submarine turbidity flows: Priroda, Feb. 1958, p. 100-104 (in Russian)

Heezen, B. C., Ewing, M., and Miller, E. T., 1953, Trans-Atlantic profile of total magnetic intensity and topography, Dakar to Barbados: Deep Sea Research, v. 1, p. 25-33

Heezen, B. C., Ewing, M., Ericson, D. B., and Bentley, C. R., in press, The flat-topped Atlantis, Cruiser and Great Meteor seamounts: Geol. Soc. Am. Bull.

Heezen, B. C., and others, in preparation, Submarine structural benches and drowned beaches of the Atlantic

Hess, H. H., 1954, Geological hypotheses and the earth's crust under the ocean: Roy. Soc. Proc., A. v. 222, p. 341-348

---- 1933, Interpretation of geological and geophysical observations, Navy Princeton gravity expedition to West Indies in 1932: Naval Observatory Publ. no. 19, p. 27-54

Hill, M. N., 1954, Topography of the Mid-Atlantic Ridge (Abstract): Abstracts of Rome meeting of U.G.G.I.

---- 1956, Notes on the bathymetric chart of the northeast Atlantic: Deep Sea Research, v. 3, p. 229-231

---- 1957, Recent geophysical exploration of the ocean floor, p. 129-163 in Ahrens, L. H., et al., Editors, Physics and chemistry of the earth: Pergamon Press, London, 259 p.

Johnson, Douglas, 1939, Origin of submarine canyons: Columbia Univ. Press, New York, 216 p.

Katz, S., and Ewing, M., 1955, Seismic-refraction measurements in the Atlantic Ocean, Part VII, Atlantic Ocean basin west of Bermuda: Geol. Soc. Am. Bull., v. 67, p. 475-510

Kay, M., 1951, North American geosynclines: Geol. Soc. Am. Memoir 48, 143 p.

Keller, F. J., Meuschke, J. L., and Alldredge, L. R., 1954, Aeromagnetic surveys in the Aleutian, Marshall, and Bermuda islands: Amer. Geophys. Union Trans., v. 35, p. 558-572

Knott, S. T., and Hersey, J. B., 1956, Interpretation of high resolution echo-sounding techniques and their use in bathymetry, marine geophysics, and geology: Deep Sea Research, v. 4, p. 36-44

Koczy, F. F., 1954, A survey on deep sea features taken during the Swedish Deep Sea Expedition: Deep Sea Research, v. 1, p. 170-184

---- 1956, Echo soundings, Reports of Swedish Deep Sea Expeditions, v. IV, Bottom investigations: Fasc. II, p. 99-158, Göteborgs Kungl. Vetenskaps-och vitterhetssamhälle

Kuenen, Ph. H., 1950, Marine geology: Wiley, New York, 568 p.

Lee, C. S., 1951, Geophysical surveys on the Bahama Banks: Inst. Petrol. Jour. London, v. 37, no. 334, p. 633-657

Lobeck, A. K., 1924, Block diagrams: Wiley, New York, 206 p.

---- 1939, Geomorphology: McGraw-Hill, New York, 731 p.

---- 1948, Physiographic diagram of the United States: Geog. Press, N. Y.

Luskin, B., and Israel, H. G., 1956, Precision depth recorder MK-V: Lamont Geological Observatory and Time Facsimile Corp., Tech. Rept. no. 12, 31 p.

Luskin, B., Heezen, B. C., Ewing, M., and Landisman, M., 1954, Precision measurements of ocean depth: Deep Sea Research, v. 1, p. 131-140

Matthews, D. J., 1939, Tables of the velocity of sound in pure water and sea water for use in echo sounding and echo ranging: Admiralty Hydrographic Dept., London, 52 p.

Maury, M. F., 1855, Physical geography of the sea: Harpers, New York, 389 p.

Menard, H. W., 1955, Deep sea channels, topography and sedimentation, Amer. Assoc. Petrol. Geol. Bull., v. 39, p. 236-255

Miller, E. T., and Ewing, M., 1956, Geomagnetic measurements in the Gulf of Mexico and in the vicinity of Caryn Peak: Geophysics, v. XXI, p. 406-432

Murray, H. W., 1947, Topography of the Gulf of Maine: Geol. Soc. Am. Bull., v. 58, p. 153-196

[Pg 112]

Murray, J., and Hjort, J., 1912, Depths of the ocean: John Murray, London, 821 p.

Nafe, J., and Drake, C. L., 1957, Variation with depth in shallow and deep water marine sediments of porosity, density and the velocities of compressional and shear waves: Geophysics, v. XXII, p. 523-552

Newell, N. D., 1955, Bahamian platforms, p. 303-316 in Poldervaart. Arie, Editor, Crust of the earth: Geol. Soc. Am. Special Paper 62, 762 p.

Northrop, J., and Frosch, R., 1954, Seamounts in the North America basin: Deep Sea Research, v. 1, p. 252-257

Northrop, J., and Heezen, B. C., 1951, An outcrop of Eocene sediment on the continental slope: Jour. Geol., v. 59, p. 369-399

Officer, C. B., and Ewing, M., 1954, Geophysical investigations in the emerged and submerged Atlantic coastal plain, Part VII, Continental shelf, continental slope, and continental rise south of Nova Scotia: Geol. Soc. Am. Bull., v. 65, p. 653-670

Officer, C. B., Ewing, M., and Wuenschel, P. C., 1952, Seismic refraction measurements in the Atlantic Ocean basin, Part IV, Bermuda, Bermuda Rise, and Nares Basin: Geol. Soc. Am. Bull., v. 63, p. 777-809

Officer, C. B., Ewing, J. I., Edwards, R. S., and Johnson, H. R., 1957, Geophysical investigations in the eastern Caribbean. Venezuelan Basin, Antilles Island Arc, and Puerto Rico Trench: Geol. Soc. Am. Bull., v. 68, p. 359-378

Pettijohn, F. J., 1957, Sedimentary rocks: Harpers, New York, 718 p.

Press, F., and Beckmann, W. C., 1954, Geophysical investigations in the emerged and submerged Atlantic coastal plain, Part VIII, Grand Banks and adjacent shelves: Geol. Soc. America Bull., v. 65, p. 299-314

Raisz, E., 1952, Landforms of the United States: Harvard Univ., Cambridge, Mass.

Raitt, R. W., 1956, Seismic-refraction studies of the Pacific Ocean basin, Part I, Crustal thickness of the equatorial Pacific: Geol. Soc. Am. Bull., v. 67, p. 1623-1640

Richards, H. J., and Ruhle, J. L., 1955, Mollusks from a sediment core from the Hudson submarine canyon: Pa. Acad. Sci. Proc., v. XXIX, p. 186-190

Schott, G., 1942, Geographie des Atlantischen Ozeans: C. Boysen, Hamburg, 438 p.

Schüler, F., 1952, On the accuracy of configuration of sea bottom profiles with high frequency echo sounders: Intl. Hydro. Review, v. VII, p. 126-135

Shand, S. J., 1949, Rocks of the Mid-Atlantic Ridge: Jour. Geol., v. 57, p. 89-92

Shepard, F. P., 1931, Saint Lawrence (Cabot Strait) submarine trough: Geol. Soc. Am. Bull., v. 42, p. 853-864

---- 1948, Submarine geology: Harpers, New York, 348 p.

Shepard, F. P., and Cohee, G. V., 1936, Continental shelf sediments off the Mid-Atlantic states, Geol. Soc. Am. Bull., v. 47, p. 441-457

Shepard, F. P., Treffenden, J. M., and Cohee, G. V., 1934, Origin of Georges Bank: Geol. Soc. Am. Bull., v. 45, p. 281-302

Shurbet, G. L., and Worzel, J. L., 1957, Gravity anomalies and structure of the West Indies, Part III: Geol. Soc. Am. Bull., v. 68, p. 263-266

Smith, E. H., Soule, F. M., and Mosby, O., 1937, Marion and General Greene expeditions to Davis Strait and Labrador Sea under the direction of the U. S. Coast Guard, 1928-1931-1933-1934-1935: U. S. Coast Guard Bull., v. 19, p. 1-259

Smith, W. O., Upson, J. E., and others, 1952, Preliminary report on the Passamaquoddy bedrock survey, July-August 1951: U. S. Geol. Survey Water Resources Division, 49 p.

Spangler, W. B., 1950, Subsurface geology of Atlantic coastal plain of North Carolina: Amer. Assoc. Petrol. Geol. Bull., v. 34, p. 100-132

Spangler, W. B., and Peterson, J. J., 1950, Geology of Atlantic coastal plain in New Jersey, Delaware, Maryland, and Virginia: Amer. Assoc. Petrol. Geol. Bull., v. 34, p. 1-99

Stetson, H. C., 1936, Geology and paleontology of Georges Bank canyons: Geol. Soc. Am. Bull., v. 47, p. 339-366

---- 1938, Sediments of the continental shelves off the eastern coast of the United States. Woods Hole Oceanogr. Inst. Papers in Physical Oceanography and Meteorology, v. V, no. 4, p. 5-48

---- 1949, The sediments and stratigraphy of the east coast continental margin; Georges Bank to Norfolk Canyon: Woods Hole Oceanogr. Inst. Papers in Physical Oceanography and Meteorology, v. XI, no. 2, p. 1-60

Stocks, T., and Wüst, G., 1935, Die Tiefenverhältnisse des offenen Atlantischen Ozeans: Deutsche Atlantischen Exped. Meteor, 1925-29, Wiss. Erg. Bd., III, Teil 1, Lief 1, 31 p.

Stommel, H., 1957, A survey of ocean current theory: Deep Sea Research, v. 4, p. 149-184

Sutton, G. H., Berckhemer, H., and Nafe, J. E., 1957, Physical analysis of deep sea sediments: Geophysics, v. XXII, p. 779-812

Swain, F. M., 1947, Two recent wells in coastal plain of North Carolina: Amer. Assoc. Petrol. Geol. Bull., v. 31, p. 2054-2060

[Pg 113]

Swallow, J. C., and Worthington, L. V., 1957, Measurements of deep currents in the western North Atlantic: Nature, v. 179, p. 1183

Tolstoy, I., 1951, Submarine topography in the North Atlantic: Geol. Soc. Am. Bull., v. 62, p. 441-450

Tolstoy, I., and Ewing, M., 1949, North Atlantic hydrography and the Mid-Atlantic Ridge: Geol. Soc. Am. Bull., v. 60, p. 1527-1540

Torphy, S. R., and Zeigler, J. M., 1957, Submarine topography of Eastern Channel Gulf of Maine, Jour. Geol., v. 65, p. 433-441

Udintsev, G. B., 1955, Topography of the Kurile-Kamchatka Trench: Trans. Inst. of Oceanology, v. XII, p. 16-61 (in Russian)

Upham, W., 1894, The fishing banks between Cape Cod and Newfoundland: Am. Jour. Sci., 3d ser., v. 47, p. 123-129

Veatch, A. C., and Smith, P. A., 1939, Atlantic submarine valleys of the United States and the Congo Submarine Valley: Geol. Soc. Am. Special Paper 7, 101 p.

Washington, H. S., 1930, Origin of the Mid-Atlantic Ridge: Md. Acad. Sci. Jour., v. 1, p. 20-29

Wiseman, J. H. D., and Ovey, C. D., 1950, Recent investigations on the deep sea floor: Geol. Assoc. Proc., v. 61, p. 28-84

---- 1953, Definitions of features on the deep sea floor: Deep Sea Research, v. 1, p. 11-16

---- 1955, Proposed names of features on the deep sea floor 2; General principles governing the allocation of names: Deep Sea Research, v. 2., p. 261-263

Worzel, J. L., and Shurbet, G. L., 1955a, Gravity interpretations from crustal sections, p. 87-100 in Poldervaart, Arie, Editor, Crust of the earth, Geol. Soc. Am. Special Paper 62, 762 p.

---- 1955b, The Toro Seamount: Geol. Soc. Am. Bull., v. 66, p. 465-466

Worzel, J. L., and Shurbet, G. L., 1955c, Gravity anomalies at continental margins: Nat. Acad. Sci., Proc., v. 41, p. 458-469

Wüst, G., 1935, Die Stratosphāre: Deutsche Atlantischen Exped. METEOR, 1925-29, Wiss. Erg., Bd. VI, Teil 1, Lief. 1-2., p. 109-288

Wüst, G., 1940a, Das relief des Azoren Sockels und des Meeresbodens Nördlich und Nordwestlich der Azoren: Ann. d. Hydrogr. u. Marit. Meterol., August-Beiheft, Lief 2, p. 1-19

---- 1940b, Zur Nomenklatur der Grossformen der Ozeanboden: Assoc. Oceanog. Union Geod. Geophys. Internat., Publ. Sci. no. 8, p. 12-124

---- 1943, Der subarktische Bodenstrom in der westatlantischen Mulde: Ann. d. Hydrogr. u. Marit. Meterol., H. IV/VI, p. 244-255

---- 1957, Quantitative Untersuchungen zur Statik und Dynamik des Atlantischen Ozeans; Stromgeschwindigneiten und Strommengen in den Tiefen des Atlantischen Ozeans: Deutsche Atlantischen Exped. Meteor, 1925-29, Wiss. Erg., Bd. VI, Teil 2, 420 p.

Zeigler, J., Athearn, W. D., and Small, H., 1957, Profiles across the Peru-Chile trench: Deep Sea Research, v. 4, p. 238-249

[Pg 114]
[Pg 115]


AUTHOR INDEX

[Pg 117]

SUBJECT INDEX

Heezen et al., PL. 20

PHYSIOGRAPHIC PROVINCES, ATLANTIC OCEAN

Heezen et al., PL. 21

CONTROL CHART

All continuously recorded echo-sounding profiles used in preparation of Plates 1 and 20 are shown. Solid lines indicate Lamont Geological Observatory and Woods Hole Oceanographic Institution cruises. Dashed lines indicate soundings supplied by British Admiralty. Lines shown by alternate long dash and two short dashes indicate closely spaced discrete soundings of METEOR.
Heezen et al., PL. 22

SIX TRANS-ATLANTIC TOPOGRAPHIC PROFILES

Soundings in fathoms continuously recorded by an NMC echo sounder on the R. V. ATLANTIS. The letters a—q indicate where soundings from different cruises were joined.
Heezen et al., PL. 23

INDEX CHART SHOWING LOCATIONS OF PROFILES OF PLATES 24, 25, 26 AND FIGURE 45

Heezen et al., PL. 24

THIRTY-FOUR PROFILES OF THE CONTINENTAL MARGIN: WESTERN NORTH ATLANTIC

Profile locations shown on Plate 23. Note small topographic details. Soundings spaced approximately 1 mile apart.
Heezen et al., PL. 25

TWENTY-THREE PROFILES OF THE CONTINENTAL MARGIN OF EUROPE AND AFRICA

Heezen et al., PL. 26

CRUSTAL STRUCTURE AND CONTINENTAL-MARGIN PROVINCES FOUR REPRESENTATIVE PROFILES, POSITIONS OF PROFILES SHOWN ON PLATE 23.

Data for W-6 from Bentley and Worzel (1956), W-10 and W-11 from Katz and Ewing (1955), and W-33 from Ewing and Worzel (1954) and Officer et al. (1957). Seismic data projected to continuously recorded sounding profiles. Vertical exaggeration 40:1.
Heezen et al., PL. 27

FIVE TOPOGRAPHIC PROFILES, WESTERN NORTH ATLANTIC

Soundings continuously recorded on NMC sounder.
Heezen et al., PL. 28

DISTRIBUTION OF DEEP-SEA SANDS IN RELATION TO PHYSIOGRAPHIC PROVINCES

Data from Ericson et al. (1952; 1955) based on piston cores taken by Lamont Geological Observatory expeditions.
Heezen et al., PL. 29

EARTHQUAKE EPICENTERS, NORTH ATLANTIC

Date from Gutenberg and Richter (1954) and the epicenter cards of the U.S. Coast and Geodetic Survey through 1956.
Heezen et al., PL. 30

LOCATION OF PDR RECORDS AND BOTTOM PHOTOGRAPHS REPRODUCED AS ILLUSTRATIONS.


Transcriber's Notes:

The large diagram for plate 1 mentioned in the note on p. v is missing. It was not physically attached to the book per note.

Silently corrected simple spelling, grammar, and typographical errors.

Retained anachronistic and non-standard spellings as printed.

*** END OF THE PROJECT GUTENBERG EBOOK 49069 ***